Je viens enfin de remettre la main sur un article d’un QEX de mai/juin 2003, lequel article traite la réalisation d’une antenne cadre pour les fréquences basses, dont l’accord peut être modifié à distance, par un petit courant continu envoyé dans le câble.
Le principe consiste à saturer plus ou moins une bobine torique, en série avec le cadre.
La variation est nettement plus importante qu’avec une varicap, et la plage couverte est plus qu’intéressante.
A l’époque, j’avais effectué quelques essais, particulièrement concluants.
Le but est de pouvoir mettre un cadre de grande taille au fond du jardin, loin des parasites domestiques, et de pouvoir en changer facilement l’accord depuis l’intérieur de la maison, à partir d’une commande très simple, et très économique.
A suivre…
Ca c’est une revue qu’elle est bonne! C’est du kostaud!
J’ai une trentaine d’années sur CD.(QST + QEX)
Pas pratique à consulter sous cette forme, mais difficile d’en sortir quand on met le nez dedans.
c’est dans quel N° de la revue ?
QEX, mai/juin 2003.
Si tu veux l’article, donne moi ton mail en MP.
Difficile de publier ici, l’article est encore trop récent, et le but n’est pas de créer des problèmes à JMB.
Un article très intéressnt en 3 parties:
S. Best, VE9SRB, « Wave Mechanics of Transmission Lines, Part 1: Equivalence of Wave Reflection Analysis and the Transmission Line Equation », QEX, Jan/Feb 2001, pp 3-8.
S. Best, VE9SRB, « Wave Mechanics of Transmission Lines, Part 2: Where Does Reflected Power Go? », QEX, Jul/Aug 2001, pp 34-42.
S. Best, VE9SRB, « Wave Mechanics of Transmission Lines, Part 3: Power Delivery and Impedance Matching », QEX, Nov/Dec 2001, pp 43-50.
J’ai remis le nez dans mes archives, et je redescends les années, au fur et à mesure.
Aujourd’hui, c’était 2003.
Normalement, 2001 devrait tomber mercredi.
C’est fou comme la relecture de ces articles redonne envie de se lancer dans de nouvelles élucubrations, même si les articles ne sont plus toujours de toute dernière fraicheur.
Sur les signaux plus faibles, comme le Maroc, ou la Roumanie, j’utilise un cadre accordé à distance, moins bruyant que la whip.
Pour la connexion sur l’antenne ferrite, le mieux serait de faire un couplage inductif de la whip par quelques tours autour du barreau de ferrite.
Pas mal ton site sur les antennes et autres , tu a des détails sur les cadres Go et Po , dimensions et spires ? Ça m’intéresse de tester ce cadre accordé.
Oui, mais il faut que je remonte au grenier pour compter les spires du cadre GO.
De mémoire, les diagonales font 50 cm, mais je dois vérifier.
Sur PO, ces cadres pendus sous la poutre faitière, dans le grenier, donnent d’excellents résultats, tout en étant à l’abri des intempéries, et des parasites domestiques.
Je regarde les dimensions demain.
Sur 80M, j’utilise un cadre spiralé de forme carrée, usiné en fraisage automatique sur une plaque de PCB simple face.
Ce cadre accordable, à distance également, tient dans les dimensions d’une feuille A4.
Merci beaucoup mais il y a pas urgence , c’est pour l’info , j’ai des appareils de mesures d’impédance etc… Je pensais que c’était plus grand que 50cm .
J’ai fait pas mal d’essais avec de grands cadres, en commençant par 3 mètres de diagonale, puis en réduisant à 2m, 1m, puis 50 cm, taille que j’ai adoptée en finale.
La raison est très simple.
Quelle que soit la taille du cadre, le rapport signal/bruit ne change jamais.
Le plancher de bruit monte en même temps que le signal utile sur les cadres de grande taille.
Comme le push-pull à J310 a un gain d’environ 24 dB, il est donc parfaitement inutile de faire dans l’encombrant.
Les performances avec 50 cm ne sont pas inférieures à celles des cadres plus grands.
Très sincèrement, l’accord à distance, c’est vraiment le grand confort! ![]()
Un dernier point sur l’orientation du cadre , ça rapporte quelque-chose ?
Oui, sans discussion possible.
Sur les cadres spiralés, la directivité est à 90° du plan.
Mais, sur les cadres bobinés comme des self, la directivité est à 90° de l’axe de la self.
J’utilise 2 cadres identiques, à 90° l’un par rapport à l’autre sur chaque bande.
Une simple commutation permet de changer instantanément la directivité, en passant d’un cadre à l’autre.
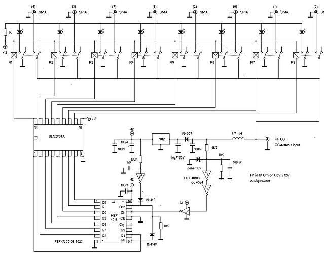
Il me reste encore à compléter la page du site web, avec le système de commutation 8 antennes, un seul coax, que j’utilise actuellement.
Un simple appui sur un poussoir, en bas, et l’on change immédiatement d’antenne, en haut.
Le parfait accessoire pour paresseux moyen… ![]()
Schéma de la commutation des antennes en bout de câble, côté grenier.
La sélection des différentes sorties se fait par coupure de l’alimentation 15/24V pendant une mS.
Le 4017 compte alors ces « trous », et commute la sortie suivante à chaque nouvelle impulsion.
@f4fdw La rubrique sur les cadres a été mise à jour.
Cadres accordables à distance
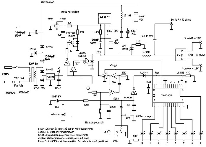
j’ai vu ton schéma , c’est une vrai usine Hi , mais bien fait , question c’est bien C1A/B qui commute les antennes ? alors pourquoi il y a 2 sorties A et B qui vont vers le haut je suppose , a- tu pu voir les dimensions du cadre et les spires etc ?
je viens de voir le bouton poussoir mais à quoi sert le commutateur ?
Le commutateur sert au cas ou l’on souhaite piloter un second groupe de 8 antennes, via un deuxième câble.
Avec une seule sortie, ce commutateur n’a pas d’utilité.
Disons que c’est une option.
C’est le bouton poussoir seul qui permet de changer d’antenne.
ok , c’est plus clair , merci
Doctsf (Modèles & Marques)
Annonces 
