Bonjour
j’ai entièrement restauré un Bolero 57’échange de tous les condos) qui fonctionne parfaitement avec la prise PU (branchement portable avec montage transfo 1/1) ,je n’utilise pas la radio dessus.
j’ai échangé la cellule disque qui était morte (son très sale )pour une BSR SC 12 M que j’ai câblé en mono ,pontage R/L et -/- ,le son est très propre mais n’a pas de volume ,j’ai essayé tous les pontages possibles et c’est toujours pareil, avez-vous une idée, Merci .
Bonjour l’ami,
Quelques fois je vérifie le fonctionnement sur la prise « PU » en y connectant un petit magnétophone à K7 via la sortie « écouteur ». Cela me permet d’évaluer la puissance, la qualité, le son et intuitivement le fonctionnement de la partie « BF » audio du poste. En ce qui concerne la cellule la platine, cela doit être une cellule « piezo céramique » Elle doit être cablée en « mono » car je pense que ce poste n’est pas stéréo ? Notamment le Boléro. Un schéma serait le bienvenu, la photo aussi pour aider …
Bienvenu dans le forum de discussion, bon courage pour le dépannage.
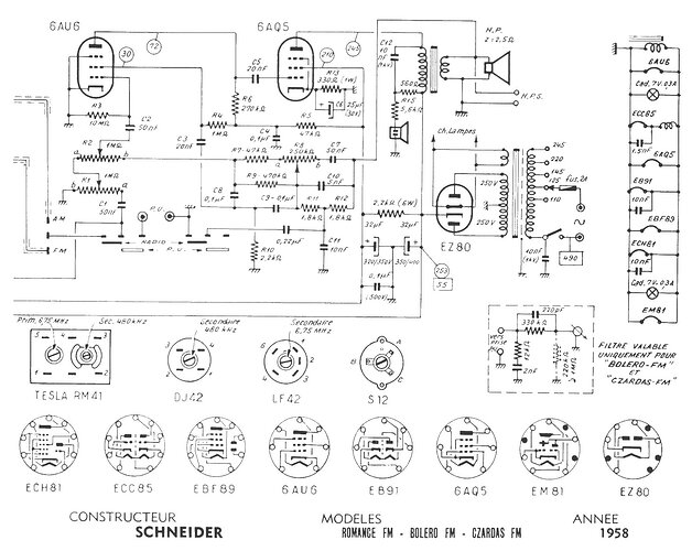
Re, sur la prise Pu comme indiqué le poste fonctionne parfaitement, le shema est disponible sur ce site mais la partie disque n y figure pas.
Merci.
bjr,
vous avez “restauré” ce poste en changeant tous les condos, Ok mais etes vous sur ne n’avoir fait aucune erreur?
Maintenant il faut regarder le schéma et faire quelques mesures:
la partie ampli utilise deux tubes: 6AU6 et 6AQ5 .
mesurez les tensions indiquées sur le schéma afin de savoir si ils sont pas trop usés…
les condensateurs de liaison de 20nF sont importants et doivent etre remplacés par des 22nF 400v.
voir aussi le condo chimique dans la cathode de la 6AQ5 : bien soudé dans le bon sens…Si la lampe est OK vous devriez avoir environ 10 à 11v sur la cathode!
Bonjour
Une solution pour savoir si c’est votre poste ou votre platine qui a le défaut, la brancher sur un autre ampli (radio ou ampli de chaine).
Merci ,je vais vérifier tout ca
coté platine il n’y a que la cellule piezo: si elle est neuve et bien cablée faut chercher coté ampli…
Toujours intéressant chez Schneider ces amplis « BF » avec les circuits de contre réaction sophistiqués qui permettent un son de qualité. D’après ce schéma, on peut vérifier les résistances R3, R6, R4, R13. Condensateurs C5 et C6. Un haut parleur médium et basses et un HP aigus à vérifier aussi avec les composants associés. Je possède un Romance FM qui permet en FM d’avoir une audition de qualité bien sûr correspondante à cette époque de la Radio en monophonie.
Doctsf (Modèles & Marques)
Annonces 