Mesure à l'oscillo : question

*bsr*

Autrefois écouter au “son” c’était en prendre plein les esgourdes et approximatif comme réglage , l’oscillo est moins agressif mais n’était pas à la portée de l’atelier lambda .
Je ne vois pas l’utilité d’aller contrôler la forme des signaux FI modulés où pas, cela ne donne aucune indication sur les réglages.
Uniquement une indication si le signal passe ???
Mettre la sonde à la détection sortie audio suffit , mettre la CAG au potentiel masse où négatif de polarisation des lampes HF en fonction du montage utilisé, on ajuste l’amplitude et la forme de la courbe.
Le 400 où 800Hz ne serinera pas…! *hola*
Bonne nuit

Roger : Il s’agit de la mise au point par Jordu d’un oscillateur HF 35MHz modulé par un oscillateur BF à 1000Hz, et des problèmes d’affichage de cette HF modulée sur un oscilloscope.

Michel : tu dois avoir raison pour la BP de l’oscillo, pas besoin d’une BP à 350MHz, mais tu as visiblement des problèmes de synchro à cette fréquence…

Il faut que tu forces la synchro sur le signal BF (canal 2.)

Oui, pour moduler la grille 3 (mélangeuse) de la 6E8, il faut 10 à 20V, mais il faut beaucoup moins pour moduler la grille 3 de la 6BA6, car dans une pentode la G3 a un peu de gain…

[quote=« Pierrot du 82 »]Roger : Il s’agit de la mise au point par Jordu d’un oscillateur HF 35MHz modulé par un oscillateur BF à 1000Hz, et des problèmes d’affichage de cette HF modulée sur un oscilloscope.

Michel : tu dois avoir raison pour la BP de l’oscillo, pas besoin d’une BP à 350MHz, mais tu as visiblement des problèmes de synchro à cette fréquence…

Il faut que tu forces la synchro sur le signal BF (canal 2.)

Oui, pour moduler la grille 3 (mélangeuse) de la 6E8, il faut 10 à 20V, mais il faut beaucoup moins pour moduler la grille 3 de la 6BA6, car dans une pentode la G3 a un peu de gain…[/quote]

PIERROT *bonjour*
Autant pour moi je n’avais pas suivi tout ce cheminement , je vois qu’on s’amuse bien en triturant les veilles lampes, mon commentaire étaIt inutile…? :confused:

Le salut à tous …

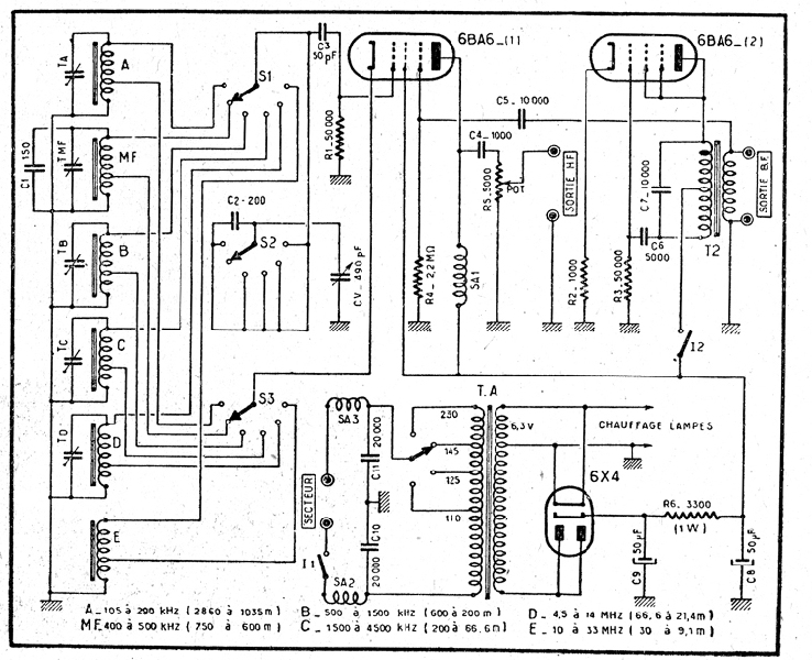
Si je ne veux pas ajouter un étage ampli bf, il faut donc que je trouve l’équivalent de la 6BA6 en octal, comme dans le schéma de cfp-radio… 6SK7 (pentode à « remote cut-off », comme la 6BA6) ?
Michel

Tu peux intercaler une 6SK7 ou 6BA6 en tampon-modulateur entre la 6E8 et la sortie, ou changer de montage pour l’oscillateur BF, un Colpitts avec transfo (voir Hétérodyne Junior ci-dessous) ou un oscillateur à réseau déphaseur comme dans le générateur Martin.

Non, dans le générateur Martin, c’est un multivibrateur BF…

[quote=« Pierrot du 82 »]Tu peux intercaler une 6SK7 ou 6BA6 en tampon-modulateur entre la 6E8 et la sortie, ou changer de montage pour l’oscillateur BF, un Colpitts avec transfo (voir Hétérodyne Junior ci-dessous) ou un oscillateur à réseau déphaseur comme dans le générateur Martin.
Non, dans le générateur Martin, c’est un multivibrateur BF…[/quote]

Je ne suis pas sur que nous parlions de la même chose… Dans mon montage :

  • l’oscillateur hf est celui du générateur Martin, avecune 6E8.
  • l’oscillateur bf est un pont de Wien, schéma tiré d’un monatge vu sur le site cfp-radio (« un petit générateur hf »)
    le niveau bf n’est pas suffisant pour moduler la 6E8 ; à j’ai donc le choix entre 2 solutions :
  1. amplifier le signal
  2. mettre en oscillateur hf un tube similaire à la 6BA6 à culot octal, c’est à dire une 6SK7
    Pourquoi me dis-tu d’intercaler un tube entre la 6E8 et la sortie ?
    moi pas comprendre :wink:
    Michel

C’est pourtant simple :
Mieux vaut utiliser un modulateur séparé que de moduler directement l’oscillateur HF, ce qui entraine en général une modulation FM parasite…

L’autre solution que tu oublies est d’utiliser un autre type d’oscillateur BF que celui à pont de Wien.

Ok, j’ai compris ! Merci Pierre.
Mais j’aimerais d’abord tester une solution à deux tubes : penses-tu qu’une 6SK7, analogue à a 6BA6 (fort recul de grille), se laisserait moduler plus facilement que la 6E8 avec 1,2 Vcc ?
Michel

Oui !

Fort recul de grille, ça veut dire tout bêtement en français : « à pente variable. »

Bonsoir Pierre,
Je reviens après 2 semaines de vacances suivies par 3 semaines d’inactivité en radio (tri/recadrage/rééquilibrage de photos). Je suis en ce moment plutôt actif sur le forum tsf-radio où F6FKN et F6CER m’aident à la conception du RX que j’ai démarré et sur l’hétérodyne. Sur cette dernière, je vais passer à des lampes modernes (ECC82 et EF800 parce que j’en ai) surtout pour éviter de me retrouver comme c’est le cas avec la 6E8 avec une diode (grille-cathode de la triode inutilisée) qui charge le signal BF. Avec une EF80(0) je pourrais moduler par l’écran. Je pourrai égalment, si le sgnal BF est insuffisant sur la cathode de l’ECC82, le prendre sur sa plaque.
A+
Michel

Salut Michel,

ça m’étonne pas qu’Alain t’ait convaincu de passer aux tubes russes ou aux tubes de télé… :wink: