cela depends ou il est place trappe L C serie ( pas de strap) ou L C // il faut un strap
J’ai essayé de voir en agrandissant la photo, mais c’est trop touffu pour distinguer le raccordement. Pour le moment ça reste un problème secondaire, bien, qu’a première vue, l’ensemble n’est pas en mauvais état. On a vu bien pire !!
J’essaierai ce soir de faire une photo centrée sur le raccordement.
@Radiolo @bellancourt_guy
Je ne trouve pas de transfo 40 W mais j’en ai trouvé un de 65 VA. Est-ce qu’il conviendrait ?
Si c’est possible, je préfèrerais le garder en module extérieur au poste pour modifier au minimum ses composants. Je le mettrais dans un boitier que je construirais en bois avec une entrée prise 220 V d’un côté et 2 prises 110 V de l’autre côte de manière à pouvoir brancher uniquement le poste ou le poste et la platine ou encore l’utiliser éventuellement pour un autre poste.
Qu’en pensez-vous ?
qui peu le plus peut le moins un 65W fera l’affaire
Je vais l’acheter.
Je vais commander aussi des fusibles 0,5 A - 250 VAC. Est-ce qu’ils doivent être temporisé ?
normalement non c’est le tube redresseur qui fait la tempo HT
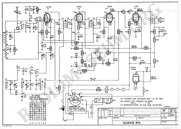
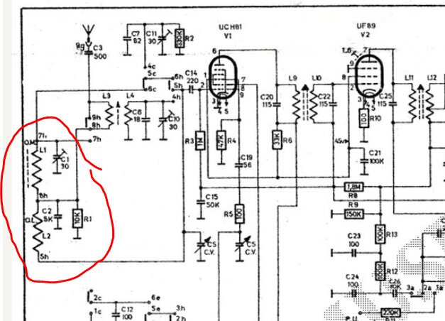
Histoire de ne pas être d’accord, je dirais plutôt que cette fameuse bobine, est là. C’est curieux, mais elle est bien en liaison avec le sélecteur secteur
bien vu je pense que tu as raison
On a bonne mine, avec notre « wave-trap » ![]()
La légende du plan indique :
L20 Choc HF secteur
il y en a bien deux mais ailleurs …
Si c’est une bobine d’arrêt, il y a peut-être moyen d’en racheter une mais il faudrait connaître ses caractéristiques.
cela fonctionnera tres bien avec in simple strap
oui c’est cela
Bonjour,
Hier soir, en observant longuement le poste, je me suis rendu compte qu’un autre bobinage était rompu (voir première photo). Je vois les deux brins de fils de chaque côté de la bobine (flèches). Je pourrais tenter un épissage mais comment enlever l’isolant de ce fin fil ?
Il y aurait aussi la possibilité de récupérer le bobinage de l’autre poste (seconde photo) mais il faudra que j’arrive à enlever les rivets.
Doctsf (Modèles & Marques)
Annonces 








