Bonjour,
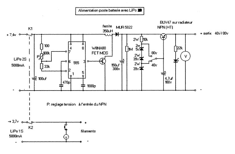
Pour être indépendant du secteur, lors de démos extérieures de poste batterie, j’ai construit cette petite alimentation , alimentée par batteries lithium. Une batterie 2S (7,4v) alimente un découpeur qui fourni en sortie une tension de 80 ou 40v environ. une autre de 1S (3,7v), fournie en toute sécurité la tension filament. Tous les composants sont des fonds de tiroir. j’ai cherché dans mon stock, par expérimentation, les transistors et la self, qui donnaient les meilleurs résultats, en terme de compromis, stabilité de tension et intensité de sortie pour la HT. les batteries lithium sont celles que j’utilise habituellement pour mon activité modélisme naval.
Pour les postes 4 lampes maximum, cela convient parfaitement, le débit HT est de 20 mA environ.
Sur la photo de l’alimentation en coffret métal, la batterie 1S, 5000mA est logée a l’intérieur. Le bruit de l’oscillateur est a peine perceptible à la réception.
Pour les curieux, je joins le schéma.
JG
3 « J'aime »
Doctsf (Modèles & Marques)
Annonces
