Bonjour je viens de acheté une tsf portable REES portable 1929
La alimentation e bizarre 90v 100v 4v 40v 75v dit moi un solution pour alimentation le radio merci beaucoup
il faut l’alim adéquate, et comme ça ne courre pas les rues, il faut en concevoir une
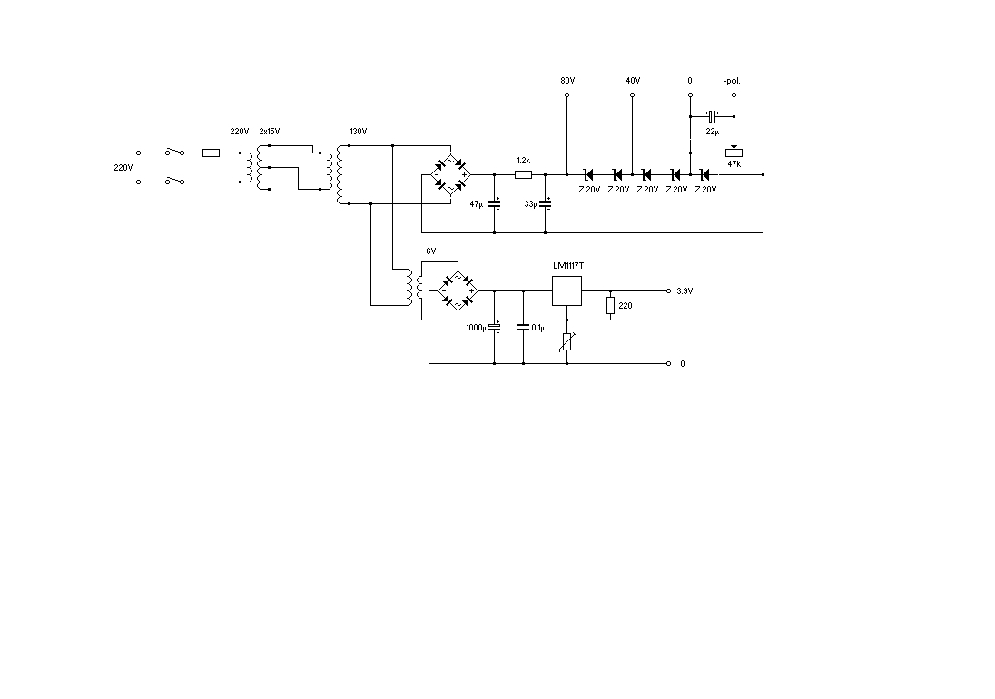
il y eu des realisations sur le forum d’une alimentation avec une chaine de zeners 12V 5W pour avoir les diverses tensions
faut retrouver le post avec la loupe
Bonsoir,
Pour les non-bricoleurs, Radioelec vend pour 65 € une alimentation toute faite pour alimenter les postes de radio fonctionnant sur batteries des années 1920, voir ici :
Mais le vendeur est actuellement absent et le site est fermé pour les commandes jusqu’au 20 avril, il faudra donc commander plus tard.
Bonjour oui je une alimontasion 4v 40v 80v 120 v mais les radio Rees et différents je besoin une alimentation 90v 4v 100v 40v75v
Ce n’est pas très critique :
40 V - > ok
75 V vous mettez 80 V
100 V vous mettez 120 V
Cela va fonctionner sans problème.
Mais cous pouvez également modifier les valeurs des composants de l’alimentation pour obtenir 100 V à la place de 120 V.
Je n’ai pas vu de borne 90 V sur les photos de votre appareil.
Autrement vous pouvez aussi assembler des piles de 9 V pour obtenir les tensions désirés.
Il y a également la solution de @Jardine_Jean-Claude :
Doctsf (Modèles & Marques)
Annonces 

