Ampli 6V6 SE avec correction Baxandall

Je viens de finir au propre l’ampli avec une 6Q7 et une 6V6.

Les mesures sont OK sur une charge résistive ( 2,5 ohms ).
Avec une contre-réaction sur l’ensemble la courbe est belle :
30hz -4db, 36hz -3db, 50hz -2db, 80hz -1db, 140hz -0,5db, 1khz 0db, 7,5khz -05db, 14khz -1db, 18khz -2db, 20khz -3db.

Avec le HP c’est autre chose, le bafflage génére des court-circuits acoustiques qui pénalisent le grave, le HP large bande est généreux dans le médium, tout cela est mormal. Une caisse de poste et un HP seul ne peuvent produire de la HIFI.

Je pense qu’une atténuation réglable du médium et un réglage de l’aigu seraient une meilleure solution pour équilibrer le son.

Où trouver une bonne source théorique et pratique pour fabriquer des filtres ?

J’ai un autre soucis, si j’insére ces filtres dans la boucle CR que va-t’il se passer ?

Bonjour,

certains constructeurs de postes à lampes s’ingéniais, a défaut de faire de la hifi, à faire des contre réactions sélectives assez « chiadés » couplé a des correcteurs de tonalité plus ou moins évolués qui donnaient une bonne musicalité et compensais peu ou prou les défauts constatés

C’est notamment le cas des postes Sonneclair Lux 2, Lux 3, Lux 6, ou superlux …Rechercher ces postes sur le G.L et s’inspirer de leurs schémas , ça pourra éviter de tout reconcevoir et avoir l’air de réinventer l’eau tiède !
(Le Sonneclair Lux 2 a récemment été évoqué sur ce forum, et avec un schéma, il mériterais qu’on s’attarde sur ce schéma et sur ce poste …mais a ma grande déception , et malgré avoir « re-up-é » le dit topic, il s’avère qu’il n’intéresse absolument personne !?)

Pour le « Lux 2 » voire ici

(Ce poste est très musical , mais ce topic n’avance pas à grand chose car déserté !)

Pour le ou les Superlux, voire là

(Attention, il y a pleins de mofdèles différents qui sont abordés !)

sloup

C’est la base d’une VRAIE correction Baxandall, prenez-donc un schéma de ce type, le web en regorge…

Le « Baxandall », étant lui-même un correcteur basé, sur une contre réaction (a tel point, que le gain de la seconde triode devient pratiquement nul, il ne faut absolument pas, rajouter une autre CR, par dessus celle ci. Je veux dire, qu’il faut laisser l’étage de puissance dans la plus grande simplicité. Même sur un ampli, non destiné, à la Hi Fi, l’utilisation de ce genre de correcteur, reste, très agréable a l’emploi.

J’ai commencé à fouiller pour comprendre comment fonctionne le Baxandall.

Effectivement ce système fonctionne par contre réaction et si je l’utilise il va falloir que je rajoute une 6Q7. Ce n’est pas un problème j’ai du stock.

J’ai remarqué que ce type de correcteur est une sorte de bascule autour d’une fréquence centrale.
Est-il possible de créer la bascule grave sur une fréquence F1 et la bascule aigu sur une fréquence F2, F1 et F2 étant différentes pour conserver intacte la bande de fréquences entre F1 et F2 ?

Si je retire la contre réaction existante, est-il possible d’englober la 6V6 dans la boucle du Baxandall ?

C’est a proscrire, la 6V6, n’a d’autre tâche qu’à produire de la puissance, et se fout complètement de ce qui se passe avant elle.

le correcteur (montré au post 17/25), se suffit a lui seul, et il suffit d’ajouter derrière

Et le tour est joué. Deux 6Q7, une 6V6, une valve 5Y3, c’est tout .
Petit retour en arrière : au post cité (17/25), j’ai signalé, une erreur de valeur sur un condensateur, et une manière de contourner le manque de facilité a trouver maintenant des potentiomètres a prise médianes . A ne pas oublier, en cas de réalisation .

1 « J'aime »

bonjour rené
SAUF erreur tu vas trouvez ton bonheur chez les fabriquant ampli de guitare a lampe el 34=6v6 ou presque ou kt , cher FENDER VOX MARCHAL Il difuse sur le net tous les chema depuis ±1950 lien tape chematic + le marque il y en a à profusion.
dis moi si tu as trouvé ton bonheur cdlt jcl t

bj situ veux original baxandal lire LIRE LUCIEN CHRETIEN PAGE 465 DU TOM 3 ET LA SUITE
BONNE RECHERCHE
si besoin donne moi ton mail je t 'envoie une copie ds la semaine cdlt jct
ps si tuconnait le cablage de la prise 7 broches pltinetangentiel radiola SR4755 DE SCHNEIDER JE VOUDRAIS REMPLACER CETTE PRISE PAR ALIM ET 2 RCA AFIN UTILISER SUR AMPLI STANDARD
MERCI àtoi et tous si quelqu’un sait faire
CDLT JCLT

Elle change un poil suivant la position du pot. de grave ?

bonjour,

peut-être ceci :

si ca peut donner quelques idées…

S’inspirer du schéma de cet électrophone valoche ne semble pas être une très bonne idée …
-Le correcteur de tonalité est bien simpliste et peu efficace, et son fonctionnement est fortement dépendant de l’impédance de la source qui doit être élevée (la basse impédance des sources actuelles , genre lecteur CD ou DVD, balladeur MP3, ordinateur ou téléphone portable, risque de le rendre inneficace)
-Les contres réactions B.F depuis les deux demi primaire du push-pull, semble inversement bien compliquée ! et non comparable au cas d’un montage d’une seule 6V6 en S.E (pourquoi faire simple quand on peux faire compliqué , ça fait assez « shadock » !?)

Les contre réactions B.F , fusse telles assez biscornues, des postes Sonneclair cités plus haut (et qui n’intéressent personne ?!) semblent en proportion plus pertinentes (elles favorisent les graves et creusent le médium, et corrigent, plus ou moins, les lacune de l’électronique et l’ébénisterie de ces appareils )
En outre, ces montages et leur correcteur de tonalité sont bien moins sensible à l’impédance de sortie de la source, puisque le réglage de tonalité est du coté de la sortie et non de l’entrée !

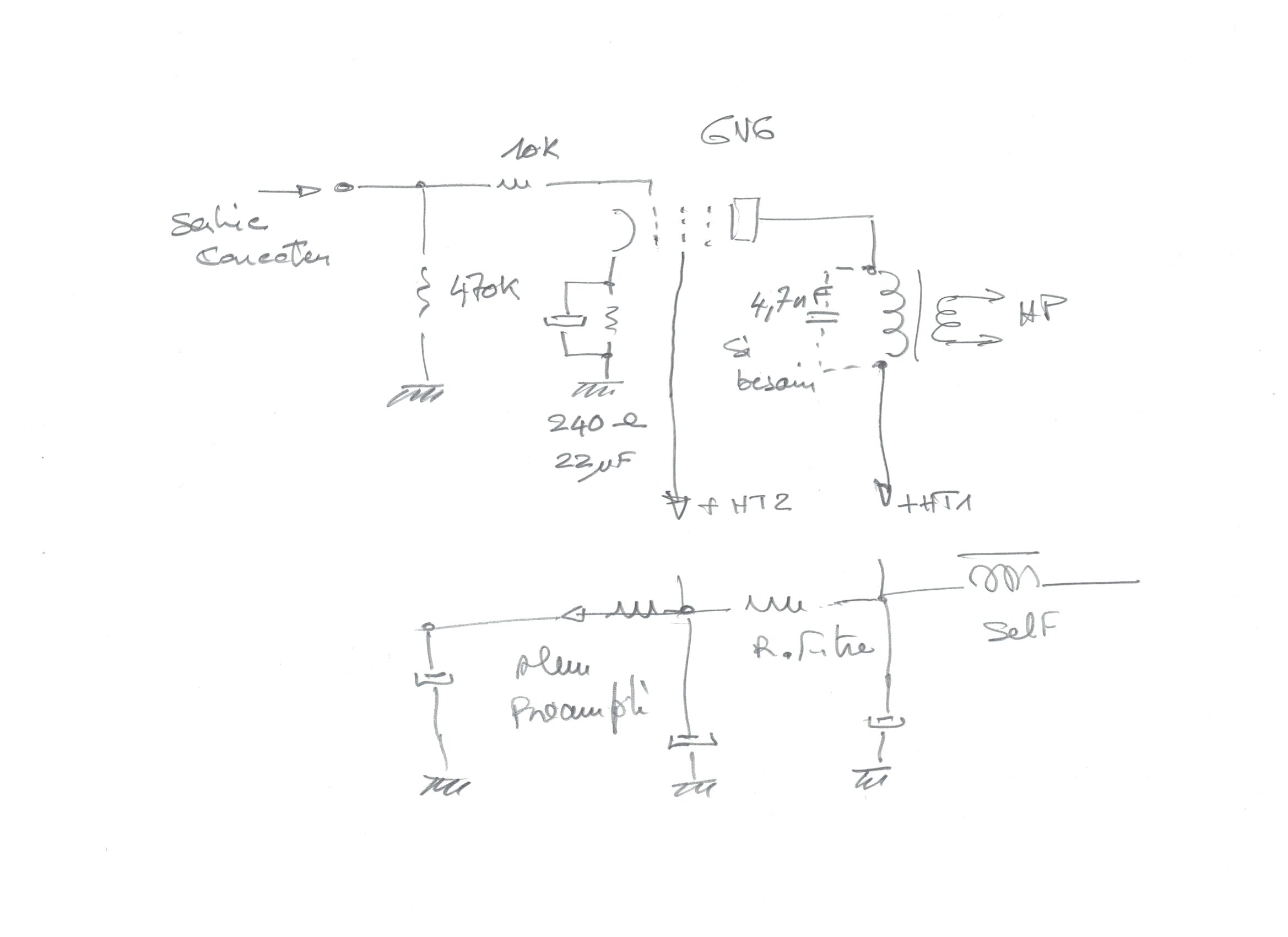
Après un bon moment de bricolages voici le schéma.
J’ai dû rajouter une 6Q7 pour attaquer le Baxandall, pas grave il y a du stock et ça fait plus riche.
Je peux attaquer l’ensemble (sans bruit à faible niveau) de quelques mv à 2v sans saturation avant le potentiomètre de volume qui attaque la 6V6.

Le filtrage sur la plaque de la 6V6 peut paraître farfelu mais c’est le meilleur compromis pour équilibrer l’ensemble : court-circuits acoustiques, baxandall, HP, transfo de sortie.

En jouant avec le baxandall on obtient un son global agréable qui ne fatigue pas l’oreille, nous sommes très loin de la HIFI.