Bonjour,
Je relève actuellement le schéma du Berlioz, de chez Cristal-Grandin.
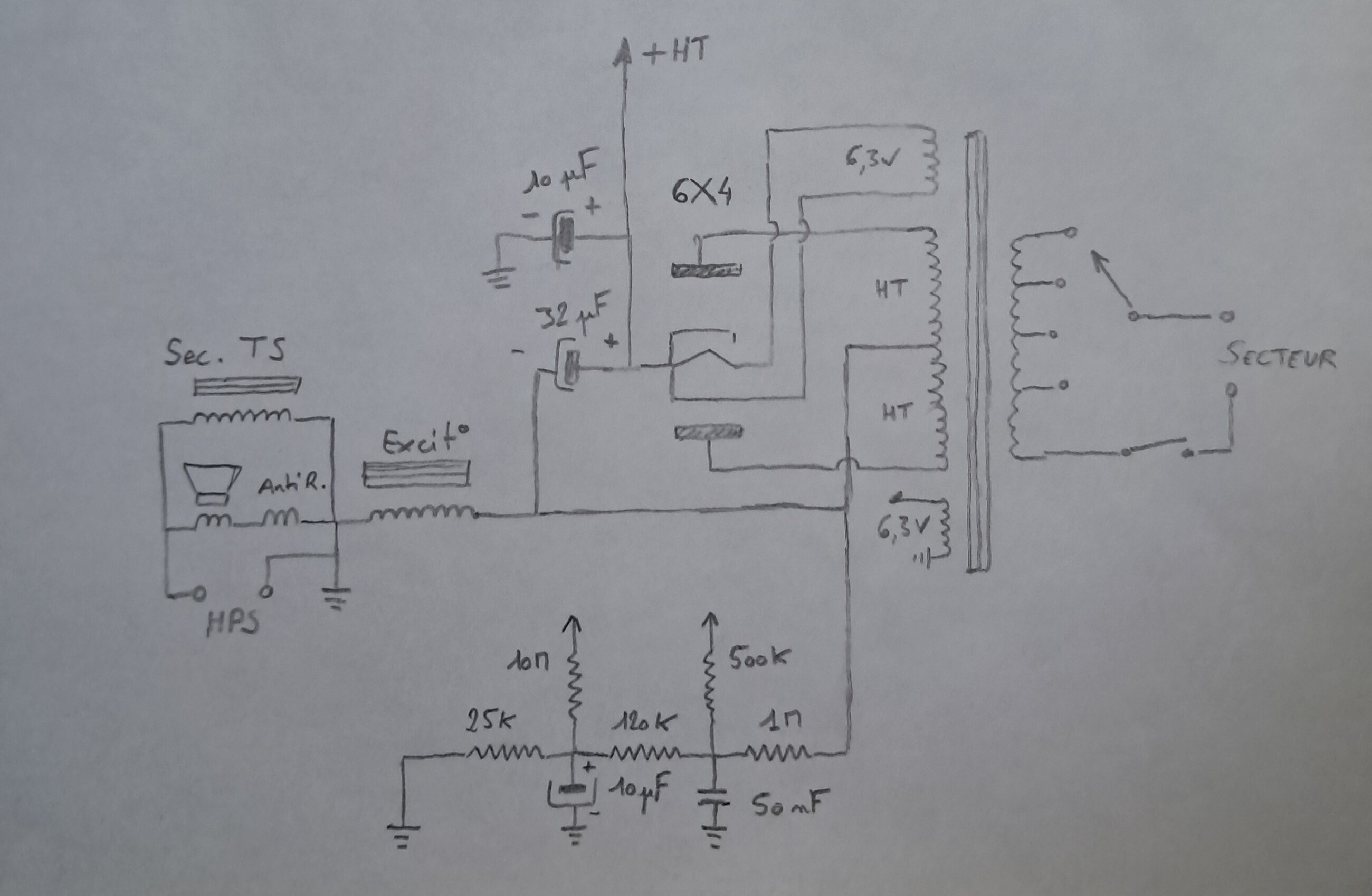
Fiche 8819
Ce poste a déjà fait l’objet d’un dépannage antérieur.
Cependant au niveau de l’alimentation du récepteur, deux points m’interpellent :
- l’excitation du HP se fait par le négatif, et en parallèle de la polarisation des 6AT6 et 6AQ5. Donc deux retours à la masse pour les enroulements HT de la valve (6X4). Bien que je n’y vois pas de problème particulier, est-ce viable ? (C’est la première fois que je vois ce montage en parallèle de l’excitation et de la polarisation)
- sur la ligne HT redressée, il y a un premier condensateur de filtrage de 32ųF (double alu, dont le 2ème positif est mis à la masse car non utilisé) suivi immédiatement d’un 10ųF sans résistance ou self de filtrage intermédiaire. Puis-je ajouter une résistance pour « casser » cette capacité en sortie de valve, et soulager un peu cette dernière ?
Doctsf (Modèles & Marques)
Annonces 
