Brionvega RR126 Fo St

Bonsoir
J’ai cet appareil à remettre en état.
Une voie est plus faible. Il y a une différence de type de transistor entre les 2 voies,
d’un coté 2 AD 149 précédés par un AC ou BC 132 ( je lis C132 sur le corps et un A sur le dessus du boitier), précédé d’un AC187k.

De l’autre coté, 2 AD149 précédés par un AC 128 et l’autre par un AC187k.

En clair AD149 AC(ou BC) 132 2e voie AD149 AC128K
AD149 AC187k AD149 AC187k
Quelqu’un aurait il un schéma original clair de ce modèle?
Schéma RR126.pdf (165,9 Ko)
Cette version m’a été envoyée par André yves.

il est pas mal ce schema

Les transistors de puissance ont l’air d’être identiques AD149.
La paire de drivers montée est laquelle à droite et à gauche ?
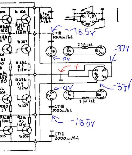
Quelle tension mesurée au point milieu du push pull final (juste avant le condensateur de 2000µF) sur chacun des canaux ?
EDIT : j’ai trouvé un autre schéma sur radiomuseum mais pas très lisible. Il semble différent de celui cité au dessus.

Bonjour
Meilleurs voeux à tous.
Les 2 condensateur de 2000µf de la voie faible( voie de gauche) ne valent plus que quelques 5 µf. Est ce que cela explique le manque de puissance ?
J’ai mesuré -14v sur le point milieux au lieu de -18,5 comme indiqué sur ce schéma


Je voudrais une confirmation sur la polarité de ces condos Facon 2000µf VL 64v

Le point rouge est sur la masse


Est ce que la valeur 2000 est critique?
J’ai des 1000 µf, 80v .
Je ne suis pas familier avec les transistors !

Bonsoir,
Ceux qui me connaissent savent que je ne suis pas un adepte du « recapage » à priori.
Cependant c’est ce que j’avais fini par faire sur ma rr126 suite à la découverte de plusieurs condensateurs d’origine HS.
Bien cordialement
A-Y

Bonjour André Yves
Meilleurs voeux
Puisque tu connais cet appareil, peux tu me dire si le point rouge sur ces capas Facon 2000µf d’origine est le « plus » qui est connecté d’une part sur la masse pour le filtrage et l’autre va sur la prise hp (point rouge) I , la borne fine ronde allant à la masse.
Par quel type de condensateur as tu remplacé ceux d’origine?
J’ai aussi un fil vert qui part de l"antenne ferrite, qui est connecté au petit condo ceramique marron, qui est déssoudé coté circuit imprimé. Peux tu voir sur le tien ou est soudé ce fil?
On doit le voir sans avoir à démonter.
Merci
Daniel

Bonjour Daniel,
Je regarderai en rentrant chez moi dans une semaine.
A-Y

Merci bonne journée
Daniel

Bonjour Daniel,
Pour le point sur les capas, je ne sais plus. Mais, pour garder le look ancien, j’avais conservé les gros chimiques rouges en les déconnectant et en mettant à l’intérieur du chassis des capas modernes, beaucoup plus petites de nos jours. Ca rentre juste mais ca se fait !
Concernant le fil vert, sur le mien ca semble être un condensateur de très faible valeur réalisé en torsadant 2 fils.
Ci-joint la photo.
Bien cordialement,
A-Y

Bonjour André Yves
En fait, le condensateur est bien présent, c’est le même que celui qui est du coté opposé
cage cylindrique qu’on peut faire tourner.
Le problème est le fil vert qui arrive sur le petit condensateur marron et qui est dessoudé à l’autre bout, je pense qu’il va sur l’entrée antenne AM qui est sur le panneau ou sont les sorties hp !

Bonjour
Enfin, le Brionvega rechante à nouveau.
J’ai mis des condensateurs de sortie et de filtrage de 1000 µf 80v au lieu de 2000µf.
Est ce que la valeur du condo de sortie joue sur la puissance et/ou la bande passante?

bien il faut faire des mesures , mais je pense que tu sera deçu du resultat

Bonjour Radiolo
Le son me parait bon, pas de distorsion, puissance correcte à l’oreille.
J’ai mesuré les tensions présentes sur les AD149 de sortie :
-39 sur c -16,5 sur c
-16,6 sur b -0,11 sur b
-16,5 sur e 0 sur e

Bonjour,

les tensions sont correctes et le fonctionnement aussi, pour une écoute normale d’appartement …Mais : avec des condos sous dimensionnés, il faudra pas jouer les David Guetta avec cet appareil ! Ca risque de brider la puissance et les graves a niveau élevé !
(ceci dit, la musique actuelle a souvent un excès de graves , et puis vu que c’est un appareil à transistors germanium il est vivement déconseillé de lui faire jouer de l’électro et de la techno à donf et 8 heures d’affilé ! )