La chaine marche bien (chargeur cd, radio, k7) , je l’ai nettoyée etc mais quand je l’éteins elle se rallume toute seule. J’ai passé un peu de nettoyant contact sur le bouton power mais non c’est pas le souci. Si vous avez des idées sur quoi vérifier (étage d’alim ?)
Modèle: Aiwa NSX-SZ5
C’est ça l’Intelligence Artificielle ![]()
2 « J'aime »
Merci de ta reponse tres pertinente qui me fait avancer…
1 « J'aime »
hihihi, encore perdu… J’ajoute que le service manual est téléchargeable sur Elektrotanya
Non le SM est là :Aiwa - NSX-SZ5
je viens de le mettre
1 « J'aime »
Ok merci Bozec je vais voir ce C134 demain
Bonsoir
L’alimentation de cette chaîne est toujours sous tension ! ![]()
perso, je la brancherais sur une prise munie d’un interrupteur secteur .
2 « J'aime »
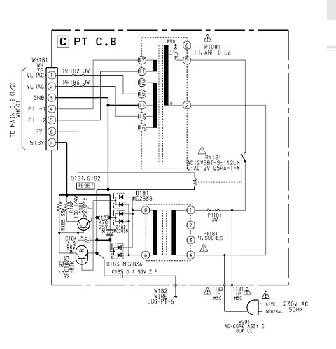
Bon j’ai changé le C184 (50v 3.3uf) j’ai mis un 50v / 4.7uf (mesuré 4uf) tout ce que j’avais sous la main; changé aussi celui à coté un 25v 470uf. Toujours pareil elle se rallume.
D’autres idées ? Merci par avance
Doctsf (Modèles & Marques)
Annonces 