Construction d'une radio hybride

Bonjour à tous,

J’ai l’intention de reconstruire autour d’un ancien châssis, un ensemble radio qui serait composé d’un Kit FM du type chinoiserie à tubes et amplifié par un montage classique avec des lampes sur supports transco, de ma conception. Je vais réutiliser l’ancienne alimentation existante sur châssis dont la lampe est une AZ1.

Pour construire ce truc, il me reste à trouver un schéma, assez simple de la partie ampli. Sachant que le HP équipé de son transfo sera récupéré sur une épave.

Auriez-vous une idée de schéma qui ne soit pas une usine à gaz.

Merci

suffit de fouiller dans le grand livre avec la finale BF transco que tu veux utilser
prr exemple AZ1 EBL1

1 « J'aime »

Bonjour à tous.
Voici des photos d’un « délire » que j’ai réalisé pour me distraire à partir de fonds de tiroir et d’un FM5, et qui fonctionne assez bien.
Les composants sont implantés en fonction des trous disponibles et surtout de leur diamètre, donc pas de transco.
La valve est une 6X5 et l’ampli une ECL82 Russe.
Comme on peut s’en douter, le baffle « a la patate » :laughing:



7 « J'aime »

Bonjour René !

Quel schéma autour de !'ECL82 ?

1 « J'aime »

Merci beaucoup !

La 1 MΩ et le 47nf dans la grille de la triode sont inutiles.
Le potentiomètre assure déjà la fonction de la R à supprimer, et la capa d’entrée bloque déjà le continu.

1 « J'aime »

Exact, j’ai « pompé » ce schéma sur le web en bricolant à la và-vite sans me poser de question.
Je n’ai pas mis le premier 47nF car il y a déjà un 10nF en sortie du FM5, mais l’autre et la R je les supprimerai.

1 « J'aime »

Bonjour,

j’ai bien aimé cet assemblage hétéroclite de matériel de toutes époques !

  • Le choix d’employer un module tout prêt, ici un FM5 , pour faire la FM sans les difficultées inhérentes a la réalisation d’un montage VHF de toutes pièces
  • La ECL82 en BF, qui est une bonne lampe, et qui permet de n’utiliser qu’un seul tube pour faire toute la B.F de l’appareil .
  • Le transfo d’alimentation Philips ou Radiola et la bonne idée d’avoir remplacé son fusible d’origine par une cartouche 5x20 actuelle .
  • L’idée de faire travailler le HP avec une « charge acoustique » tubulaire comme les projecteurs de son couramment employés en sono de public adress .

Je dirais cepandant que certains points sont …Perfectibles …ou pas vraiment optimaux !?

  • L’antenne FM réalisé avec une antenne UHF de télé portative ! (Elle n’est pas faite pour cette gamme de fréquences)
  • Le cadran de poste ancien mais dont les échelles ne correspondent plus à rien …(Puisque ce n’est pas un cadran de poste FM)
  • La boîte en tôle servant de charge au H.P (ça semble un matériau inadapté au niveau acoustique, certes mieux qu’un H.P nu en court-circuit acoustique mais ça doit peut être donner un « son métallique » ?) et qui est apparemment une boîte de protéines en poudre pour la muscu ? (René doit être sportif !)

sloup

Bonjour, oui je suis sportif et même cyclosportif.
Les protéines sont souvent au menu, et les boîtes vides (celle-ci est en carton métallisé à l’intérieur) sont recyclées (jeu de mots) pour ranger les composants ou bricoler un baffle rempli de laine de roche.
L’antenne UHF traînait par là et suffit pour capter quelques stations; autre avantage par rapport à un fouet ou un V plus encombrants, elle ne demande pas une fixation plus sérieuse.
Le cadran allait avec le CV, je ne l’ai pas remplacé d’autant que la précision du FM5…
Encore une fois il s’agit de s’éclater en bricolant un truc qui va fonctionner sans trop investir et en recyclant.
Un collègue taquin (qui se reconnaîtra) m’a conseillé de le mettre en vente, convaincu que quelque « radiofole » pourrait craquer sur l’originalité :stuck_out_tongue_winking_eye:
Et si on lançait un concours de la radio la plus loufoque?

ce pourrait être chouette oui … pour faire du loufoque il faut du génie … et ils sont nombreux ici … les génies

2 « J'aime »

Sans bouillir!?

Bon, :je_sors:

ça bouillonne quand meme de temps en temps
:je_sors:

1 « J'aime »

Exemple d’ampli à tubes push pull https://share.google/AKmNCbfH5h6LbG3yy

Ben oui, les composants aussi ça bouillonne parfois…

Pour cette partie du montage, j’ai fait le choix d’une chinoiserie, un récepteur FM mais à tubes… Je ne l’ai pas encore choisi. Donc récepteur hybrides mais construit uniquement avec des lampes.

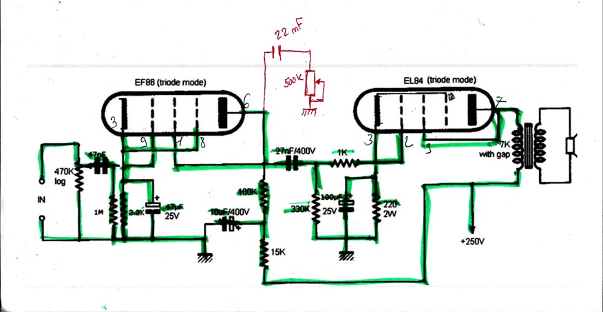
Concernant cette construction, j’ai fait avec les tubes en ma possession. Donc c’est un montage avec une EF86 et une EL84. Ça marche pas mal mais je voudrais quand même pouvoir agir sur la tonalité.

Si s’ajoute le partie en rouge, pensez-vous que ce soit bon ? Valeurs un peu au pif !!!
Merci !

bien quel est le probleme ?

Erreur de rédaction, lire « ça marche pas mal ». je veux juste avoir la possibilité de régler la tonalité.

le reglage de tonalite peut se faire sur l’anode de la preampli , la grille1 de l’ampli de la finale BF ( c’est la meme chose sans la HT plaque)
ou sur la plaque de la finale BF

2 « J'aime »