convertisseur

bonjour

voici le schéma d’un petit convertisseur tht pour un petit crt, il fonctionne trés bien, mais je n’arrive pas à obtenir un siganal sinus, ou carré.
cela ressemble à du signal « ligne »

la question est :

pourquoi mon signal n’est pas sinusoïdal ou carré ?
merci pour vos réponses
convertisseur dg736 001.jpg
conv 1.doc (23 KB)

il s’agit d’un convertisseur dit « flyback » les oscillogrammes relevés sont normeaux, voir ( ça ne sont pas les docs qui manquent) un ch’ti cours sur le principe de fonctionnement d’un balayage ligne de TV.

C’est une espèce de blocking, ça fournit un impulsion HT au moment où le transistor se bloque ; une bobine de Ruhmkorff améliorée.
Sacavis

Il manque des éléments pour analyser le fonctionnement.
Une loi incontournable (dure, mais c’est la loi) dit que la tension aux bornes d’une bobine ou d’un enroulement de transformateur est obligatoirement « alternative » (alternatif → surface de l’alternance positive = surface de l’alternance négative).
Si on comprend que le transistor gère l’alternance positive, il manque les éléments qui gèrent l’alternance négative. oukisson ?

C’est effectivement caractéristique d’un flyback…
Vous n’aurez pas d’impulsions « carrées » au secondaire, même en travaillant en mode dit « discontinu » c’est à dire quand le flux ne s’annule jamais complètement dans le noyau magnétique. Il faut travailler avec un rapport cyclique assez élevé pour cela, et faire attention car on n’est jamais bien loin de la saturation du noyau.
Souvenir d’une odeur de brûlé… :cry:

Le transfert d’énergie entre primaire et secondaire se fait au moment du blocage du transistor (et donc de l’interruption du courant dans le primaire).

Voici une photo de deux courbes prises sur un tel « transfo » (celui de mon testeur d’isolement, qui est un flyback rudimentaire) : au dessus, la base du transistor de commande, en dessous la tension au secondaire (probe en 10/1).
Cette photo a été prise lors des tests, sans aucune régulation de tension.

Une page en français au sujet des alimentations flyback :
http://www.enseirb.fr/~dondon/puissance/flyback/Flyback.html

cordialement
Thierry
signaux01.jpg

pour bien en comprendre le fonctionnement , il faut imaginer le condensateur , parasite , ou bien réel ( cas des anciens allumeurs automobiles à rupteur). Condensateur qui forme un circuit oscillant avec l’inductance primaire.

on voit alors sur les photos précédentes l’entrée en oscillations amorties du circuit oscillant , oscillations qui transmettent alors l’énérgie au secondaires par le principe bien connu du transformateur.

faire attention aussi , si le secondaire n’est pas chargé, à l’amplitude des pics inverses de tension primaire , qui peuvent détruire le transistor.

une diode dite de « roue libre » ou de « flyback » ou , terme que je préfére " de récupération d’énergie" peut alors etre necessaire.

bonjour

la diode « roue libre » insérée entre collecteur et émétteur ( je le suppose ), ou évidemment entre drain et source, servira à protéger le transistor, si j’ai bien compris.

au redressement qui nécessite des diodes rapides, on observe toujours un reste de du signal de découpage, soit environ 50mV pour 6 volts redressés, comment peut on filtrer pour éliminer ce résidu de signal ?
peut-on utiliser des « chimiques » ? si c’est le cas, c’est peut-être la raison du signal résiduel.
je fais un raisonnement à " voix haute " afin de bien apréhender le principe de fonctionnement

il faut bien sur des condos de filtrage au secondaire , voir les alims de TVs qui sont quasi-toutes montées sur ce principe.

des condos faible ESR seront necessaires , une combinaison de chimiques ordinaires et de plastique en // peut suffire selon fréquence et débit :

" la meilleure façon d’essayer , c’est d’essayer…"

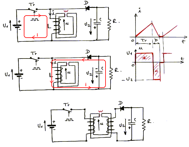
Bonjour,
Je me demande si le mot « Flyback » n’est pas utilisé à tors et à travers. Peut-être parce qu’il n’existe pas une traduction française de ce mot…
Personnellement, je limiterais l’appellation « Flyback » au convertisseur basique du schéma joint. Un transistor + une diode + une self.
Les 2 séquences de fonctionnement sont élémentaire :

  • Transistor passant → courant croissant – énergie W stockée dans l’entrefer de la self.
  • Transistor bloqué → diode passante → courant décroissant - > transfert d’énergie de la self à la charge RC.
    S’il faut une isolation, rien n’empêche de récupérer l’énergie de l’entrefer avec un second enroulement et on arrive au montage du site cité par Thierry Magis.

S’il y a des oscillations, c’est un phénomène parasite qui n’a rien à voir avec la fonctionnement théorique du « Flyback ».

J’appellerais plutôt le montage de JLB, comme le fait Sacavis, une « espèce de bloking » dont on ne peut juger du fonctionnement sans un schéma plus complet. :smiley:
flbk.gif