bonjour les cracks,
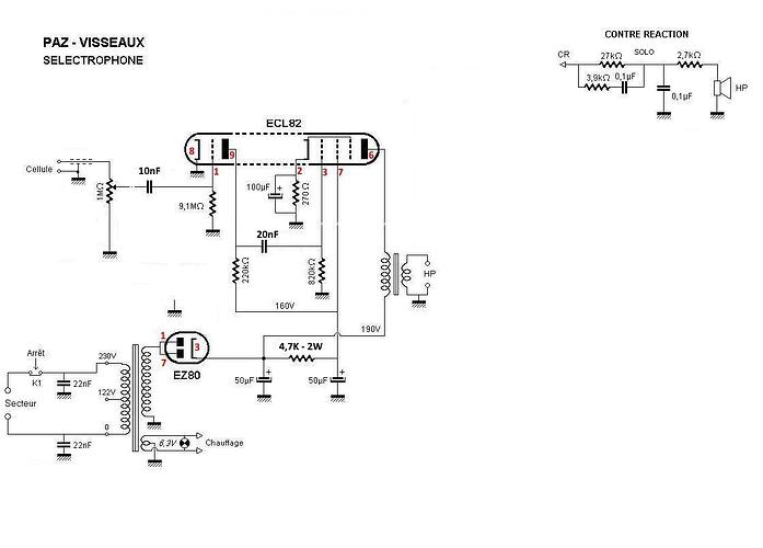
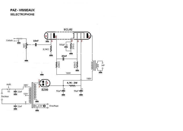
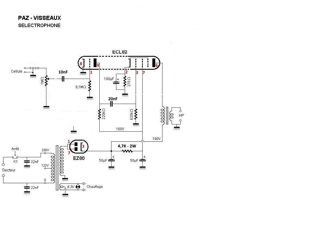
voici un schéma, bien connu des anciens, d’un petit SE avec une ECL82 + EZ80…
ma question : est-il possible d’augmenter le gain de ce petit SE ?
si oui comment faire ?
merci
Chriss
ok, merci Radiolo…
je vais appliquer la suggestion…grosse ou petite augmentation du gain ?
une petit explication serait la bienvenue
j’ai consulté beaucoup de schéma d’ECL82 et il y a beaucoup de disparités, par exemple le schéma ci-joint…la pin 8 n’est plus à la masse mais avec une résistance insérée…
1.5 a 2 on pourra pas faire plus
surveiller la tension anode de la triode elle ne doit pas descendre au dessous de 20 a 30V si non gare a la distortion
la triode avec la résistance d’anode de 220K à un gain de 35db et en la remplaçant par une 470K le gain passe à 36,4db…
Le deuxième schéma avec la résistance de cathode a un gain de 31.6db
elle n’a pas une charge de 220K en dynamique
mais en AC il faut mettre en // la 820K
donc un charge dynalique de 173K
avec la modif on passe a 470K // 1Mo soit 319K
oui tu as raison je donnais le gain sans la 820K
je viens de faire les calculs cela donne avec une charge de 173K un gain de 35.6db et avec la charge de 319K cela donne 36,2db…
ok, merci à tous…
finalement après les modifs le gain existe mais il est minime…
je vais peut-être envisager de lui mettre un petit préamp en entrée…
Il sera dans tous les cas impossible de dépasser le facteur d’amplification de la triode qui est de 70 (36.9dB)
Bonjour,
même si ça ne donne pas plus de gain, on peux augmenter la HT jusqu’a 250V pour avoir plus de réserve de puissance, et avoir une amélioration auditivement .
j’ai déjà essayé d’augmenter la tension mais ça fait grimper le rapport S/B dans une proportion trop importante
Doctsf (Modèles & Marques)
Annonces 


