bazbat
Novembre 15, 2014, 8:19
1
Bonjour , étant tombé en rade avec mon controleur universel digital j'ai ressortit mon vieux Métrix 462C que
j'avais acheté par plaisir et qui ne ma jamais servit.Cet appareil contient une pile varta 74 15 v et une pile
1.5V aussi a quoi sert la varta ? au fonctionnement de l'appareil et la 1.5V a l'hommètre pour le contole de
continuité, je crois que je vais pas trouver facilement car sur toute les photos qu j'ai vu sur internet ne
montre pas les deux bouts de la pile qui sont identiques.Ci quelqu'un a la notice je suis preneur.
merci
Bonjour.
Les deux piles servent pour la fonction ohmètre.
La pile de 1,5V pour les calibres x0,1, x1 et x100.
La pile de 15V pour le calibre x1000.
On trouve encore des piles de 15V chez les photographes.
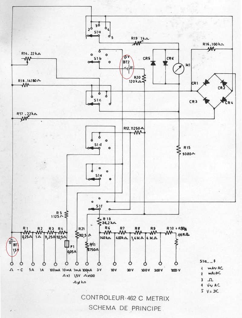
Schéma du 462C. Les deux piles sont cerclées de rouge.
La pile qu'il faut, c'est la V74PX
PILE PHOTO VARTA V74PX
Type Ø x H (mm)-- Capacité (mAh) ---Tension
----- 16 x 35--------------45-------------- 15,0V
equivalents :
Duracel MN154
UCAR 504
Kodak KA74
Ray-O-Vac 220
10LR54
NEDA 220
IEC 10F15
Autre présentation de la “V74PX”.
Il est indiqué sur l’emballage et, aussi, sur la pile: “PROFESSIONAL Electronics”. Il n’est pas écrit “Photo”, mais parmi les 4 symbôles représentés sur l’emballage on voit nettement un appareil photo, une montre(perso, je vois, difficilement, une pile de ce gabarit dans une montre!!!), une calculatrice et ce qui peut ressembler à un détecteur de présence… comme pour les alarmes.
C'est pour cela que Metrix a sorti le 462 H qui utilise une banale pile de 9V!
Olivier
bazbat
Novembre 16, 2014, 6:55
6
Je vais aller chez le photographe, merci a tous et pour le schema et les photos intructives..
Hello ..
J'en ai commandé une au début du mois pour ce même 462C chez http://www.pilesbatteries.com/
PB0206 Pile photo 15V V74PX / MB1541 5.16 € HT 6€19 TTC
Frais de port de moins d'un euros et reçue quelques jours après.
Si des fois le photographe ne l'avait pas ...
Amitiés
Serge
bazbat
Novembre 19, 2014, 5:36
8
Bonjour , oui je crois que je vais faire comme cela , merci serge