Bonsoir à tous, on m’a demandé de tenter de réparer ce poste(voir photos). Il a un jeu de lampes bizarre ECH3, Lampe manquante, 6Q7, 6V6, 5Y3. Je suppose au vu du mélange des lampes, que c’est un récepteur qui date de 1945-1950. Le cadran des ondes est manquant, par contre, le logo du fabricant, une hirondelle(un petit artisan, je pense) porte les indications suivantes: Radio super B.C A. Brayer 77 rue d’Écosse Dieppe. Comment trouver un schéma qui me permette de me pencher sur ce grand malade? Connaissez-vous cette marque?
Si la lampe manquante a un culot octal, c’est une 6K7 (ou une 6M7.)
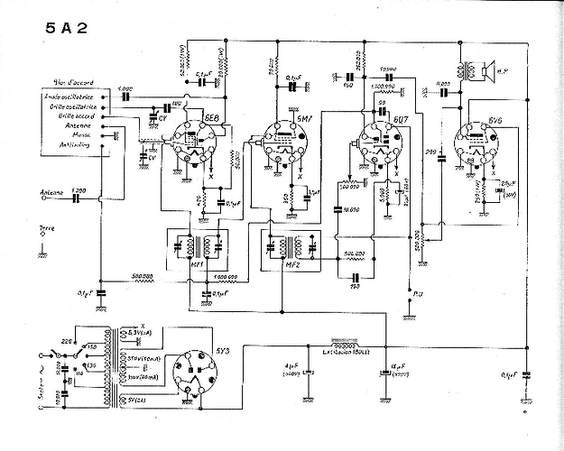
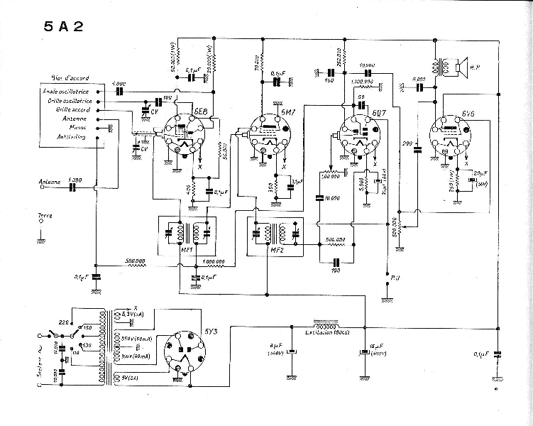
Pour le schéma, c’est facile, prenez un schéma utilisant la série : 6E8 (équivalente de la ECH3), 6K7-6M7, 6Q7, 6V6, 5Y3.
Comme ce schéma Gaudillat :
Bonjour à tous et merci à Pierrot pour ce schéma. Je ne connaissais pas cette équivalence de tubes.
La série continue :
6E8 --> ECH3 --> ECH42
Ces tubes sont identiques, sauf le culot…
Bonsoir et merci Pierrot, je pense qu’effectivement toutes les changeuses se ressemblent (à part le support et le brochage) mais je me demandais si mon poste qui comporte un mélange de tubes de différentes époques datait des années suivant immédiatement 1945 et où il devait y avoir pénurie de pièces détachées. Qu’en pensez-vous?
Il y a des changeuses très différentes, telle la ECH81, ou la 6BE6 ou la 6A8 plus ancienne…
Je pense que votre poste date des années 1948-1949, la grande époque des postes d’artisan avant que les usines des grandes marques ne redémarrent.
Doctsf (Modèles & Marques)
Annonces 



