Identification d'un poste TSF

Merci pour tous vos retours.
Je vais suivre vos conseils et je vous ferai suivre l’avancée de la restauration.

Concernant la barrette avec la bande de papier, il n’y a pas de composant monté en dessous, mais des traces d’étain sont présentes à l’endroit où des composants semblent manquer pour certains d’entre eux. Ils ont peut-être été démontés ?
Voici une image du circuit d’amplification FI plus nette.

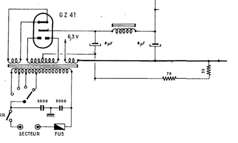
ce n’est pas la FI mais l’alim
la FI c’est ici

a mon avis ce poste n’a jamais fonctionne
et ce ne sera pas un cadeau a depanner
on a a mon avis tente de raccourcir les connexion en deplaçant les composants de la barrette au plus pres des lampes
reste a savoir si cela a ete un succes ou non
et pour couronner le tout il semble que ce soit un polarisation par le moins ( corps des condensateurs de filtrage isoles du chassis)

2 « J'aime »

Ok merci de la précison (je ne suis pas un grand expert des postes radios anciens)

tu sais relever un bout de schema ?
faire celui de l’alimentation pour au moins comprendre quoi sert le tubulaire alu en pendouille collé a l’autre
cela doit ressembler a cela


ou cela

Oui, j’ai déjà fait du schéma dans l’automobile (faisceaux de calculateur). Avec de la patience et du temps, je pense que ça devrait le faire.

1 « J'aime »

je t’ai donne deux exemples d’alimentation
celle de ton poste doit corresponde a l’une ou l’autre

Merci bien

Bonsoir,

Tout d’abord, bonne année 2026.

Je sollicite votre aide car je suis actuellement en train de faire l’inventaire des condensateurs en vue de leur remplacement (uniquement les électrochimiques, ainsi que ceux à huile et papier goudronné), ainsi que de la réalisation du schéma du poste.

Malheureusement, je n’ai aucune idée de la capacité de ces condensateurs(aucune inscription présente, ceux entourés en bleu). Auriez-vous une méthode pour les identifier ? Et si cela n’est pas possible, par quels types de condensateurs pourrait-on les remplacer ?

Je vous remercie par avance pour votre aides.

Bien cordialement,
Sasha

C’est pas des condensateurs
ce sont des resistances
la lecture se fait dans l’ordre
corps 1er chiffre
bout 2eme chiffre
point multiplicteur
suivant le code couleur des resistances

Bonjour,

Oui, ce sont des résistances et pas des condos

Pour le code (ou les codes) couleur , voir cette page web, très complète, montrant les différents codes couleurs rencontrés :
https://www.sonelec-musique.com/electronique_theorie_resistance_codes_valeur.html

Sloup

Merci pour les infos, je n’ai pas l’habitude de travailler avec les anciens composants.