Bonjour à tous,
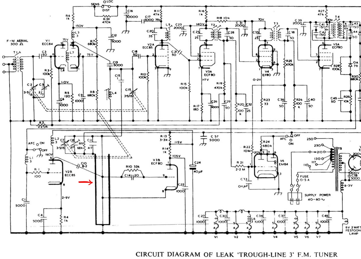
Je veux soumettre à votre sagacité le circuit du récepteur FM LEAK TROUGHLINE III. J’aimerais savoir en quoi consiste le rôle du petit cylindre traversé d’un câble, qui figure sur la photo et qui est symbolisé sur le schéma par un long U. Je n’ai pas retrouvé ce type de dispositif, sur des récepteurs du même genre et de la même époque. Alors à quoi cela peut-il bien servir ?
Merci d’avance
Bon après midi.


C’est le dispositif qui a donné le nom à ces tuners : trough-line = ligne à cavité (trough = cavité) 
Tout est expliqué là : theartofsound.net/forum/showthre … -a-History
(avec même la photo de l’objet sur la table)
En gros c’est une cavité résonante 1/4 d’onde qui permettait une stabilisation de la fréquence, malgré la variation de température, et ce sans asservissement (AFC). Je pense que ce sont les seuls à avoir fait ça…
amicalement
Il fallait lire entre les lignes, mais en anglais ! 
La prochaine fois je chercherai mieux. 
Un grand merci !