Bonjour,
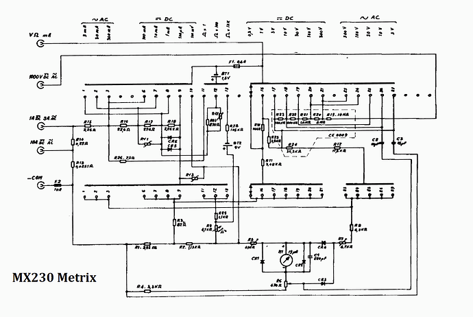
Je recherche pour remettre en état mon Métrix MX 230 une photo ou
un schéma d’implantation des composants du circuit imprimé , j’ai la liste des composants mais je
ne sait pas ou ils se situent géographiquement. ![]()
Merci.
Christian .
Bonjour,
Merci Schoser pour le schéma, mais je n’arrive pas à repérer sur le schéma ce qu’il y a sur la photo.
Cet appareil à été réparé au niveau des schunts, mais en bas de la photo une résistance est cramée et
ne sait pas déterminer sa valeur, l’autre résistance couleur moutarde est cramée mais à gardée sa valeur.
Pour ce quui concerne les potentiometres je ne sais par qui est R1,R2,R3 .
ci-joint une photo du circuit imprimé.
Merci encore,
Christian.


Bonjour Christian,
Ci-joint un Document d’implantation, en mauvais état, en espérant que cela puisse te dépanner. !
Voir :

Désolé de ne pouvoir faire mieux.
Amicalement,
à Schoser,
Merci, je vais quand même pouvoir me repérer grace a cette implantation.
Bon dimanche.
Christian
Doctsf (Modèles & Marques)
Annonces 