Mise à niveau entrée tape, Beomaster 1900

Bonjour, sur les Beomaster 1900, le niveau sonore avec l’ entrée Tape est un peu faible, ces entrées sont prévus pour 220mv, un peu loin des 150mv habituels, peut-on modifier ce circuit;


pour remonter le niveau Tape, et l’ adapter à 150mv ?

l’etage d’entrée est un emetteur suiveur gain # 1 pas moyen d’augmenter le gain de cet etage
il faut voir ce qu’il y a apres peut entre en diminuant la 4,7K mais cela depends de ce qu’il y a apres le 4.7K

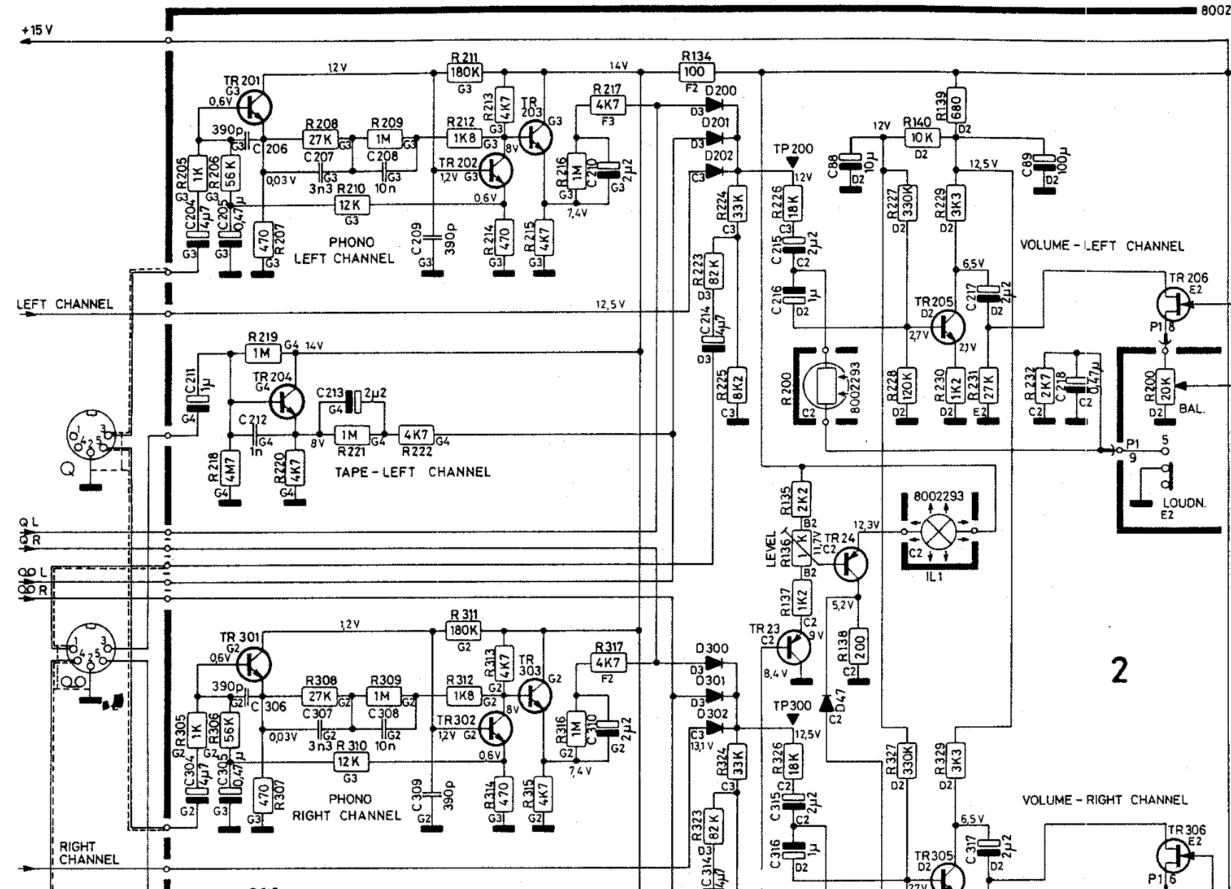
Après R 4K7, on arrive sur des « diodes », qui sont , à mon avis, des switchs, il n’ y a pas de sélecteur mecanique, et à la sortie des ces « diodes », on à un tronc commun, volume ( pas mécanique non plus), et balance.., les entrées "left/right channel viennent du tuner.

vu l’impedance d’entrée de ce qui suit cela ne fera pas gagner grand chose 2% pas plus
idée a abandonner

Bonsoir.
Ou alors shunter toute la partie qu’il a entouré en rouge et mettre un simple pont diviseur avec peut-être une capa en série avant le pont ; tout dépend de si ses sorties de son magnéto sont déjà protégées par une capa.
C’était une simple suggestion.

Bonjour, tu peux booster le gain de TR205 (et TR305) en remplacent R230 par deux résistances de 560 ohms en série , et tu découple la résistance du bas (celle qui est a la masse) par un condo de 22µF (22 à 47µF) en //.

Bonsoir.
Ou solution suivante pour l’entrée magnéto :s’il n’y a qu’elle de concernée un schéma


d’entrées « the Link préamplificateur passif » Elektor :

Re-bonsoir.
Un autre schéma « The Préamp » toujours Elektor, avec pont diviseur 2,2k et 47k à la masse :

Bonjour, alors désolé, mais je ne vois pas trop de similitudes entre les 2 schémas ci-dessus, et le mien, d’ ailleurs, dites moi si je me trompe, pour moi ce schéma sert juste à ajouter une composante continue, nécessaire à l’ attaque des diodes.
Est ce qu’ en remplaçant le condo 1uf chimique, par un condo à film, genre Epcos 1uf/63v MKT, qui à une impédance bien plus faible, on y gagnerait pas?
J’ enverrais bien un signal de 220mv sur l’ entrée tape, pour voir ce qu’ on a à la sortie de R 4K7, mais je vous ai fait cette demande pour répondre à la question d’ un copain, et là, j’ ai un autre appareil en chantier, et démonter un Beomaster 1900, ça prend un peu de temps, du coup, pas de suite, mais je compte bien m’ intéresser à ce sujet.

Bonjour.
Excusez-moi de m’être fourvoyé, les 2 schémas ponts diviseurs sont pour des entrées /sorties « normalisées »en ce qui concerne les niveaux magnéto.
Sur le schéma du Beomaster, c’est vraiment spécial. Je n’avais pas vu la porteuse 12V en entrée/sortie des 1n4148.
Le Tr 204 est un bc549C donc théoriquement à grand gain.ca serait peut être à vérifier.
C211 et C213 sont remplaçables par des wima mks100V qui ne prennent pas trop de place.
Vu dans le manual service sur elektrotanya, Sortie enregistrement 100mV,
Alors qu’il est indiqué entrée 200mV.
S’il y a le même problème sur les 2 voies en entrée tape, alors le problème viendrait du niveau de sortie du magnéto.

TR204 est un montage collecteur commun
et un collecteur commun a un gain voisin de 1 quel que soit le gain du transistor
c’est facile a verifier avec un scope que la tension BF sur sa base est egale a la tension BF sur son emetteur

Bonjour.
Ok, compris.
Mais il faudrait peut-être qu’il intervertisse avec les autres sources tuner cd pour voir si le problème persiste

OK ! C’est un buffer adaptateur d’impédance gain 1 !

Alors ce n’ est pas pour mettre un magneto B&O, mais plutôt une entée line standard, CD, ordi, téléphone…, et les 2 ou 3 que j’ ai, qui fonctionnent ont également ce symptôme, c’ est bien que le niveau line (150mv) est plus faible que celui prévu par B&O (220mv).
Un Wima, pourquoi pas, mais peut un problème d’ encombrement, j’ ai un ESR plus faible avec un 2,2uf Epcos


Mais combien on gagnerait ?, c’ est un test à faire..

a mon humble avis rien du tout
sauf si la capa existante est morte ce qu’un coup d’oscilloscope confirmera immediatement

1 « J'aime »

En passant, votre avis; est-il préférable, pour la qualité du son, de mettre un Epcos, ou Ero, ces petit MKT, à la place d’ un chimique du style Elna Silmic, Nichicon Muse… ?

Même un condensateur à 1000€ pièce ne va absolument rien changer.
Et si la source est du flux numérique compressé, quel que soit l’ampli qui suit…

J’ ai changer, sur tout ces appareil les 97 condos, qui vieillissent mal sur ces appareils, ces fameux Roé, les tantales aussi..

Je posais la question de manière générale, pour des amplis honnêtes, avec des sources tel que CD, ou vinyle, et ces petits Epcos ne valent pas plus cher, voit moins, que des chimique de qualité

Si les condensateurs sont HS, évidemment il faut les changer.