merci Jacques pour vos indications ,mais je n’ai pas cette doc
j’ai trouve 2 doc sur internet mais elles ne font pas mention de cette modification
si vous avez ce document il me serait utile d’en avoir une copie reduite au schema ,sinon la ref de la doc
merci
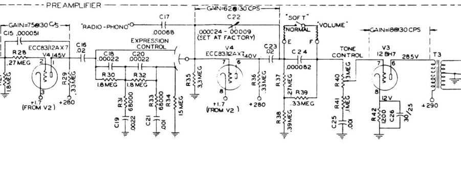
Vici le schéma seul:

sinon j’ai la doc complète.
Jacques
Ci joint les 2 morceaux du schéma général pour repérer les points X et Y du schéma précédent.


Jacques
merci Jacques
je pense m’en sortir avec vos schemas
ca avance …ca fonctionne pas trop mal ,mais il y a quelques problemes en particulier le clavier et le reglage du boitier d’attaque expressive (je suis oblige d’appuyer assez fortement sur les touches ) d’ou j’envisage de demonter le clavier et en meme temps de refaire le cablage…hum

ca fonctionne ,reste un petit probleme de reglage de frappe des touches


Félicitations !!
Dorénavant, je regarderai le mien avec un peu plus de tristesse !
Dominique
Oh que c’est dommage Dominique …a 2 on peut peut etre lui redonner vie…?
Bonjour,
Je suis tombé la dessus par hasard :
lamontagne.fr/auvergne/actua … 55475.html
Pour les contacts de touches, il peut y avoir des métaux rares comme le platine ou le palladium.
Bien se renseigner sur les produits et les méthodes a employer pour nettoyer.
Le platine est aussi un catalyseur de certaines réactions chimiques !
Tx
merci pour l’info …je vais aller faire un tour a Clermont
Bonjour,
Ça y est, je me lance dans la remise en état de mon Ondioline.
J’ai commencé par le plus simple: l’ampli et l’alimentation générale.
Après remplacement des condensateurs et de la valve (qui avait souffert à cause des chimiques qui fuyaient énormément) tout va bien pour ce chassis.
N’ayant pas de 5Z4, j’ai mis une 5Y3GB (avec cathode!).
J’ai réglé le push-pull pour un écrêtage symétrique.
Maintenant, j’attaque le diagnostique du reste.
A priori, la partie électronique (Bloc B) ne me pose pas pour l’instant de difficultés particuliaires.
Les lampes sont bonnes au lampemètre.
Les chimiques ont tendance à fuir ( malgré une tentative de régénération).
Les autres condensateurs (papier) sont à vérifier et même sûrement à changer.
Par contre la partie électromécanique du clavier va me donner du fil à retordre, en particulier la boîte d’attaque progressive!
C’est avec une infinie reconnaissance que j’apprécierais les conseils de ceux qui ont déjà remis leur Ondioline en état de marche.
A suivre…
Jacques Greuet
Bonjour,
Ça y est, je me lance dans la remise en état de mon Ondioline.
J’ai commencé par le plus simple: l’ampli et l’alimentation générale.
Après remplacement des condensateurs et de la valve (qui avait souffert à cause des chimiques qui fuyaient énormément) tout va bien pour ce chassis.
N’ayant pas de 5Z4, j’ai mis une 5Y3GB (avec cathode!).
J’ai réglé le push-pull pour un écrêtage symétrique.
Maintenant, j’attaque le diagnostique du reste.
A priori, la partie électronique (Bloc B) ne me pose pas pour l’instant de difficultés particuliaires.
Les lampes sont bonnes au lampemètre.
Les chimiques ont tendance à fuir ( malgré une tentative de régénération).
Les autres condensateurs (papier) sont à vérifier et même sûrement à changer.
Par contre la partie électromécanique du clavier va me donner du fil à retordre, en particulier la boîte d’attaque progressive!
C’est avec une infinie reconnaissance que j’apprécierais les conseils de ceux qui ont déjà remis leur Ondioline en état de marche.
A suivre…
Jacques Greuet
+1
et j’ajouterais:
ni semi-conducteur.
c’est en plus un bon isolant
Bonjour à tous
Les années 1953/54 j’ai fait un stage chez Monopole à Montreuil où ils fabriquaient l’ondioline, et le souvenir que j’ai des contactes en maillechort argenté où l’étain coulait très vite pour faire une soudure qu’il ne fallait pas loupé…
Monopole travaillait en collaboration avec Intervox où j’étais avant , il est possible que ce soit ses derniers qui fabriquaient l’ampli… ???
Je ne suis pas musicien mais des souvenirs de cette époque .
Cordialement
Roger
Bonsoir,
Georges Jenny précise qu’il s’agit bien d’amiante dans un brevet (N°273101) déposé en Suisse en 1947 dont voici un extrait
Figure.pdf (139 KB)
Texte1.pdf (261 KB)
Texte2.pdf (365 KB)
Par contre la couleur bleuâtre observable sur mon Ondioline laisse penser que l’amiante à subit un traitement, peut-être trempée dans quelque chose comme du sulfate de cuivre?
Jacques Greuet
Bonjour à tous,
Je découvre ce forum avec intérêt puisque je suis en train de rénover une Ondioline, première génération, qui porte le numéro 527. Certainement récupérée par mon père dans une brocante (ou une décharge), car elle est en très mauvais état : Des éléments un peu de partout, des pièces cassées, tordues ou manquantes, mais l’essentiel de la caisse est en bon état. Je ne suis pas musicien, mais amateur de musique, bon bricoleur et une certaine pratique de l’électronique … pas à tubes au départ. Voilà pour la présentation.
Pour la rénovation,(fin 2022 début 2023) avant toute mise sous tension, je change tous les condensateurs (sauf les condensateurs au mica), je remonte tant bien que mal le clavier tout démantelé puis je mets aux normes électriques.
Premier essai, l’ampli fonctionne correctement, l’oscillateur génère des sons bizarres et aucune note ne se suit !!!
Après de nombreux essais non satisfaisants, j’opte pour une solution qui apporte une très bonne dynamique aux attaques, au maintien ou à l’évanouissement avec une pression modérée sur les touches … très agréable. !
Je peux fournir toutes informations sur le dispositif que j’ai employé, avec tous les détails utiles.
La chaine de résistances clavier était complètement désordonnée, je l’ai totalement refaite en respectent des tolérances inférieures à 0,5%, mais les accords ne sont pas bons et non linéaires.
Février 2025 je me remet à l’amélioration de cette Ondioline, parce que cet instrument me plait et aussi parce qu’il représente une valeur (financière et affective) : des environs de 3000 € à plus de 1200 €, selon l’étant de fonctionnement, avec une caisse en bonne conservation.
Je peaufine le module Oscillateur/Timbre, avec quelques améliorations, qui maintenant sonne bien, puis je me remets au clavier. De nombreuses mesures de fréquence attestent de la non linéarité : J’ai fait une grossière erreur dans le calcul des résistances clavier, valeur calculée de résistance par touche, alors que c’est la valeur des résistances série pour la touche considérée. Je dois donc refaire calculs et nouveau câblage.
J’ai aussi refait la corde de percussion avec réglage de la tension de corde.
Au plaisir de lire vos réponses et à bientôt pour une nouvelle discussion.
Bernard.
Bonjour,
Je reviens sur cette discussion pour apporter quelques précisions sur la boite d’attaque telle que je l’ai modifiée. Toutefois, je dois poursuivre mes investigations pour en faire une description détaillée.
Elle diffère en divers points importants de la boite d’attaque initiale, particulièrement dans son principe, bien que très peu modifiée mécaniquement.
Elle se comporte comme un POTENTIOMÈTRE CAPACITIF.
Caractéristiques :
- Résistance d’entrée par rapport à la masse : supérieure à 50 MΩ
- Capacité d’entrée par rapport à la masse : 117pF à 122 pF
- Résistance de sortie par rapport à la masse : supérieure à 50 MΩ
- Capacité de sortie par rapport à la masse : 88 pF à 94 pF
- Résistance entre entrée et sortie : infinie
- Capacité entre entrée et sortie : 52 pF à 57 pF
Toutefois, ces mesures sont incomplètes et ne suffisent pas à expliquer le fonctionnement sur le plan électrique. Un phénomène particulier se produit, consécutif aux modifications que j’ai apportées par approches successives.
Inconvénients :
- Boitier mécanique conservé trop encombrant
- Retouches mécaniques de la palette mobile délicate
- Incompatible avec un courant continu (sans objet pour notre application)
Avantages :
- Dynamique du signal bien supérieure à la boite d’attaque d’origine
- Progressivité de l’amplitude proportionnelle à l’enfoncement de la touche
- Absence totale de crachement
- Force d’appui sur la touche modérée
- Pas d’amiante ou produit similaire aux propriétés incertaines et instables
- Très bonne fiabilité dans le temps, pas d’usure de pièces ou de composants.
Un brevet, pour un dispositif ne présentant pas un intérêt commercial, n’est pas justifié. C’est pourquoi, après analyse et mesures complémentaires, je proposerais une description détaillée pour que les personnes intéressées puissent réaliser efficacement cette adaptation.
L’Ondioline ayant la côte actuellement, devenue très rare, seulement quelques dizaines en fonctionnement dans le monde, n’hésitez pas à vous lancer dans des améliorations.
Pour ma part, j’ai un problème de linéarité des tons, le rapport entre octaves n’est pas de deux, et surtout, n’est pas constant entre les 4 Sol du clavier.
Si quelqu’un peut m’aider, je l’en remercie.
Musiciens, techniciens, collectionneurs ou simple amateur de musique, n’hésitez pas à me laisser vos commentaires.
Bernard.
Bonsoir à tous.
Petit rappel car beaucoup d’anciens connaissent les renseignements qui suivent concernant un appareil extraordinaire pour l’époque.
Une série d’articles sont parues sur TOUTE LA RADIO à partir du N° 198 de septembre 1955. Articles signés Georges JENNY.
Premier article : initiation à la lutherie électronique. De la page 289 à la page 294. Ces articles concernent l’ONDIOLINE.
La couverture du n° 198 représente G. JENNY travaillant sur son ONDIOLINE.
Bon courage pour vos restaurations.
Doctsf (Modèles & Marques)
Annonces 



