Oscilloscope Tektronix 326 - 40 Euros

Bonjour. Ce petit oscillo n’a pas une grande bande passante ( 10 MHz ) mais parfois suffisante. C’est un double trace. Dim : 10x22x31 cm il tient donc peu de place. Son poids : 6 kg Il manque les deux petits boutons ( voir photo )

J’ai hésité à le mettre en route, car je n’ai pas bien compris son mode d’alimentation : à l’arrière se monte un genre de bloc secteur qui ( je suppose ) remplace des batteries extérieures. Il doit donc fonctionner sur secteur et sur batteries. Je n’ai pas la notice.

Voici quelques photos. Le prix souhaité est de 40 euros, avec le port inclus.

1 « J'aime »

Bonjour,
je ne suis pas intéressé mais il faudrait des photos plus générales et la référence de l’oscilloscope. Je ne vois toujours pas de quel modèle il s’agit…
C’est de la génération du Tektronix 5031, on retrouve les mêmes boutons et la même conception interne. Donc autour de 1970.

1 « J'aime »

peut etre ce modele
Tektronix 326 Portable Oscilloscope

2 « J'aime »

Je venais d’arriver à la même conclusion…
Joël a toujours du mal à faire des photos générales. On voit des bouts, mais jamais l’ensemble !
Il doit manquer de recul…
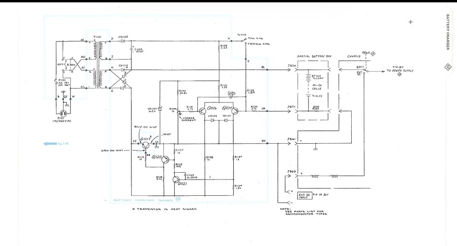
Donc toute la documentation de maintenance disponible, pas trop difficile à dépanner si les quelques composants critiques ne sont pas en défaut. Oscilloscope sympathique pour qui a un peu de temps libre s’il est en panne !
Présence des capots (la photo générale, encore…) ?
Le test avec une alimentation extérieure autour de 12V est facile. Et avec un peu de chance, il fonctionne !

1 « J'aime »

Salut Hervé, et tous . Merci pour vos remarques. Oui, j’ai complétement oublié la référence : il s’agit bien du 326 comme indiqué par Radiolo.

OK pour les photos. Oui, j’ai toujours pensé que des photos de détails étaient plus explicites qu’une vue générale. Mais je peux faire toutes les photos qu’on veut, évidemment.

pour ta peine tu fera la fiche de cet appareil
et pas d’excuses du style je ne sais pas faire

3 « J'aime »

Les photos de détail sont intéressantes, mais ne dispensent pas du besoin d’une vue d’ensemble. :wink:

3 « J'aime »

La question se pose aussi de la présence ou non de ce bloc secteur ! Même si une simple alimentation 12V suffit, genre bloc actuel à découpage.

Bonjour, le bloc alim ressemble à ça, mais non indispensable.
Image issue de cette vidéo.

Par contre le bloc batteries et à dévisser pour regarder l’état des piles.

C’est plus un chargeur qu’une alimentation. Aujourd’hui, sachant qu’une alimentation 12W (de mémoire) 9 à 36V convient, on a l’embarras du choix.
Cet oscilloscope est tout mignon, et 10MHz, avec les valeurs réelles de balayage et d’amplitude des entrées, convient parfaitement pour pas mal d’usages aujourd’hui. Et vaut largement mieux que beaucoup d’oscilloscopes basiques que l’on trouve sur lbc. En savoir un peu plus sur l’état serait un plus. Si j’avais le temps…

Oui, il fait les deux, chargeur et alim.
Quand Joel aura fait la fiche :wink: je rajouterai le manuel.

J’voudrais bien, mais je peux pas : J’ai Grand Frais ! :grinning_face:

2 « J'aime »

C’est vrai. Mais on peut aussi faire un tour sur le net si on veut savoir à quoi ressemble l’engin. Ce n’est pas trop difficile. On peut aussi demander gentiment si on ne pourrait pas avoir une ou deux photos d’ensemble. En ce qui me concerne, il suffit de le dire si on est intéressé. :grinning_face:
Il y a ça aussi. C’est pas trés joli, mais ça peut aider :

Eric, dés le début de la conversation, a également posté un message intéressant, avec plusieurs photos couleur.

1 « J'aime »

Vu qu’il est en photo, il devrait ( en principe ! ) y être ! :grinning_face:

Oui, mais il faut reconstituer le puzzle… Et je n’arrive pas à positionner toutes les photos.Celle du bloc doit être celle avec le gros radiateur. Une photo globale de l’engin, toujours…
On devrait vendre les voitures de cette façon, surprise à la livraison…

Bonsoir,

Je crois que c’est plus simple de la faire moi-même et avec les photos correctes d’une vente eBay où on voit l’appareil dans son ensemble … :wink:

1 « J'aime »

Pensez-vous qu’un débutant pourrait si besoin règler l’appareil ?
Puis pour apprendre, le prix cela me semble une bonne affaire.
Reste a trouver une alimentation, mais ça n’est pas le plus dur.

1 « J'aime »

Le bloc est fourni, il fait partie des pièces du puzzle…
En revanche, on ne connaît toujours pas l’état.
S’il fonctionne, c’est très bien même pour un débutant. Mais si en panne, ce n’est plus l’affaire d’un débutant.