Bonjour à tous,
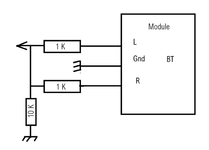
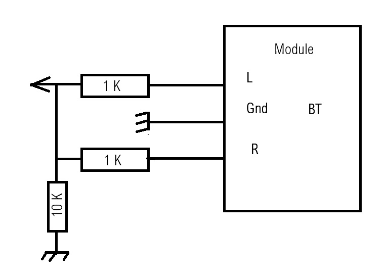
Suite au montage du MiniTX j’ai remarqué que le module BT ou FM passait du stéréo en mono avec un montage de résistances. Lors de mes précédents montages pour attaquer la prise PU, je me contentais de prendre soit le signal en L ou en R et d’attaquer directement l’entrée PU (ça fonctionne bien).
Est-ce important de placer la combinaison de résistances et y a t-il un risque pour le montage sans résistance ?
Merci !
Doctsf (Modèles & Marques)
Annonces 