J’ai déjà fait qques mesures notés dans mes commentaires précédents mais ne sais pas si normal ou non?
Il y a beaucouo de tensions differentes sur ces cartes, vos consignes sont un peu vagues pour moi qui n’ai pas l’habitude des TV. Serais ce possible de me pointer précisemment les points de tensions qui concernent le signal VERT et sur quelle(s) carte(s) elles se trouvent et je ferais les mesures de suite?
oui je l’ai fait et qquesoit la position du bouton la teinte reste la même donc ce ne vient pas de ça.
Ici, on a à faire à un TVC 7, sorti en 1978-1979, avant la Péritel, et les commutateurs AN/NN ( millesimme 1980 avec Péritel), et TV/AV( millesime 1981/1982 )
C’est pas par là qu’il faut qu’il cherche. La position de cet inter ne changera rien à son problème.
C’est en priorité sur la carte d’alimentation et ensuite sur la carte chroma.
Tu n’as noté aucune mesures.
Je ne vois rien
cliquer pour agrandir l’image
J’ai mesurer ceci
Et aussi ceci
Merci je vais jeter un œil
Hello, J’ai fait quelques mesures sur la cartes chrominance, les alimentations semblent conformes au schéma.
Par contre, j’ai un 2V à la place de 3V sur le fil vert du connecteur de bas de carte mais les autres tensions sur les connecteurs de bas de cartes semblent correctes.
J’ai aussi relevé des tensions qui ne correspondent pas à celle du schéma sur le connecteur au centre de la carte, seul le 2,6V est ok, pas de 70V mais plutôt 20V…
Que pensez vous de ces mesures? L’une d’elles pourrait expliquer l’absence de vert?
Bonjour Fab,
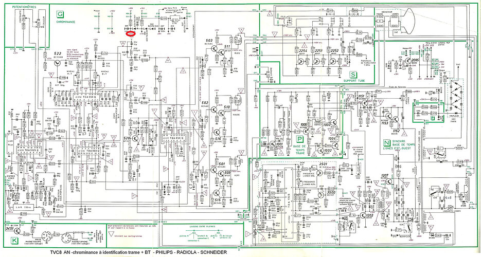
Le 70v est certainement une erreur que j’ai pu constater en dépannant mon tvc7.
Il y a bien 22v sur la broche 3 de ce connecteur.
je l’ai entouré en rouge sur le schéma qui suit
Ha oui ok, dommage ça aurais pu être une piste, du coup il reste le 3 V sur le fil vert qui ne fait que 2V, penses tu que c’est une piste pour l’absence de vert?
Salut, Comme je l’ai noté dans mon commentaire plus haut, les alimentations situées sur ce connecteur sont conformes au schéma (mesurées au voltmètre)
Ok je regarde ça dès que j’ai un moment merci
Doctsf (Modèles & Marques)
Annonces 



