Prestige PKS 128

Bonjour

j’ai ce boombox sous la main pour réparation mais je n ‘est pas son schéma ( si quelqu’un en a je suis preneur , merci )

voila ce que j ‘ai trouve comme panne

et voila le CI après extraction

ma question qu’elle est la référence de ce CI ? je pense que c’est un ampli mais je ne connais ni ses tensions , ni ses pins , ni sa puissance de sortie , pour le remplacer….(par quoi ?)

aidez moi SVP , car je seche

Merci beaucoup

Bonjour,
Qu’est-ce qu’il s’est passé avec cet appareil et qu’est-ce qui a coulé?
Les chinois ont l’habitude d’effacer les références des composants.
Avec un peu de chance, le schéma a été pompé sur de l’existant.

Ce CI c’est certainement le BA 536 ampli son stéréo
BA536.PDF (132,5 Ko)

1 « J'aime »

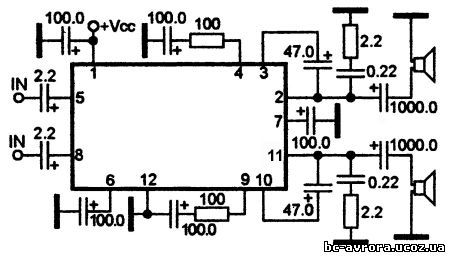
Le BA536 est un ampli stéréo mais quid de celui dont le marquage est effacé?
Voici un schéma autour de ce C.I, ça doit s’en approcher sur votre appareil.

Bonjour,
Sur la première photo du CI, la référence est cachée par de la colle (neoprene?) “cuite”.
Pareil pour les condos, cela pourrait ne pas être représentatif, et certainement pas indice de la panne…

Trop tard, c’est déjà dessoudé et décidé.

Bonne suite dans ce dépannage.

1 « J'aime »

Ah bon ?

Quel circuit effacé ? Il n’y en a qu’un seul, vu de face et de dos ?

Bonjour,
Je n’avais pas percuté! :laughing:

grand et gros merci pour vos lumineuses réponses , pour la genèse de l”affaire voila ce que j’ai vu avant de démonter la bête
-l’appareil ne fonctionnait que sur FM(réception bonne) mais les autres gammes appart un son de bruit blanc rien

-j’’ai soupçonne un problème d’alimentation secteur alors j’ai branche une alimentation DC sur les cosses des piles 12V 3 A , la l’alim a chute a 3, V

-j’ai fais une prospection cote radio rien

-une autre recherche cote K7 et la je suis tombe sur çà , j’ai allume et au touche ce CI été très chaud au touche …(j”ai remarque que ce circuit n”avait pas de radiateur est ce normal )

-j’ai enlevé le CI et j ai tente le teste avec l’alim DC … la toute est normal (12V , et 0.4 A )

voila je vais voir si j”ai un BA 536 et je vous tiens au jus

Merci beaucoup

Curieuse façon de procéder à un dépannage.
Si l’appareil fonctionnait en FM et sortait du bruit sur les autres gammes, alors le BA536 n’est pas en cause.

Bonjour janpolanton

oui , effectivement curieuse panne ( quand a la manière je n’ai fais que suivre le symptôme de la chauffe du CI et la chute de la tension DC ) ..comme je l’ai indique quand j’ai enlevé le CI plus de chauffe! , plus de chute de tension DC ! …. je vais revoir tout çà ce W-E en espérant peut être que le CI n’a pas pris un coup

merci encor pour tout

Il y a peut-être un accrochage au niveau de l’ampli. Dans ce cas il chauffe et ne sort rien en BF. Vérifier les capas autour.