Protection NiMH contre la sur-décharge

Merci pour ce message !

En effet les LiPo est une possibilité très intéressante du point de vue encombrement et protections intégrées pour l’utilisation.

Au début je me suis orienté vers les NiMH pour sur des critères simplistes mais je me rends compte que j’ai mal évalué les contraintes quand on les met en serie surtout en besoins de protection à l’utilisation (décharge et charge).

Du point de vue encombrement c’est bon.

C’est la carte BMS individuelle sur chacune des piles et leur enchaînement le sujet de mes interrogations.

Les questions que je me pose :

  1. Si on peut les mettre en serie et enchainer leur petites cartes de BMS ?
  2. Le chargement en serie (24S) est-ce possible ou je dois les recharger individuellement ?
  3. Enfin, le dispositif de rechargement 24S qui risque d’être un peu plus compliqué que pour le NiMH en serie à faible courant constant sans arrêt.

Si tu as des conseils ou des remarques je suis preneur :pray:

C’est un fait à prendre en compte.

La question de la recharge en série se pose, car le BMS va interrompre le courant une fois la tension FDC atteinte, mais il n’est pas certain qu’il by-passe réellement la cellule.
Quand j’étais en activité, j’ai conçu et fabriqué des centaines de by-pass pour la charge des cellules lithium en série en labo.
Le principe est de dériver le courant de charge une fois la tension FDC atteinte, vers un transistor ballast ou une résistance pour permettre de continuer la recharge des autres cellules.
Le by-pass a une tension de basculement réglable entre 3,9 et 4,2V.
Il doit être dimensionné pour absorber complètement le courant de charge
Il faut que je vérifie avec les cellules Lipo dont je dispose, si le mode by-pass fonctionne, le courant ne doit pas devenir nul en fin de charge, il est simplement absorbé par le by-pass.

Je vais faire l’expérience, mais je ne crois pas que ce mode fonctionne avec les Lipo, aucun élément capable de dissiper du courant n’est visible.

Dans ce cas, on ne peut pas charger complètement les cellules en série, à moins de s’assurer de leur parfaite homogénéité.

Cdt,
Gérard

1 « J'aime »

Merci pour cette analyse. Je crois que je vois bien comment ça doit fonctionner le bypass. Quand une cellule est chargée on doit la sortir de la chaîne et simuler en quelque sorte sa présence pour continuer à charger les autres aux mêmes tensions comme avant.
Si la petite carte BMS des LiPo est celle à base de DW01 et FETs (voir message #13) alors je crois que ça ne sera pas possible de charger en série correctement comme tu l’as expliqué. En plus il peut aussi avoir de la casse au niveau des BMS car les FETs qu’y sont employés peuvent griller… :thinking:

:pray:
Le bypass doit se faire sans doute pour les batteries des trottinettes, bagnoles etc mais pour des petits lipos de 500mAh je doute puisque leurs applications cibles ne nécessitent pas de les enchaîner…

Je suis un peu déçu car j’ai croyais avoir enfin convergé à une solution sans complications…

Je vais continuer à regarder.

Bonjour,

Vous avez pas peur, les gars ! En prônant le « tout lithium » !

(C’est peut être plus performant, tant que tout va bien …Mais personne ne semble s’inquiéter de la perspective …De devoir un jour appeller les pompiers ?)

Pour moi c’est juste une option à explorer dans la recherche d’une solution simple et économe de remplacement des piles dans les postes portatifs.

J’ai voudrais bien une fois que je suis entièrement satisfait de la solution à base de NiMH (il me reste de mettre le dispositif de protection contre la décharge excessive) de travailler sur une solution LiPo.

Pour cela il faut avoir une idée sur les points à régler :

  • l’encombrement ;
  • l’obtention des tensions necesaires (9V et 90V) ;
  • la gestion des éventuelles interférences rf du dispositif ;
  • le rechargement et la facilité de celui-ci ;
  • la protection contre le déchargement profond ;
  • le cout/autonomie/fiabilité/…

À la fin je voudrais pouvoir comparer les deux technos. C’est tout.

Le lithium est l’évolution des batteries, les gains sont énormes en capacité, réduction du poids et de l’encombrement, rapidité de charge, faible auto-décharge.
Le Ni-Mh est sans doute la plus mauvaise technologie en ce qui concerne les batteries pour appareils portatifs, le Cd-Ni était bien plus fiable, ne craignait ni les décharges profondes ni l’inversion, mais le cadmium l’a tué.
SAFT fabrique toujours des batteries Cd-Ni pour l’aviation et le ferroviaire à ce jour.

Jamais une batterie n’avait aussi bien été protégée contre la surcharge et la décharge profonde que le Lithium, le Lifepo ne représente quasiment plus aucun danger, sauf en ce qui concerne l’énergie qu’il contient, ce qui est commun à tous les types de batteries.

Pour l’application, compte tenu du faible courant, je choisirais sans hésiter un petit convertisseur à transistors avec transformateur élévateur travaillant en basse fréquence pour ne pas polluer.
C’est très facile à réaliser et on peut être très proche du sinusoïdal en plaçant quelques RC judicieusement.
Cdt,
Gérard

Si tu as (ou qqun d’autre) sous la main une référence de circuit pour cela ayant déjà servi de préférence je suis preneur :thinking:.

C’est un moyen de contourner le problème précédemment évoqué de la série 24S et le chargement. Mais cela doit avoir un prix qque part… :thinking:
Merci pour les informations.

On peut utiliser un convertisseur avec transfo contenu dans un ancien éclairage de secours avec tube néon la fréquence de travail est assez basse et le parasitage réduit.
On peut toujours blinder un peu et placer un ou deux RC pour travailler aussi proche que possible du sinusoïdal.

1 « J'aime »

Je n’ai trouvé une qui me semble pas mal…

Les besoins en filtrage/blindage sont qualifiés de légers. À confirmer.

Excellent,
On peut aussi utiliser un petit transfo torique, 2x120V/2X6V sur lequel on bobine deux petits enroulement de réaction de façon à fabriquer un convertisseur auto-oscillant, c’est encore plus simple et moins parasitant…

1 « J'aime »

Là je suis perdu… :thinking:

C’est quoi ces enroulements de réaction ? J’ai beau cherché je n’ai rien trouvé…

Tu aurais une piste à me suggérer ?

il faut que je recherche dans mes dossiers pour être plus précis, j’ai fait ça il y a très longtemps.






1 « J'aime »

Le monde de ces montages resonants est un monde curieux mais très intéressant!

J’ai l’impression que le convertisseur du nom de Baxandall est une option très intéressante comme solution au problème d’utilisation des piles Lipo ou Li-ion pour la génération d’une HT sans ou avec peu de bruit…

Je crois que je vais me chercher un petit transformateur toroïdal chez aliexpress pour faire le test de générer 90V à partir de la batterie de 9V utilisée pour les filaments.

Ainsi je n’aurais qu’une seule pile à recharger/protéger par un module BMS. Je n’ai pas assez de recul pour anticiper si un montage Baxandall règle le problème des interférences RF mais comme le signal ac généré est une sinusoide sans harmoniques j’ai tendance à penser que c’est le cas.

Je crois que cela va dans le sens de ce commentaire fait plus haut :thinking: ?

Le souci de ce montage est que la baisse de la tension au primaire va être directement répercutée au secondaire, et ce sera d’autant plus sensible que la tension de départ sera basse et le rapport de transformation élevé.

On dirait une prophétie de l’oracle de Delphes…
:joy::rofl::joy:

Du coup avec une batterie de 9V 2800mAh en entrée est-ce que je peux espérer 90V et 20mAh en sortie? Et si oui que cela donne au niveau bruit RF ?

Voici les questions auxquelles je vais essayer de répondre dès que j’aurais un moment.
:face_with_monocle:

En cherchant dans les anciens fils de discussion de ce forum on a parfois l’impression que tout a été dit (et redit :wink:).
En effet j’ai trouvé que le sujet a été évoqué ici et ici en 2022.

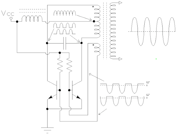
Dans le document référencé

il est question de l’Omega device qui n’est rien d’autre qu’un convertisseur qui ressemble à quelques différences près au convertisseur Baxandall/Mazzilli dont la résonance est due à un circuit LC et pas à la saturation du transformateur. En conséquence le signal au secondaire du transformateur est un sinus et pas un carré. Le doc dit explicitement que ce device Omega ne requiert aucun blindage et peut se mettre à proximité du détecteur AM sans gêner la réception.

Donc c’est une référence très utile et si quelqu’un a eu l’occasion de tester le dispositif Omega son retour d’expérience serait très utile à connaître.

Pour compléter on avait parlé en 2023 d’un dispositif qui met en évidence la problématique des interférences qui nécessite, pour être utilusable dans une radio, un blindage soigné et conséquent.

En regardant ce dispositif de plus près j’ai maintenant l’impression qu’il s’agit d’un convertisseur flyback.
NB : Dans cette discussion dans un forum anglophone le dispositif en question est qualifié d’oscillateur bloquant

Dans la réalisation proposée les transitions sont arrondies mais sans pour autant résoudre le problème complètement vu les efforts additionnels pour blinder le dispositif et le rendre utilisable.

Du coup les dispositifs Omega et similaires à base de ZVS (zero voltage switching) sont une piste prometteuse afin d’envisager une seule batterie au lithium à partir de laquelle on pourrait générer sans trop de complications la tension filaments et la ht dans les postes portatifs.