Bonjour
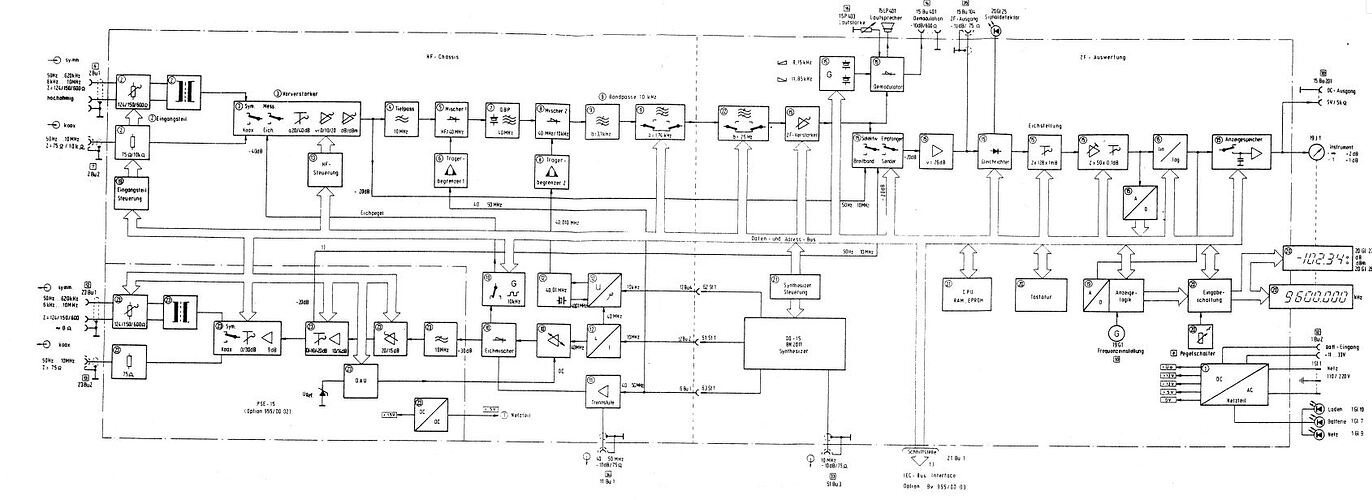
On m’a prêté un level metre Wandel & Goltermann PSM39 sans aucune doc , j’ai bien réussi à le faire fonctionner mais j’aimerais en savoir plus car c’est une usine à gaz ce truc , si quelqu’un avait une doc d’utilisation ou de service.
Merci d’avance
Laurent f4fdw
Bonjour,
pas plutôt SPM ?
perso, j’ai un SPM-15 en panne, j’ai la doc, ce n’est pas une usine mais trois usines à gaz !!!
je crois que les SPM ce sont les mesureurs et les PSM plutôt les générateurs
Non c’est bien PSM , mais ça pourrait être le même RX car le mien a un TX avec tracker en plus.
Ah ok
trouvé le user manual en anglais de 386 pages et le service manual de 184 pages en allemand et sans schémas)
Merci ça va déjà m’aider beaucoup, y a t’il un moyen d’avoir l’AM simplement car c’est pas très clair , je pense qu’il faut rajouter une détection.
Bonjour Laurent
Que souhaites-tu faire avec?
Écouter les GO et PO en priorité et peut être les VLF si il y a quelques choses.
Bonjour,
sur mon SPM-15 qui ne fait que USB-LSB, j’écoutais le broadcast PO-GO tout simplement en me calant au battement zéro
attention au gain et au fading, il n’y a pas de CAG sur ces appareils, faut jouer de l’atténuateur
j’attends de retrouver du courage pour me ré-attaquer à ma panne, jamais vu un schéma aussi compliqué…
bonjour
J’ai fais quelques essais , mais je suis un peu déçu du résultat , sensibilité , LCD non éclairé etc . il y a une position wide band mais aucun souffle pourtant dans la doc il est précisé qu’en wide band cet appareil se comporte comme un RX brodcast.
Bonjour,
le mien en wide band, c’est juste pour mesurer un niveau
et il est muet sur cette position ?
Il me semble bien, mais depuis qu’il est en panne, je ne sais plus trop !
400 pages de doc technique !
Il a quoi exactement ton appareil ? j’ai remarqué qu’ en large bande le signal S remonte à -15 dbm alors qu’il est a -75 dbm en SSB mais on sait pas quelle est la largeur de cette wide bande.
Le mien en large bande fonctionne, l’aiguille monte, mais en réception, juste un leger souffle partout, rien d’autre
et évidemment, en mesurant, une deuxième panne s’est manifestée
et trouvé la doc technique après tout ça
tous les modules sont blindés et soudés sur les circuits imprimés qui s’ouvrent comme des livres
la deuxième panne est une absence de tension provoquée par un signal qui vient de je ne sais où !
deux heure pour sortir le bloc alim…une fois dehors, impossible de mesurer
un jour je m’y remettrai
Ha oui bon courage , j’ai vu qu’un OM avait relevé le schema carte par carte d’un Siemens D2006 dans le grand livre et même fait des modifs pour la détection de l’AM , une bonne base pour ces appareils.
Bonjour,
pour le Siemens, c’était Jean-Claude F2IJ qui avait fait tout ce boulot
je suis au courant, car ce Siemens, c’est moi qui lui en avait fait cadeau !
c’était un retraité de FT qui me l’avait donné
et le pauvre F2IJ qui randonnait en solitaire à 70 ans bien passés a glissé dans un petit canal, tapé la tête et est décédé noyé…bien triste…il était très actif sur nos forums…
Oui , c’est bien lui .
Doctsf (Modèles & Marques)
Annonces 