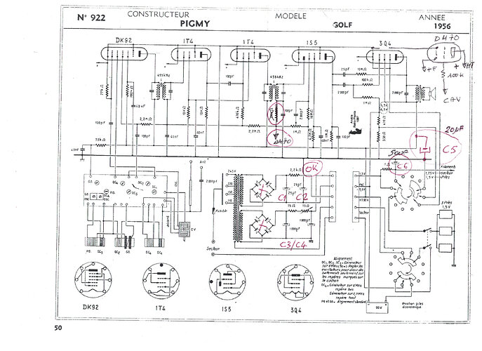
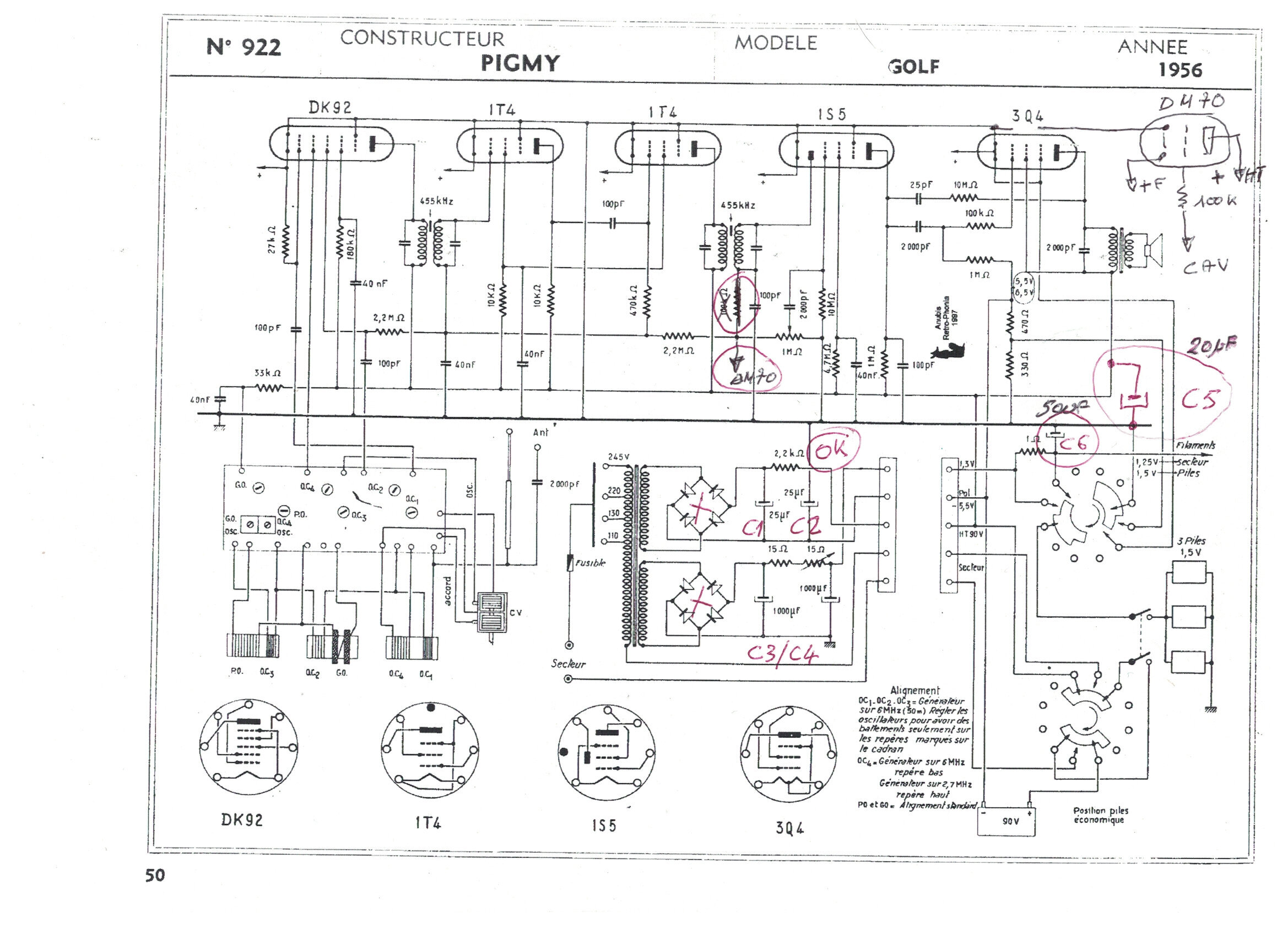
Pendant la recherche de boutons pour notre ami bricoleur de la Manche, j’ai remis la main, sur ce joli poste portatif . Ramené à l’atelier et ouvert dans la foulée, je me suis livré a un rapide examen.
Un aperçu du Pygmy en question.
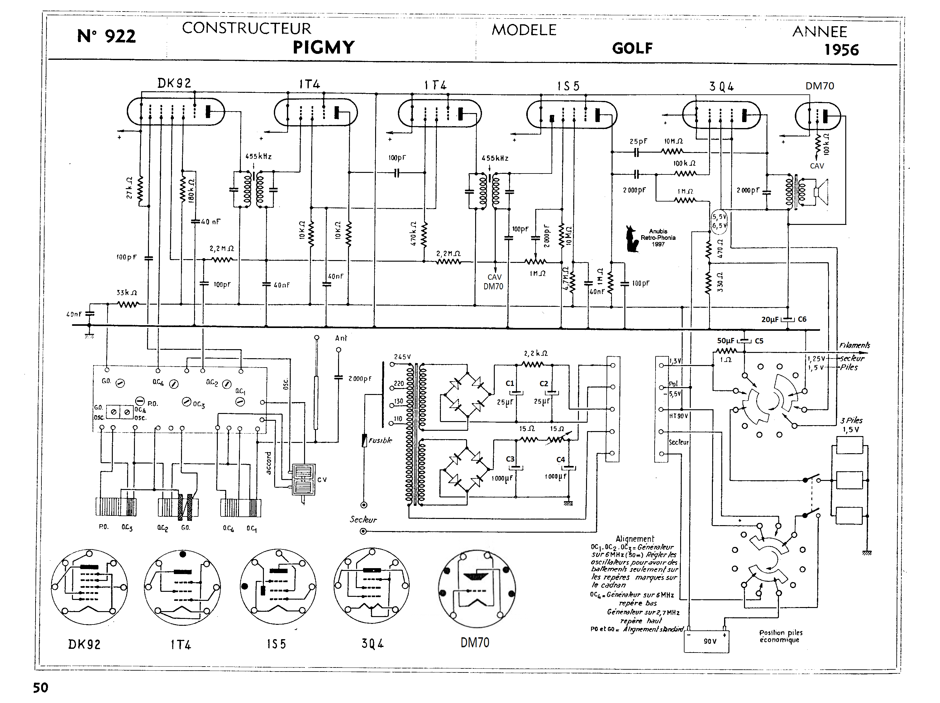
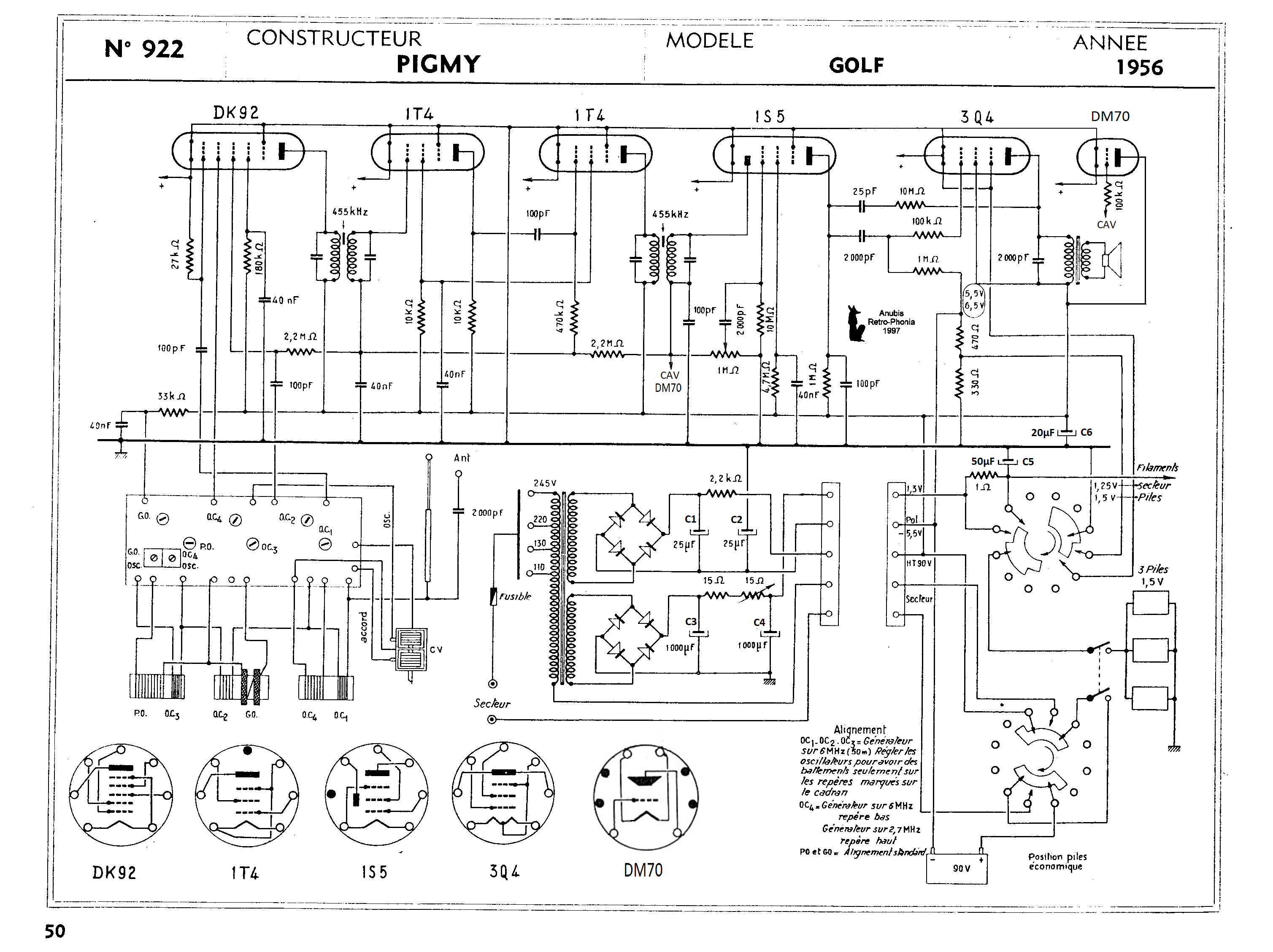
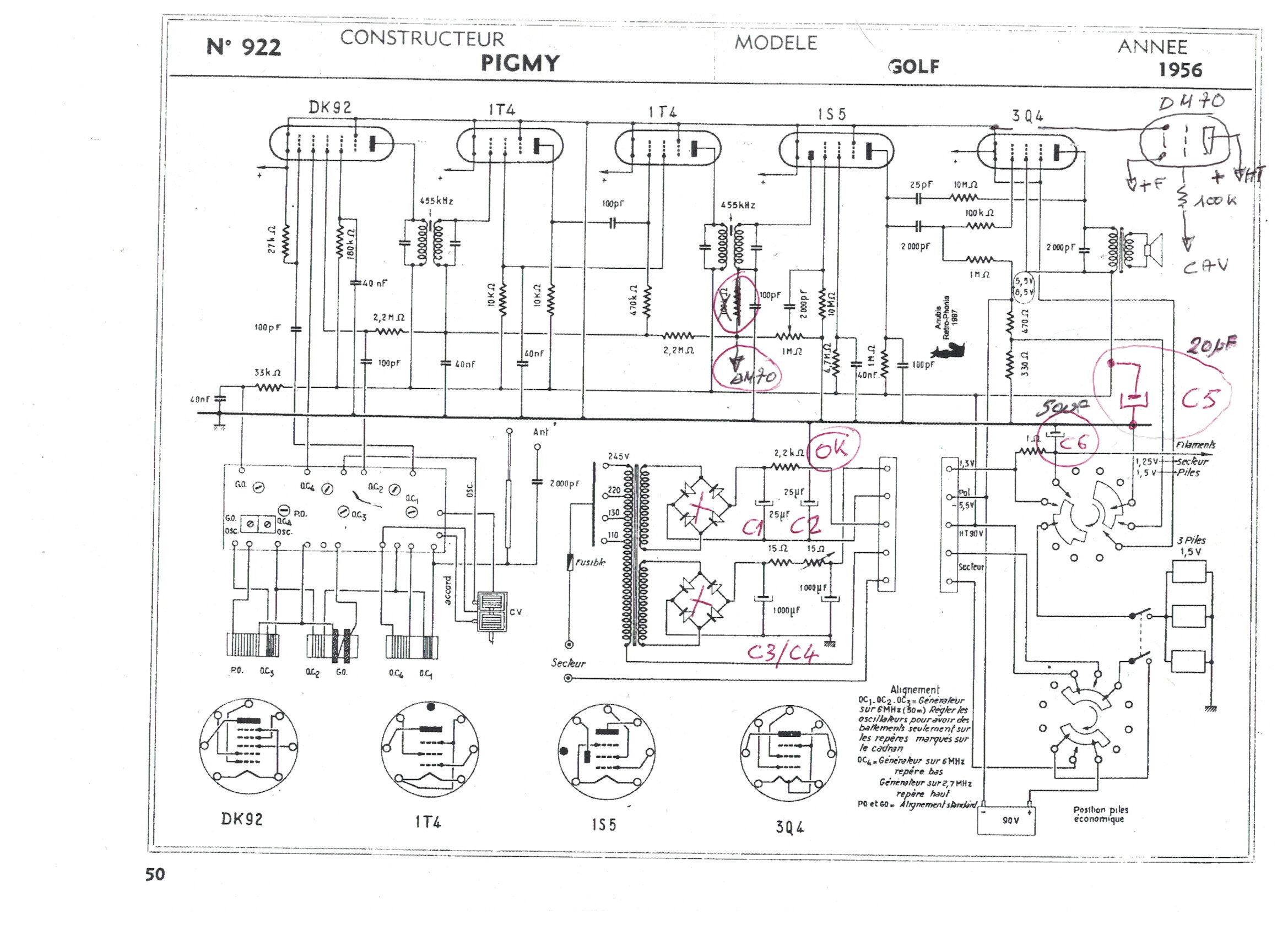
Le premier tube examiné, est une DK96, mais, juste à côté, une DF91 ! Déjà une question, se pose : Comment, les filaments, sont-ils raccordés, car les séries 96, et 91, ne sont pas faites pour « vivre ensemble » Il ya, en façade, une DM70 ou 71 (peut-être, une explication).
Bien sûr, je me suis rendu compte, que le couplage des piles de chauffage, était parallèle, après examen complet. Donc, pas d’inquiétude !
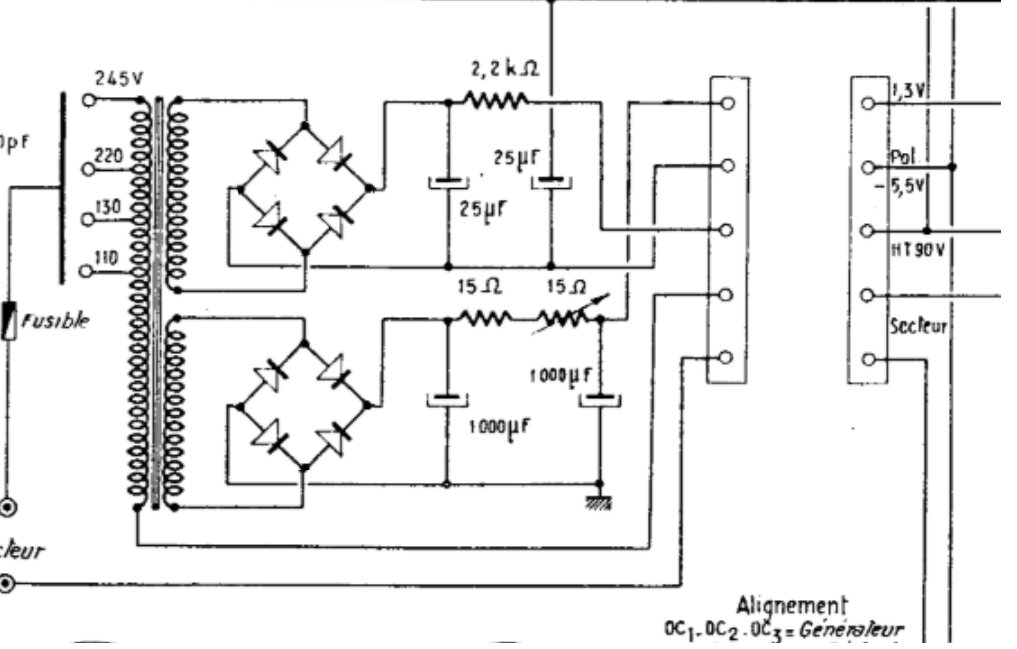
Je me suis empressé, de voir le schéma, et, c’est ce qui a motivé, l’ouverture de ce fil : Il y a quelques truffes, dans le schéma , donc, méfiance, car, elles se trouvent précisément dans l’alimentation. Je suis obligé, de vous laisser le soin de les corriger, car j’avais préparé un rectificatif, mais mon scanneur, ne veut rien savoir !
Doctsf (Modèles & Marques)
Annonces 






















