Quel condensateur sur inter on/off et quelle est la cause du cloc a l'allumage?

Effectivement il y a bien ce circuit avec relais mais je ne vois rien qui fasse tempo

les cloc c’est la qu’il faut les chercher
le relais doit coller 1 seconde apres la mise sous tension

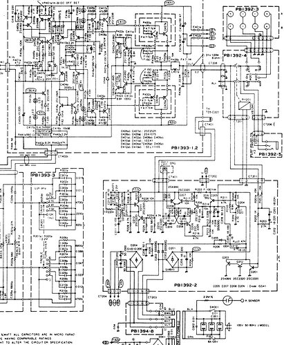
Sur la carte relais 1392-4 il n’y a que le relais et il colle instantanément et provoque le cloc…

Par contre sur le relais il y a une étiquette sur le dessus (voir photo) et dessous un petit trou. Est ce pour y envoyer du nettoyant contact ? mais il est obstrué.

La temporisation est elle sur la carte 1392-2 ?

Le petit trou n’est la que pour éviter que les produits de nettoyage ne pénètrent à l’intérieur du relais lors de la fabrication de la carte

1 « J'aime »

Ce trou n’est pas là pour envoyer du nettoyant mais pour éviter l’entrée du bain de nettoyage du flux après la soudure en usine.
Et le contact se fait bien, mais trop tôt. Donc pas de bombe contact. Il faut voir le circuit de tempo, peut-être un électrochimique qui a perdu de la capacité.
Pour trouver ce qui gère la tempo, il faut suivre les fils qui alimentent la bobine et qui passent par le connecteur CT201.

3 « J'aime »

Merci pour toutes les infos.
Je ne sais pas reconnaitre un circuit tempo avec transistors et identifier le condensateur qui fait la tempo… je ne connais qu’avec le 555, facile il gère seul :o)))

Normalement, les HP sont reliés aux sections NO (Normally Open) du relais afin de n’être raccordés aux sorties du bloc de puissance qu’après déclenchement. Soit le circuit qui active le relais est défectueux et l’active dès la mise sous tension, soit les contacts du relais ont collé (je l’ai déjà vu sur d’autres appareils). Par ailleurs il est préférable de remplacer ce relais dont les contacts sont souvent sales, et source de contacts intermittents.

Le relais colle immédiatement à la mise en route

Voir la capa c206 de 3.3 micro farads et les autres capas de commande du circuit.

Ce relais et le circuit associé ont 3 fonctions ;

  • temporiser de 1 à 2 secondes la mise en route des hp pour évitet le cloc à la mise en route.
  • déconnecter les hp si courant continu en sortie d’ampli : indispensable sur ces amplis qui passent le continu !
  • déconnecter les hp à l’arrêt de l’ampli avant que les capas de filtrage ne se déchargent. Ca évite des distorsions lorsque la source débite encore !

Le circuit électronique associé à la commande du relais est compliqué et est en panne : capa ou transistor ?

Merci, je regarde dans l’après midi

Avec Luxman, il faut toujours se méfier des a priori.

Déjà, il s’agit d’un ampli classe A jusqu’à 15W puis ensuite il passe en classe AB.

Le circuit de commande du relai est anormalement compliqué. Une section est liée à la détection du continu en sortie, l’autre… sert de temporisation au démarrage mais pas celle qu’on trouve habituellement dans ces amplis.

Le manuel utilisateur nous dit qu’au démarrage, une LED clignote (voir Q209 et Q210) jusqu’à ce que l’ampli atteigne une certaine température de fonctionnement. Et à ce moment, le relai doit commuter.

Ce que j’en déduis est que si le relai commute immédiatement, c’est que la détection de température ne fonctionne pas.

ll faudrait donc investiguer de ce côté :

  • la diode clignote-t-elle ?
  • s’arrête-t-elle de clignoter au bout d’un certain temps (assez long si l’ampli est froid) ?

Autre point : le titre du fil n’est pas vraiment adapté. Ou du moins, il mélange deux problèmes différents :

  • éviter le cloc à l’allumage d’un Luxman L530 (le relai)
  • les capas à mettre sur l’interrupteur marche-arrêt. Pour moi, ces capas sont essentiellement destinées à supprimer le pic de tension à l’allumage ou l’extinction et éviter ainsi le charbonnage des contacts de l’interrupteur.
2 « J'aime »

exact mais notre ami supposant qu’elle etait impliquée dans le cloc a l’allumage

Réponse un peu en vrac…

1 - Mea culpa pour le titre mais au départ comme le dit Radiolo je pensais que le condo sur inter était là pour éviter un cloc et pas pour éviter un charbonnage.

2 - La LED en façade Warn Up Ind ne clignote pas

3 - Le relais colle immédiatement

4 - C208 il est monté une 4,7uf et sur le plan il est indiqué 3,3uf. J’ai essayé les 2 valeurs c’est identique

5 - Il faut que je vérifie Q209 et Q210 c’est bien ça ?

Déconnecter la CT401 pour voir si ça change quelque chose.
En profiter pour mesurer sa résistance et vérifier qu’elle varie bien en fonction de la température.

Q209 et Q210 sont juste là pour faire clignoter la LED. Le problème vient d’ailleurs.

C’est pareil

La LED reste allumée fixe

Quelle est la valeur de CT401 à température ambiante ? Sa résistance varie-t-elle en fonction de la température (température du corps par exemple) ?

J’ai peur de mal comprendre… CT 401 pour moi c’est le connecteur qui va à D211 la LED en façade de l’ampli avec la serigraphie Warm-Up Ind

Désolé. La thermistance à ses bornes. TD5-C320 ou quelque chose comme ça (le schéma n’est pas très lisible).

De toute façon, j’ai un peu de mal à comprendre comment le relais peut être actionné par la thermistance et dans la doc, la description est ambiguë : la version anglaise du manuel utilisateur dit ceci :

[…] Tout d’abord, le voyant s’allume lorsque l’interrupteur est enfoncé et l’indicateur de préchauffage commence à clignoter.
Le circuit de coupure temporisée est ensuite activé et il est désactivé environ 10 secondes plus tard, mettant l’amplificateur en parfaite condition opérationnelle de fonctionnement alors que le voyant de préchauffage reste allumé [fixe je suppose].
Remarque : le voyant de préchauffage cesse de clignoter et s’allume lorsque le circuit de coupure temporisée est désactivé. Cependant, si l’amplificateur est parfaitement chaud, par exemple après une longue utilisation, le voyant ne s’allume pas.

Et un peu plus loin :

La LED indique que l’appareil est suffisamment chaud pour fournir une excellente qualité sonore. Dans le même temps, le voyant clignotant indique que l’appareil est en mode silencieux. Lorsque le voyant reste allumé, l’appareil est prêt pour la reproduction sonore.

Notez que la lecture audio est impossible pendant la période ou le mode silencieux est actif