Quel condensateur sur inter on/off et quelle est la cause du cloc a l'allumage?

Bonjour,
Que mettre comme condensateur sur l’inter marche/arrêt d’un ampli. En l’occurrence sur un Luxman L530 dont le condensateur est HS et la référence est effacée.

J’ai essauyé avec un 0,022uf mais il y a toujours un gros cloc à l’allumage

Il faut plutôt un snubber. Mais c’est plutôt pour protéger le contact de l’inter que pour supprimer le cloc.

Moi c’est pour supprimer le cloc très désagréable qui n’existait pas avant

En principe c’est quelque chose comme ça :

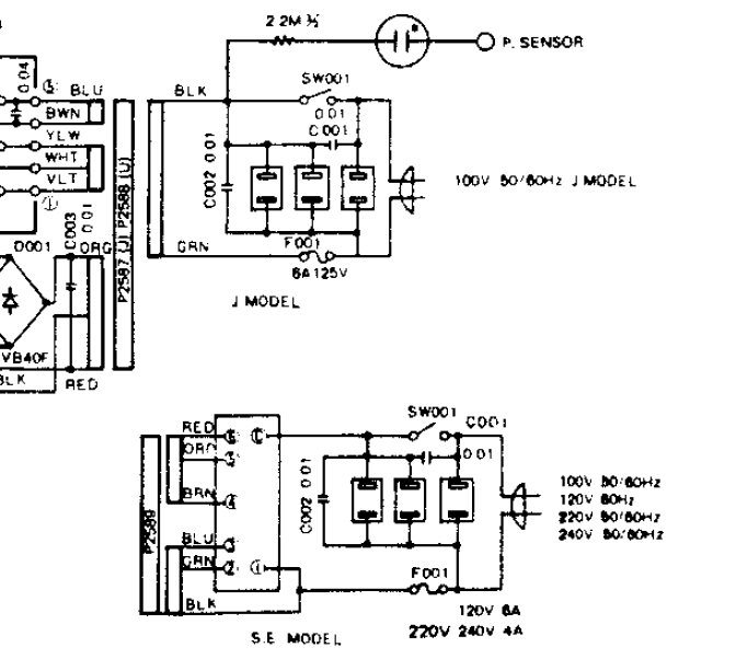
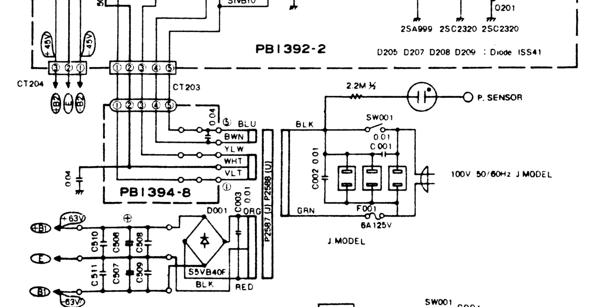
la doc dit cela

le manuel est dans la fiche

C’est un Luxman L 530 et pas un 350…

Je ne risque pas grand chose d’essayer, mais lequel prendre :o)))

A priori la doc indique des condensateurs simples…
Il y a peut-être un dispositif particulier prévu pour éviter ce cloc à la mise sous tension.

Bonjour,
Les condensateurs simples en // sur les interrupteurs ont pour inconvénient de générer une étincelle à la fermeture, et le composant RC proposé est de loin préférable.

Le cloc ne vient pas de ça. Peut être une dyssimétrie de charge des alim + et - ? Un mauvais découplage des alims préampli du à des capas filtrage préampli usées ?

1 « J'aime »

Aie plus compliqué alors

a mon avis la protection secteur est la meme

Bonjour,

souvent, et pour des usages « pros » ou « industriel » on montais des « R-C unit » composé d’une résistance de 220 ohms 1/2W et d’un condensateur de 47 à 220nF 250V~ prévu pour tenir la tension secteur (le tout enrobé dans un boitier plastique moulé ressemblant à un condo normal, et se montant aux bornes de chaque contact a antiparasiter )

A défaut (plus économique mais moins bien car, sans résistance de limitation, on générera des surintensités dans le contact source d’étincelles et d’usure) on peut essayer des condensateurs seuls branchées direct, ou associé a une résistance séparée mise en série , et rechercher la valeur la plus efficace, par essais successifs (essayer pour la résistance des valeurs entre 47 et 330 ohms, et des valeurs entre 10nF et 220 nF pour le condo , ces essais ne risquent rien)

1 « J'aime »

Je viens de trouver le schèma

ce serait donc un 0,01uf

Resistance de 1/2 de watt convient ou il faut plus

Ils sont marqués 10nF effectivement.
Le C002 ne doit plus avoir beaucoup de capacité, il est sous tension en permanence.

C’est kif kif un 0.01 au lieu d’un 0.022
la doc est dans la fiche

Bonjour,

une résistance de 1/2W suffit, elle n’encaisse la surintensité qu’un bref instant , au moment ou l’inter est manoeuvré.

( il faut juste éviter de mettre une 1/4de W même si les calculs montrerais que c’est possible , tout simplement pour raison de sécurité et parce une 1/4W de part sa taille et sa construction n’a pas l’isolement suffisant pour tenir la tension secteur ! )

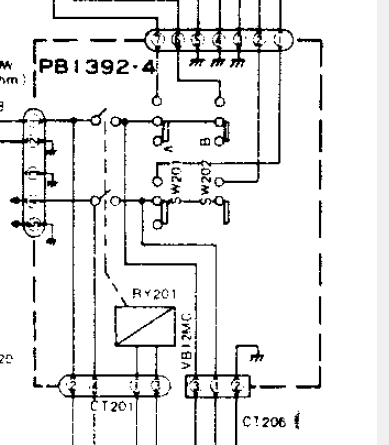
Normalement, sur ces amplis anciens, il y avait un relais temporisé dans les sorties hp pour éviter le cloc. Radical…

C’est plus plausible qu’il faille chercher quelque chose dans ce sens.

2 « J'aime »

il y a bien un circuit anti cloc

1 « J'aime »