Bonjour à la communauté,
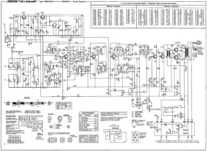
Je suis à la recherche d’un schéma complet, l’original papier serait le bienvenu, pour un poste radio portable Schaub Lorenz Week-end T50 L automatik que mon père avait acheté dans sa jeunesse. Il y a bien quelques schéms sur Internet de mauvaise qualité ou peu lisible. Si quelqu’un a le format papier, je lui rachète à un prix raisonnable. On me l’a déjà proposé à 200 euros, une folie. J’ai trouvé celui qui se trouve sur le grand livre mais le schéma est à peine lisible pour les selfs en HF et FI.
Mon fils se chargera plus tard de la réparation.
Je vous remercie pour votre participation.
Michel M
Si quelqu’un a encore le schéma et qu’il peut le scanner pour qu’il soit parfaitement regardable, ça me suffira je pense. Merci.
tu as regardé chez electrotanya ? et Radio museum ?
Bonjour
double cliquer sur le schéma ci-dessus ![]()
Bonjour Messieurs,
Pourquoi me conseiller d’aller voir un ophtalmo. C’est loin d’être cordial comme dialogue. Je vous rassure, ma vue va très bien.
Si je demande une documentation papier, c’est justement pour la faire scanner par mes gars. Je travaille dans un centre départemental d’archives et nous sommes équipés pour ce type d’opération. Je sais donc reconnaitre un document correctement numérisé ou non. Je voulais juste vous le renvoyer numérisé suivant les normes actuelles. Vous auriez alors un document bien plus correct. Ce n’est pas la peine de monter sur vos grands chevaux à me prendre pour un abruti. J’ai déjà eu affaire à un autre aidant sur ce forum bien plus sympathique et appliqué. Votre comportement n’est pas très digne, permettez-moi de vous le dire. Je vais donc me débrouiller autrement.
Bonne journée aux âmes de bonne volonté, quant aux autres, je vous laisse vous étriper entre vous, mais je ne servirai pas de cobaye.
Michel M
@michelmo
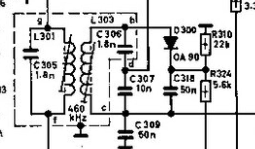
j’ai regarde le schema
pour moi il est exploitable
en voici un agrandissement d’un bobinage FI ou il semble y a voir probleme selon vous
qui est tout a fait exploitable pour du depannage
si d’autes parties posent probleme merci de me les signaler sur le schema
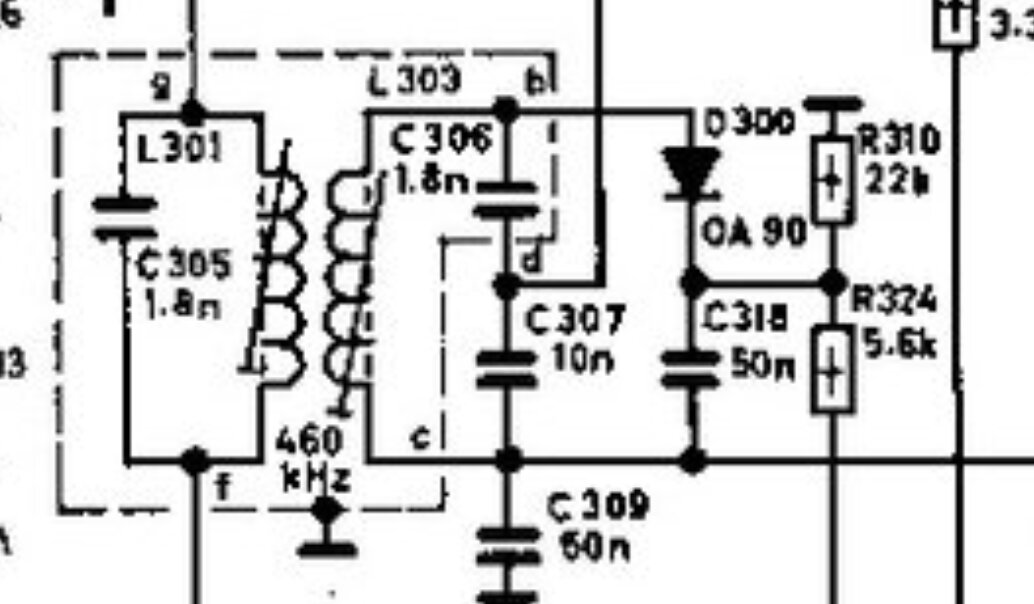
Si vous trouvez que le dernier agrandissement est digne de normalité, pas moi.
Merci de m’avoir écouté, je vais recevoir le schéma qui pourra être totalement renumérisé d’ici peu ou qui le sera par une bonne âme de votre forum que je remercie par avance.
Désolé de vous avoir dérangé.
Michel
a votre convenance , desole
mais il faut faire des compromis taille de fichier lisibilite
car le stockage sur le serveur coute cher
On parle du schéma mais personne n’en met le lien, le voici.
Comme dit par notre ami @Radiolo cette numérisation est tout à fait exploitable et même parfaite pour effectuer le dépannage de cet appareil, souvent on a pire ou pas de schéma du tout.
Bonsoir,
J’ai une notice d’origine du T40 qui est assez semblable.au T50.
Je peux éventuellement adresser par poste une photocopie de bonne qualité.
et si tu la scannait pour la mettre dans le grand livre ?
Je peux scanner, il suffit de m’indiquer la définition souhaitable, mais comme je ne peux pas faire un assemblage pdf, il faudra m’indiquer un mail en MP, pour adresser les documents bruts avant assemblage
tu les mets directement les uns a la suite des autres comme cela dans le GL il seront accessible pat la visionneuse
et on fera eventuellemnt un pdf
Doctsf (Modèles & Marques)
Annonces 


