Bonsoir le goudron qui fuit est toujours là ![]()
Bonne soirée
Guy
Bonsoir le goudron qui fuit est toujours là ![]()
Bonne soirée
Guy
Bigrille07 a écrit :
Bonsoir le goudron qui fuit est toujours là
Bonne soirée
Guy
exact mais il n est pas sur la HT , juste a l entrée de la BF ![]()
Justement c'est vraiment pas sa place si tu est vraiment en panne je peux te faire parvenir q.q. capas mais celui-là il est bon pour la poubelle j'en ai changé des centaine et jamais je n'en ai trouvé un qui ne fuyait pas ( bien sur il faut l'appareil de mesure Ok pour ça)![]()
Bonne journée
Guy
Bonjour,
JMD 91 est, peut-être, "un cantonnier en puissance" et quand on aime le goudron... on aime le goudron!!!
à Vals, on n'aime pas le goudron et il n'y a pas qu'à Vals... partout, ou presque, en France, le(les) goudron(s) sont destinés à la benne: vite fait bien fait.
"Parti de rien, arrivé à rien, c'est fou comme je ressemble à la majorité des français! ... (extrapolé de Coluche.)
On fait d'excellents gigots cuits dans le goudron ! Enfin, enveloppés soigneusement ... et ce n'est pas une blague, j'en ai mangé.
Michel

La couleur, la texture du goudron mais ce n'est pas que du goudron ....?
Un peu de sérieux, amis du forum !
Le diélectrique de ces antiques et piteux condos est du PAPIER, le brai (qui n'est pas du goudron) ne joue qu'un rôle très accessoire, celui de boucher le tube de verre qui contient le condo et encore il le fait assez mal !![]()
hello ,
bon , je vais le remplacer , n empeche qu' au capacimètre , les 5 que j ai sont plutot bon , après dire que ca ne fuit pas , faudras m expliquer comment on peut le controler car , j ai déja eu des condensateurs neuf HS ![]()
JMD_91 a écrit :
comment on peut le controler car , j ai déja eu des condensateurs neuf HS
Il y a plusieurs méthodes, notamment avec un mégohmmètre...
Une méthode simple, brancher sur la HT d'un poste radio (env 250V) le condo à tester en série avec une résistance de 1 MOhms, et mesurer la tension aux bornes de la résistance avec un MM numérique.
On lira la tension, un volt par microampère de courant de fuite.
AZttention : la fuite des condos ne suit pas la loi d'Ohm, ce n'est pas linéaire et on peut ainsi mesurer 1µA pour 100V et 10µA ou plus sous 250V...
Pierrot du 82 a écrit :
Un peu de sérieux, amis du forum !
Le diélectrique de ces antiques et piteux condos est du PAPIER, le brai (qui n'est pas du goudron) ne joue qu'un rôle très accessoire, celui de boucher le tube de verre qui contient le condo et encore il le fait assez mal !
Il n'y pas que du papier,mais aussi de la paraffine, qui à terme attaque le papier et le rend perméable aux charges électriques,
Le brai est là pour fermer les extrémités du condensateur et assurer son étanchéité
Le brai est cancérigène![]()
jean louis
, bon mais si récupe du moment pouvais encore aller , coté santé , c est sans appel , ils ne serviront que au test ( sous réserve ) .
merci , il me reste plus qu' a remplacer l intrus ![]()
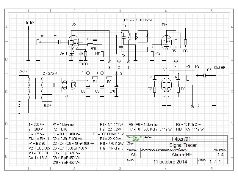
Hello ,
il parait qu avec un plan , ca peut aider ![]()
je fais don du plan , les chipoteurs pouront l améliorer ![]()
Il manque l'entrée HF, avec sa sonde de détection, mais je pense que c'est prévu...
Pierrot du 82 a écrit :
Il manque l'entrée HF, avec sa sonde de détection, mais je pense que c'est prévu...
Hello Pierrot ,
heu , j ai bien notifer les liasons BF , In Bf & Out Bf ![]()
![]()
Un peu bizarre votre schéma, il n'y a aucune résistance de retour de grille sur la triode et la G1 de la pentode pour l'ampli BF ?
Bonsoir,
Eh oui, comme l'a signalé H-L J, les trois G1 de EM1 et de V2 sont "en l'air".
hello ,
j ai éditer le plan , il manquais des valeurs ainsi que des composants ![]()
comme quoi , quand ca devient charger , on en oublie au passage ![]()
Oui, il faut une sonde HF détectrice, le signal tracer ça ne sert pas qu'à "traquer" la BF...
Pierrot du 82 a écrit :
Oui, il faut une sonde HF détectrice, le signal tracer ça ne sert pas qu'à "traquer" la BF...
Hello Pierrot ,
pour les sondes , je prend celles qui sont identiques de mon oscillo ![]()
par contre , il me semble qu' il y est une capa dedans !

Oui comme le dit Pierrot, la sonde de l'oscilloscope ne comporte pas de détection, et de plus comporte parfois ine attenuation de 10:1 commutable ou non.
Ce qu'il faut pour la BF c'est une simple pointe de touche munie d'un câble blindé, pour la HF, vous ajoutez en série entre la pointe de touche et l'âme du câble blindé (dans le tube plastique) une diode germanium OAxx ou AAxxx (x étant des chiffres le type exact n'est pas important) on peut faire plus compliqué en ajoutant des résistances et des condensateurs, mais si cela fonctionne ainsi, faites in essai.
Voir divers schémas et photos de réalisation http://www.google.fr/search?q=rf+probe&tbm=isch
Cette disposition est nécessaire pour détecter le signal HF sans quoi vous n'entendrez rien au travers de l'ampli, ou très faible.