Alors ce n’est pas un poisson d’avril, ce montage hybride ?
Ca alors ! 
Parce que si on supprime le FET et le transistor au germanium, ça doit marcher pareil !
Et qui a commis ça ?
Alors ce n’est pas un poisson d’avril, ce montage hybride ?
Ca alors ! 
Parce que si on supprime le FET et le transistor au germanium, ça doit marcher pareil !
Et qui a commis ça ?
Bonsoir,
Si on retire le FET et le transistor, ça marche moins fort. La 6AQ5 à une pente de 4,1 mA/V. Avec le montage qui lui pousse aux fesses, la pente est de 15,5 mA/V.
J’aime bien les montages qui sortent de l’ordinaire.
Sacavis
Bonjour la Compagnie,
J’ai repris récemment mes travaux de synchronisation de pendule et je suis arrivé au bout.
D’abord j’ai fait un pilote à quartz (dont je suis fort satisfait) pour piloter la pendule. Ensuite j’ai synchronisé le pilote avec France Inter.
Il reste quelques petits détails à mettre au point mais l’ensemble fonctionne sans problème.
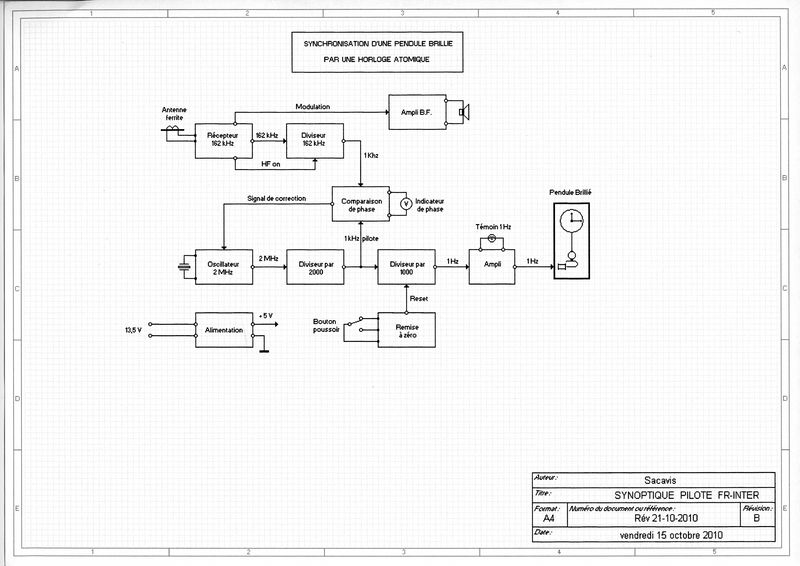
Je mets le synoptique pour donner une idée et je mettrai les schémas si il y a des intéressés.
Sacavis
![File0713 [].jpg](/uploads/default/original/3X/7/3/737c57a825d3df4d740ebdbf09746c67d9389f40.jpeg)
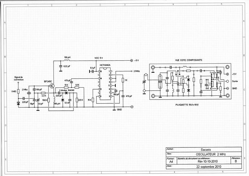
Pilote à Quartz
L’oscillateur utilise un quartz de récupération de 2 000 kHz en boitier HC6/U, provenant d’un ancien pilote. Le schéma en est classique. La résistance de source du BF245C a été remplacée par une self de 180 ?H pour gagner de la tension, car l’alimentation a été réduite à 5 V.
Le signal prélevé sur cette self est redressé et une tension négative de 5,1 V vient polariser la grille du FET pour maintenir le quartz à la limite de l’oscillation.
L’ensemble fonctionne jusqu’à 3 V d’alimentation. Une variation de tension de 4 à 6 V ne provoque qu’une variation de fréquence de ± 2 Hz (soit ±1 ppm).
Une fraction du signal est appliquée à l’entrée d’un PLL (boucle à verrouillage de phase) HCT 4046A, qui sert de circuit de remise en forme et fournit un signal carré de 5 V à 2 MHz.
![File0716 [].jpg](/uploads/default/original/3X/9/4/94f782310fb949e8185cdc7eeb2233c3be5a2776.jpeg)
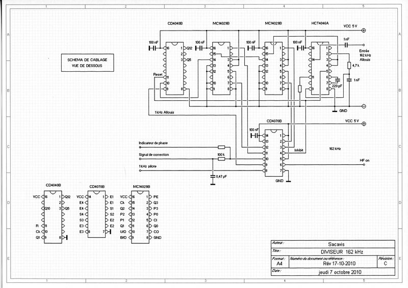
Encore un petit bout. J’espère que les schémas ne sont pas trop petits.
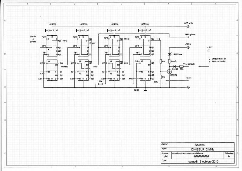
Diviseur 2 MHz
Il est constitué de 4 compteurs HCT 390. Le premier divise par 20 et le second par 100 (soit 2000 pour les deux), de sorte qu’on dispose à la sortie du second, d’un signal à 1 000 Hz.
Le troisième divise par 100 et le quatrième par 10 (soit 1000) et l’on trouve en sortie un signal à 1 Hz qui commande un transistor BSX 51 servant de séparateur avec l’extérieur.
Celui-ci fournit le signal de synchronisation de la pendule Brillié et commande une LED verte qui clignote en synchronisme avec le balancier.
![P1010632 [].JPG](/uploads/default/original/3X/0/1/01c26d16653cded460c3e36708341e43e9a93698.jpeg)
![P1010633 [].JPG](/uploads/default/original/3X/b/8/b8cfc452f0bad0d3d26a6edaad74d9aafe2d85c0.jpeg)
![File0714 [].jpg](/uploads/default/original/3X/1/c/1cbdc1858790a831d1b6e3b007636310f6f2afa9.jpeg)
Encore 2 petites photos.
![P1010629 [].JPG](/uploads/default/original/3X/8/d/8dd3fd7d106210e196039f42080e40082d36a662.jpeg)
![P1010630 [].JPG](/uploads/default/original/3X/6/c/6c13fab918f4e72d84b65adc4f01ce0f55420629.jpeg)
Bonsoir,
Voici le diviseur 162 kHz et le système de synchro qui fonctionne très bien. Il restera le récepteur 162 kHz qui demande encore une petite mise au point.
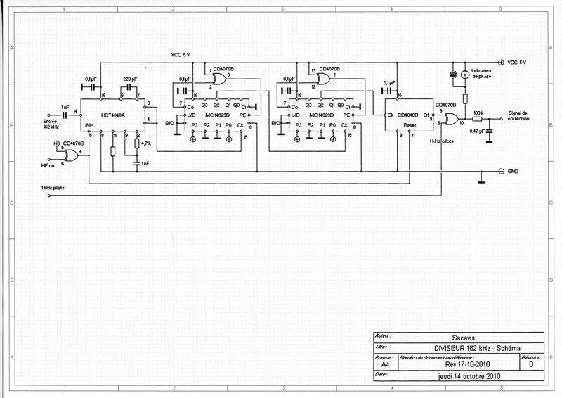
Diviseur 162 kHz
Le premier circuit est un PLL, HCT 4046A, destiné à remettre en forme le signal à 162 kHz. Ensuite viennent 2 compteurs programmables MC 14029B qui divisent chacun par 9 puis un compteur binaire CD 4040B qui divise par 2 ; soit une division globale de 162.
On retrouve à la sortie du CD 4040B un signal de 1 kHz appliqué à une entrée d’une porte OU exclusif CD 4070B. L’autre entrée de cette porte reçoit le 1 kHz du pilote. A la sortie du CD 4070B, après filtrage, on récupère une tension variant entre 0 et 5 V, représentative de la phase entre le pilote et le récepteur. Cette tension permet de synchroniser le récepteur en agissant sur une diode Varicap installée dans le circuit du quartz. Un galvanomètre monté en face avant sert d’indicateur de phase.
Les 3 autres sections du CD 4070B servent uniquement en inverseurs.
Comme l’émetteur d’Allouis s’arrête parfois pour raison de maintenance, il est nécessaire à ce moment d’inhiber le fonctionnement du PLL se trouvant à la sortie du récepteur, sinon il envoie des signaux de fréquence indéterminée dans le circuit.
Lorsque la tension « HF on » disparaît, la 4ème section du CD 4070B donne une tension de 5 V qui est appliquée sur l’entrée « inhibit » du PLL ainsi que sur le « reset » du dernier compteur.
![File0718 [].jpg](/uploads/default/original/3X/c/3/c3ab0b6c90b4bd0e4aecc8f3825f227d4a3d645e.jpeg)
![File0717 [].jpg](/uploads/default/original/3X/c/a/cadb1c7e8d0dc9ffb454db371d090aad07e97980.jpeg)
bonjour
juste une question
j’ai toujours entendu dire que les signaux horaires de F inter (162khz) étaient en modulation de phase ?
ceci est bien entendu relatif avec les explications ci dessus et le type de démodulation ? mais je n’ai peut être pas compris .!
Bonsoir,
Il y a peut-être des choses intéressantes pour faire avancer votre projet ou des réponses à ceusses qui se posent des questions, ici : viewtopic.php?f=16&t=232683
Bonne continuation
Cordialement
effectivement une grande partie des réponses se trouvent là : herveq.fr/tech/fi.php.
et c’est bien de la modulation de phase .
merci pour les infos
Bonsoir,
Pour répondre à M. Martin, la porteuse est bien modulée en phase pour les signaux horaires, mais je ne cherche pas à décoder ces signaux.
Je veux juste profiter de la porteuse qui est stabilisée par une horloge atomique au Césium 133. C’est à dire que le 162 kHz est précis à 10-12 soit une variation d’une seconde en 31 000 ans. J’ai juste besoin de récupérer un signal de 1 Hz pour synchroniser ma pendule Brillié.
Comme l’émetteur est susceptible de s’arrêter par moments, j’ai fait un pilote très stable qui commande l’horloge. Ce pilote est normalement synchronisé par la porteuse à 162 kHz sauf lors des arrêts d’émission, mais qui doivent être assez courts (4 h).
Le pilote étant stable à 10-7, j’évalue à 1,5 mS la dérive sur 4 h + 1 mS d’incertitude pour le raccordement au signal 1 000 Hz, ce qui donne 2,5 mS maxi pour chaque arrêt de l’émetteur.
Le but n’étant pas d’avoir l’heure numérique, mais de faire fonctionner une pendule à balancier créée vers 1914 avec une précision qu’aucune pendule mécanique n’a encore jamais eu.
Cordialement.
Sacavis
P.S.
Mon projet est réalisé à 95 %. Il reste un détail sur le récepteur, câbler au propre et mettre dans une belle boîte et faire des photos.
bonsoir Monsieur Sacavis.
merci pour ces complèments d’informations .
je vous réponds par MP.
Monsieur c’est trop, Sacavis suffit.
A propos de votre question d’hier, avez-vous vu ça ?
Bonsoir la Compagnie,
Cette fois ça y est, mon pilote fonctionne mais ça n’a pas été sans mal. La chose la plus difficile à réaliser a été la gestion des arrêts de l’émetteur. Le circuit en est à la version 6.
Au début, on pense qu’en synchronisant un oscillateur à quartz sur Allouis, on va bénéficier de cette merveilleuse stabilité de 10-12 (soit 1 seconde en 30 000 ans) mais c’est pas vrai car l’émetteur s’arrête environ 4 h chaque semaine le mardi matin. Pendant ce temps, l’oscillateur n’est plus synchronisé et dérive un peu. Il faut donc recaler le système après chaque arrêt hebdomadaire.
On utilise pour cela le fait que la dernière seconde de chaque minute n’est pas modulée par les informations horaire donc, après un arrêt d’une seconde des informations, la première information qui se présente correspond au début de la première seconde de la minute qui commence.
En fait je me suis aperçu que les informations s’arrêtent pendant 1 min 45’’ à la fin de chaque minute, ce qui n’était pas prévu au départ.
Pratiquement, après un arrêt des informations horaires, on ouvre une fenêtre entre 1,024 sec et 2,048 sec. Si les informations reprennent pendant l’ouverture de la fenêtre, un top de recalage du compteur de secondes est généré, sinon rien ne se passe. Cependant l’arrêt est mémorisé de façon à recaler la pendule à la première occasion.
En l’absence d’arrêt mémorisé, les tops de recalage n’ont pas d’action et servent uniquement à commander un voyant rouge qui s’allume au moment où la trotteuse de la pendule passe à 0 ; ceci permet de vérifier qu’elle est à l’heure.
J’ai installé un compteur électromécanique qui se déclenche à chaque arrêt des informations horaires, ainsi qu’une pendulette commandée par un relais, qui tourne pendant chaque arrêt.
Il en résulte que les informations horaires s’arrêtent pendant presque 4 h dans la nuit du mardi matin.
Mar 7 juin – On enregistre 10 arrêts pour une durée totale de 3 h 48 min. Je ne m’attendais pas à ça.
Mar 30 août – 17 arrêts pour une pour une durée totale de 3h 40.
Mar 6 sept – 18 arrêts pour une durée totale de 3h 49.
J’ai modifié légèrement mon système. Maintenant je vais enregistrer le nombre de fois où la pendule a été recalée plutôt que le nombre des arrêts. Logiquement, elle devrait se recaler une fois par semaine.
Ce matin mardi 13, nous avons 7 recalages pour un temps total de 3h 43. C’est devenu une usine à gaz, mais ça marche bien.
Sacavis
![P1020188 [].JPG](/uploads/default/original/3X/6/b/6bc2d8178c6d09485ff2a36df6aaf8b228d4769d.jpeg)
![P1020187 [].JPG](/uploads/default/original/3X/a/4/a4a9cb64161abbc2468f91eb1030d0cc519a7373.jpeg)
![P1020186 [].JPG](/uploads/default/original/3X/a/0/a050bc75999ed007b1ac904b19c1aa59021b9c1a.jpeg)
Bonsoir à tous,
La chose se termine. Voici le dernière version du récepteur 162 kHz et un tiroir en tôle de 0,8 mm, assez raide, qui va servir à faire le châssis.
![File0796 [].jpg](/uploads/default/original/3X/6/8/68842d04136bab42a8991b8d8a894ec651f9f140.jpeg)
![File0795 [].jpg](/uploads/default/original/3X/4/5/459ed95bf657de897af9e0329b5085cf39dde0ec.jpeg)
![P1020228 [].JPG](/uploads/default/original/3X/e/f/ef0532780754cbede8031b23311dfcbd2758ea61.jpeg)
![P1020227 [].JPG](/uploads/default/original/3X/6/a/6a3f4e32c1b97e3e46bf67beab3de7d49243b9dc.jpeg)
Suite,
La tôle est un peu réduite en largeur, tracé au crayon sur des étiquettes collées et enfin percée.
Après nettoyage, 2 couches de peinture bleu roi donnent un meilleur aspect.
Puis les modules se placent sans difficulté dans les trous, fixés par des entretoises de 15 mm. La diode SF16 m’a été fournie par un généreux donateur que je remercie encore une fois.
![P1020222 [].JPG](/uploads/default/original/3X/7/7/778f0f302c901b1f3b824df266eaedc9b4955f0b.jpeg)
![P1020235 [].JPG](/uploads/default/original/3X/a/1/a1e2fd32dc54f123f79cdf7e42be68b39e32d812.jpeg)
![P1020233 [].JPG](/uploads/default/original/3X/0/f/0f8fa256ba5138d4c64c838ef3640e1e2afe10e8.jpeg)
![P1020236 B [].jpg](/uploads/default/original/3X/9/7/977f9ae45c02626eadcdcc6cc16ce1ee1a09d18c.jpeg)
Bonjour à tous,
Les dernières photos.
Exemple de perçages de trous de 15 mm pour des embases DIN : Je trace puis perce des trous en rond. Débouchage à la scie Abrafile, puis un coup de queue de rat pour arrondir et surtout centrer. Enfin je termine par un coup de foret conique pour arriver à la cote ; le foret conique est plus rapide que la lime et fait des trous bien ronds.
Le compteur sert à totaliser le nombre de synchronisations du système.
La barrette à cosses du bas donne les points tests. De gauche à droite : la masse - 13,5 V – 5 V – 1,5 V – Détection de la porteuse – Tension de correction de la diode varicap.
On peut brancher le commun de contrôleur sur la grosse borne noire de gauche.
La tension de détection de la porteuse sert à régler l’accord du récepteur 162 kHz en utilisant un contrôleur ; en effet, si on branche un oscillo sur le circuit accordé, la capacité de la sonde fausse l’accord.
Le récepteur comporte un potentiomètre permettant de diminuer beaucoup la tension au moment du réglage sinon comme le système est assez saturé, on ne voit pas bien le maximum.
La tension de correction de la varicap sert à régler l’oscillateur à 5,184 MHz de façon à amener cette tension à environ 2,5 V (tension exacte à définir).
Il ne reste qu’à installer 4 DEL sur le capot du coffret. Elles se raccordent sur le petit connecteur Souriau rouge.
Elles indiquent la seconde, le début de la minute, la synchronisation quand elle intervient et l’absence de signaux horaire lors de l’arrêt de l’émetteur.
Le voyant de début de minute permet de vérifier si la pendule est à bien à l’heure car il doit s’allumer au moment où la trotteuse est à zéro.
Finalement, tout marche très bien ; je dirais même que ça tourne comme une horloge !
Sacavis
![P1020238 [].JPG](/uploads/default/original/3X/4/4/44103168b656fe570ef0bf1468dc9a4315c76bc8.jpeg)
![P1020239 [].JPG](/uploads/default/original/3X/c/d/cd37c5a43a1bfe486255f68cc3e883c76ed5ea7e.jpeg)
![P1020242 [].JPG](/uploads/default/original/3X/a/5/a5387a45e9551509a919e8f8da128cedecf926ca.jpeg)
![P1020243 [].JPG](/uploads/default/original/3X/1/2/12589b3b23fd1959224632f898cc23e52ba381c0.jpeg)