Voici la description de la construction d’un récepteur OC à deux étages HF, détectrice à réaction, très sensible.
Le schéma.
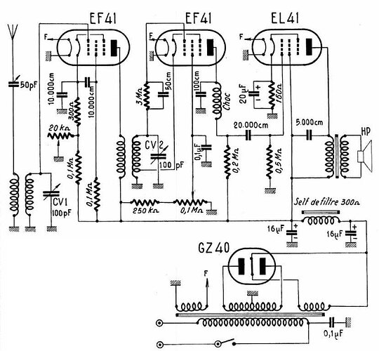
Nous avons donc un premier étage amplificateur HF suivit d’un étage détecteur du type à réaction et d’un étage d’amplification BF.
https://usofta.dm2304.livefilestore.com/y2pfrhjcTpSzxxOQp0Hob27H2U2A3EyZpa6IBmv7cnARer-n-fL0iHvndCjbOyVKo7pdOdLWo_D8RB4slCXq9mq2L4HX1nOiTwb6VEGTMdoOc4/sc.jpg?psid=1
La self de choc est destinée à bloquer les courants HF et éviter qu’ils n’atteignent l’étage BF où ils provoqueraient des accrochages.
Comme il est spécifié dans le texte la self de choc pourra facilement être exécutée par l’amateur. Un mandrin de diamètre 10 mm, qui
comprendra dix groupes de dix spires séparés de 4 à 5 mm, sur lesquels on étire la spire réunissant un groupe de spires au groupe suivant.
Pour le mandrin diamètre 10 mm j’ai utilisé un corps de stylo ou feutre.
Pour maintenir les groupes de spires, j’ai placé sur le mandrin des séparateurs en bois ( allumettes ou cures dents)
Fil emaillé de 3/10 de mm.
https://usofta.dm2301.livefilestore.com/y2pASGXzhvua1OgAXSw_hfd-f7GiMXkjO4hD5fB6BXCQ3nL27a17XuVWE2waVBekcptFlGoFZOQpBDd4NbKx2BmZIR_HDTjIzzi1CBOZ7Uvow0/DSCF75432.JPG?psid=1
Ajout de deux fils rigides pour les connexions.
Et pour finir, une couche de vernis à la gomme laque pour immobiliser le fil .
https://usofta.dm1.livefilestore.com/y2pVDoONikA34--k-0YlDJPEIVn3S5VLW1lqxXRvzLd9Oc8CV4oa93-38ovohIBINhTmroLX1z7rotF8P_OK_D8VEfUA7lP4Rm4NqjbkRyToU4/DSCF7544.JPG?psid=1
Les bobinages accord et transformateur HF seront constitués sur des mandrins PVC de diamètre 20 mm.
Le fil utilisé sera du fil émaillé diamètre 8/10 mm.
Le bobinage d’accord sera réalisé sur la base d’un culot de lampe quatre broches et celui du transfo HF un culot cinq broches.
Je commence par la réalisation des bobinages de la gamme des 20 M, suivant la spécification.
https://usofta.dm2302.livefilestore.com/y2pMnefnWPZNWJpDCCfiH0K0WYHVcnxi79o1pdQ4kCNyLI6t1CT8jRwVplNjMt9EwwkH-4LEasODI-qYJ21eu0M6Pg9ixkqmyrUYpRkdTCT750/DSCF7586.JPG?psid=1
Rassemblement des différents composants pour la réalisation du poste.
Le plus compliqué à trouvé c’est sans doute les condensateurs variables qui ont une valeur de 100 pF.
J’ai des 230 pF, j’intercalerai un condensateur en série pour lui donner la juste valeur.
Le seul transformateur d’alimentation dont je dispose n’est pas compatible avec une GZ40 qui est alimentée en 6,3 volts sur son filament.
Mon transformateur a une tension de sortie valve de 4 volts, je vais donc remplacer la GZ40 par une AZ41.
Une self de filtrage de 300 ohms environ.
Un transformateur de sortie BF avec une impédance de 7000 Ohms.
On peut passer à la confection du châssis.
https://usofta.dm2301.livefilestore.com/y2ptoZMowM0A68Dl3phiZhNLQD2wih-PHV3QNq7uFX-de0t9QNIw5D67zbZameoWfW8dGKpcomvhrnC1owswVPRGMfuE2XmT9beeCzwAUqjep0/DSCF7552.JPG?psid=1
Pour la confection du châssis j’utilise de la tôle d’acier galvanisée épaisseur 1mm.
J’adopte une réalisation simple sans pliage de la tôle.
Le rebord du châssis sera constitué par un cadre en bois.
Idem pour la face avant qui sera maintenu par des équerres sur le châssis.
https://usofta.dm2302.livefilestore.com/y2pTyWwIoPUd3YyXxEmeED84cR9LiU3_4KT-o6I5zkEw2pdFrlga-sl1ysHTFLroDvgtafbEnzF_ivFaefW2hiRrb2CxjG2EyLhy-uXwmNradE/DSCF7551.JPG?psid=1
Réalisation du cadre en bois sous châssis.
La partie avant coté façade reste ouverte pour le câblage des potentiomètres.
https://usofta.dm2301.livefilestore.com/y2p8NJDwqXoF5FicSjNP2ymGNeRRgiGHhDnb1YfWbVyc7xy3zwrJWpn8DJkmOMmvlwbrAGuZ6Mi8vn1dBIjJxV6EB7Gh4-SkW6KeLQ1ycyi6Tg/DSCF7550.JPG?psid=1
Pose des condensateurs variables.
Réalisation des plaques de séparations des deux étages HF, au dessus et sous le châssis.
https://usofta.dm2303.livefilestore.com/y2pTzRaFKO5s1ebqKUjAs06XMW8tQZ8hjLDq8-UM_udRi1OGvmA3XqPHgwWD6n8TnPr6VQz0nlO683qvuxJlSmHiT3eox7fRaZ9-gOV2BO9sL0/DSCF7554.JPG?psid=1
Détail sur la pose du condensateur variable du premier étage.
https://usofta.dm1.livefilestore.com/y2pIOG-HUNz_E4mGOitYg2B2n5XCzcRbm-yQMEtURKzeTnvdxaaOg_QI4cLh82dTPpzWt9JfF-LuXtptPvnxtxfv-PnnOlii-hkaDuTJl9NyY0/DSCF7557.JPG?psid=1
La séparation sous le châssis des étages HF.
https://usofta.dm2303.livefilestore.com/y2ps2u1zmUK5_PGH5LLRErC1GTsO98D0j-zEyZqBjsqfg5SHNesfoKvZmi9ATmHgmdOu2AKDi_NBqzPokVVzVOd1zLVYExoCPUtBj36mHsSEaE/DSCF7559.JPG?psid=1
Perçage du châssis, et soudure des prises de masses.
Soudure des prises de masse à l’aide d’un petit chalumeau, pâte à décaper et étain.
https://usofta.dm2303.livefilestore.com/y2pqmjpQ-6Z2vSOITkdUdw80v2Vj1H1pXYv2yo385NmnmJa8p2lB0fzN2wW9c20FQjcHY3voi8Dme7ou6bvkSntsrFxqEkujnZDS-3h5d7Ae_M/DSCF7561.JPG?psid=1
Mise en place des premiers composants.
https://usofta.dm2302.livefilestore.com/y2pNT6dkZQ57FeKPGTi1wCCiCtge-zKKWLD4Jcpf5pYZxRYWsdcwAZGp08I6ETyFPNqmoxUmMHrRwOXxxMp3u5xx1QkehlThX1KsIB8KQ35Z_0/DSCF7564.JPG?psid=1
Le châssis est maintenant complet, il ne reste plus qu’à assembler la façade.
https://usofta.dm2302.livefilestore.com/y2pJUuIoj8XdI1wOq-6yTdg0lbDWEVT-Pq_aLutdOTMM9J8jketd_qMN6aA_1NE53rTN9vVzeG0LX0jDszR8aOTWjYXfsDkLdJz-DOEuUbzOO0/DSCF7562.JPG?psid=1
Une bonne prise de masse pour le condensateur variable.
https://usofta.dm2302.livefilestore.com/y2pcKyv13tJjbqigfnbdYe_-rELf4NneUCYEO4b3IHva5tQuwOPhHk7M0aiU2TzTFHG0Sq9cwBgecH24RKeNnmut0Uy0dTW-R31WAT82ldpBXQ/DSCF7563.JPG?psid=1
Traçage sur la façade de l’ouverture du HP.
https://usofta.dm2302.livefilestore.com/y2p49WbpZrNcp4XpdJg1ll1rtO59l4isdB8K2TxA84x-NLAAOtj5yHLFmdcpNq7Fjya7MwfBdhgOSxdHxOtgUT_oJbHvJf3CBbJrfz-yfuoLZ4/DSCF7566.JPG?psid=1
Je perce tout autour de mon traçage;
Avec un petit burin je coupe la matière restante entre les trous.
je finis avec un bonne lime demi ronde en me basant sur mon traçage.
https://usofta.dm2303.livefilestore.com/y2plhCuo4Utnebrwrrt1AipUSApT6qxb5KUA5xVIeGBV0pyCIwbDnLs513pta87VehYC1j9k9QN17enmYmOPbC0lkc0JQU0usZ44JY-fzbLIZU/DSCF7567.JPG?psid=1
Et voilà, c’est à peu près rond.
https://usofta.dm2304.livefilestore.com/y2p49YvFVSaLE-xZleArgzw9eI13847kGvgl_1WbqhLnHqd6gJnRFbznCKbfADaMc0qb1PqFyn9XlKsNiQBIKb5KrDCyA1jr8fjUZ3A44CxHoA/DSCF7568.JPG?psid=1
Pour protéger la membrane du HP je voulais dans un premier temps, poser un bout de tissus et finalement j’ai trouvé un cache HP de voiture avec une grille métallique noire.
https://usofta.dm2302.livefilestore.com/y2pBROPDwOOZcYT0XMcIII5sfDIeCERW-8Drdk1N4w8X897b7Hn_sbedhQTg2MvhRLpqZsuQ39GqMM-5jzwaiTgs9C1ZKxcb8A43_qnF-q4HEU/DSCF7569.JPG?psid=1
Découpe de la grille avec une cisaille.
Perçage des trous de fixation du HP.
https://usofta.dm2302.livefilestore.com/y2pxwcHa6XHVviOgiiqikHDD5Y87t7Mp74kowoghuolemHea9VzavZa9MQL2gRtAk9q1WjeGsjYpBARGcyfKopMxAD3VH1WNgSVQaTyAxtc2Tw/DSCF7570.JPG?psid=1
Esthétique plutôt sympa, avec une façade peinte en noire, ça ira bien.
Perçage et mise en place des potentiomètres de gain et de réaction.
https://usofta.dm2301.livefilestore.com/y2pYVDSQJ0vanDVjI3Dkk7hefxDJBvYGcXjaznS1WpY-OWr2L8Y56RgKWT4ASEL-dLma2MJZ3kHOjyI7Yytmyt2GHp7ZWQOFfiKETV9WXM5PDc/DSCF7572.JPG?psid=1
Haut parleur de 2,5 Ohms pour respecter l’impédance de 7000 Ohms.
https://usofta.dm2302.livefilestore.com/y2pN1PtYyA_ZrEHMyntwvAxxDVCqmXXm_opjNRpbv30MIhyJneRaMs5_qKJ0bDR0PiS1MMv2D1zKDQjSXJdPSnFiBQEZ9o66i5UTHN7YbHCj6E/DSCF7573.JPG?psid=1
La façade est complète, les boutons des cv sont provisoires pour le moment, j’ai prévu un gros
bouton démultiplier sur le premier cv, et sans démultiplication sur le deuxième.
https://usofta.dm2302.livefilestore.com/y2pPquMTNweyof2-MM6t9rjdbMTrZkZK-Z5VWL0wKTc7CakyGEDc4BqYzBDXj0HEzwBw_ANAWWGKN6dGdjKIiot-Tp84oIsiea-z7mw3hw-Uhw/DSCF7576.JPG?psid=1
Le châssis terminé et câblé.
https://usofta.dm2303.livefilestore.com/y2pTWP_8GQwcq1b7GiC7wZphcA_vbZo3z007C26eluZb3abDPLvcHmT_5mRlZs_waYpiJ9bxIbJNnbVA-B9GZLqjkkHHKalURbwdWgWWrDH0xI/DSCF7575.JPG?psid=1
Face arrière avec le connecteur antenne/terre.
On aperçoit aussi coté droit arrière le réglage du cv d’antenne.(50 pF)
https://usofta.dm2303.livefilestore.com/y2pMgrrj2jhi6VrxFLBI8EXOHWqjbsjIYuGIZu0sjUxfmDgMzPR8tMVTCvIGG_RtI77ocApum7vg93BKzxOHZDd0-lsVnllVIWLC_y3NxQWUNw/DSCF7581.JPG?psid=1
https://usofta.dm2302.livefilestore.com/y2pwdtoUhh3G-joNB4w9kE5WBcfdGiTErOK72CFeW9s67aMpwJdJEc8B1c4TJCqsZ_vyEgo8Sek3_Gon_dh1YaRYY4v0oQT-zC_RzOejhFywVE/DSCF7582.JPG?psid=1
Les premiers essais du poste
Première opération je teste l’alimentation sans les autres tubes, les mesures effectuées sont correctes.
Mise en place des autres tubes et essais.
Les tubes commencent à chauffer et puis un grésillement dans le HP.
Je règle le gain et la réaction et je règle le premier cv, mais pas de réaction sur toute la plage !
Je règle le deuxième cv et là je reçois toutes les stations en vrac.
Zut je me suis planté j’étais persuadé que le premier cv ferait office de réglage le l’accord, j’avais prévu une démultiplication et pas sur l’autre.
Problème ! Le premier cv n’a pas l’air de réagir, je vérifie le câblage.
Le câblage est correct, je décide de changer la self de choc, par une vraie de 4 mH.
Essais, j’ai absolument le même résultat.
Et soudain en tournant le potentiomètre de réaction vers un minimum, le première étage réagit.
En fait j’ai compris l’astuce, pour trouver une station on règle la réaction vers le maxi, on reçoit alors, toutes les stations sans séparation.
On se cale sur la station que l’on veut écouter, on baisse la réaction, la station devient faible, et en accordant le premier CV sur cette fréquence, la station devient forte et bien isolé des autres stations.
Une fois que l’on à compris le fonctionnement le réglage est fantastique, on dirait du superhétérodyne.
Voilà donc pour les essais qui sont vraiment concluant, comme il était précisé dans la doc le poste est très sensible.
Il ne me reste plus qu’a modifier l’entrainement du deuxième cv, je pense installer une démultiplication avec deux engrenages types mécano.
Pour la self de choc remise en place, le fonctionnement est absolument identique.
https://usofta.dm1.livefilestore.com/y2pZo-hl9UojOeN3_Olm8197fM37vjrAgmBIvp_oStF9Nljo2vwNndJncVC_hxEWJeJPHG3PBPQnofchG1G3vf9aTKrRbgJ1viVxH32BGxoy5k/DSCF7577.JPG?psid=1
Vu sur le cv d’antenne.
A suivre
Modification de l’entrainement du cv.
Confection des autres bobinages pour les gammes de 10 et 30 M.
Mise en peinture de la façade.
Réalisation du vernier des stations.
Et pour finir une vidéo sur le fonctionnement.
A BIENTOT
https://usofta.dm1.livefilestore.com/y2p5syY6Iu3vg241Jy2am6jv5EykTH7h3XCL7w69ndPrdxCAkcTe7DRci9l8SHzwwpr4fADENp-xy2ARdDLaBgGiQkFB-bHwFUadRapCxQ6L1s/DSCF7578.JPG?psid=1
Je vous souhaite à tous un JOYEUX NOEL.
Gino
Doctsf (Modèles & Marques)
Annonces 

































le lien de mon ampli…
bon bein quelques photos 