doc et sch&ma pour scouty radio de marque Papyrus radio 1950 environ
Bonjour, SVP, merci ? Tu connais ?
voir dans le grand livre
plusieurs modeles sans schema mais on aura peut etre un equivalent
Oui, je viens d’en ajouter un dans le G.L. il y a peu : le « Vedette ».
A +.
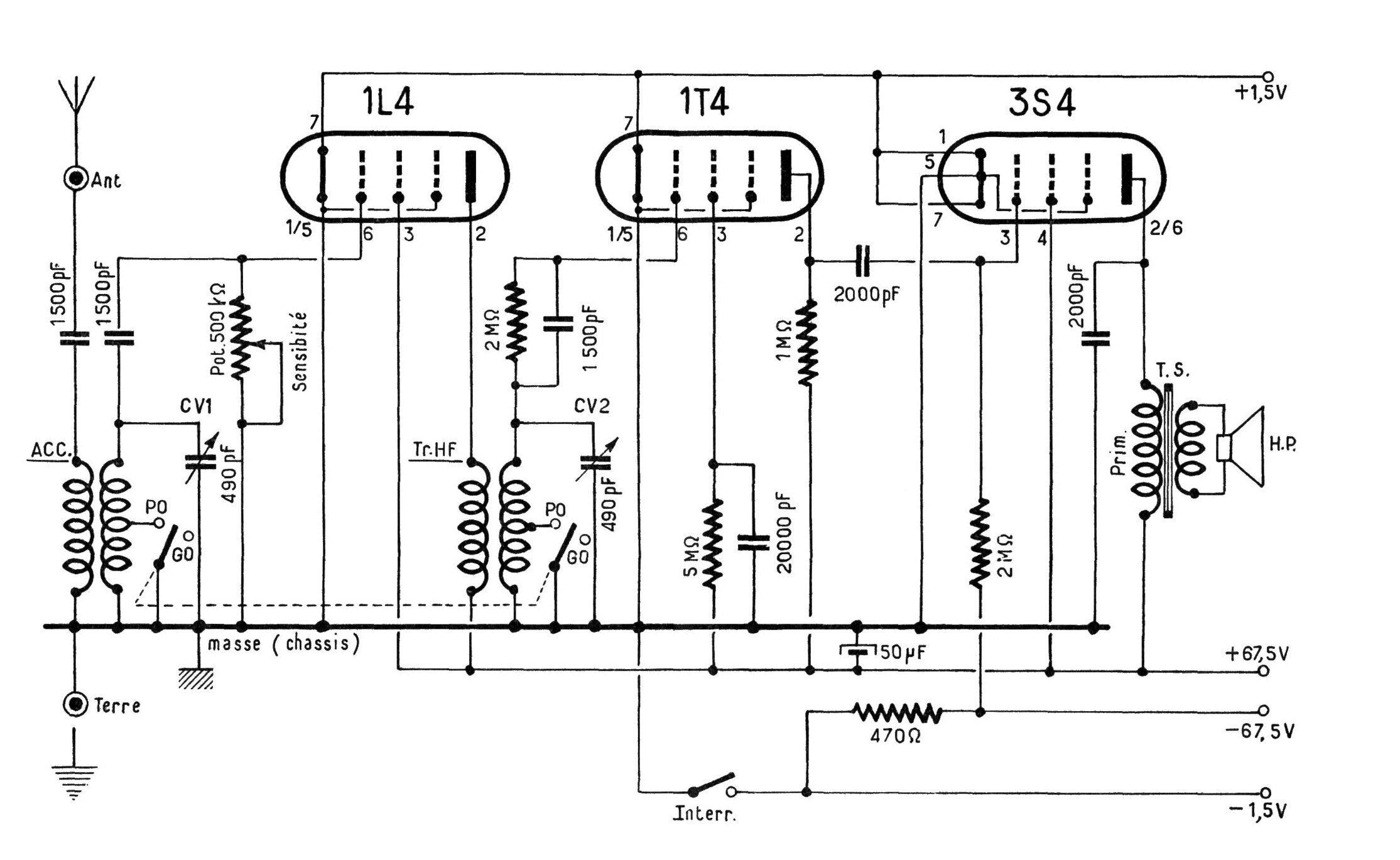
merci pas toujours pas de schéma modèle 3 tubes avec 3S4 finale
merci le mien est à 3 tubes 3S4 finale mais aucun schéma
avec la liste exacte des 3 tubes on peut chercher un schem
3S4 seul ne suffit pas
voici les modeles 3 tubes utilisant une 3S4
Pour une fois il est excusable car visiblement notre amie n’est pas francophone et utilise un, mauvais, traducteur automatique.
merci mais pas de schéma?
merci très intéressant je crois que c’est ok salut
Bonsoir,
On n’a pas de modèle 3 lampes Papyrus-Radio Scouty au GL
Si @Jean06 pouvait nous poster quelques photos, ce serait sympa.
![]()
C’est le genre de photo, qui peut faire avancer !! Claire, précise, et surtout, sans obstacles à la vue ! Bravo !
@Jean06 Re,
Merci pour la photo.
C’est donc le modèle « Scouty Boy » (il faut modifier le titre du topic)
Modèle moins courant que les autres
il existe deux possibilites de schemas sachant que les tubes 1T4et 1L4 sont interchangeables
amplification directe
detectrice a reaction
avec 3 tubes cela n’esst pas plus compliqué
je pense que ton modele avec 3 boutons serait un modele a reaction
pour le confirmer
le CV a 1 cage ou 2 cages
Encore merci pour les docs
J’ai du boulot !!
Exact
Ceci, aurait pu, être visible sur la photo N°1, aurait pu ! ![]()
Bonjour,
Ce rare Papyrus-Radio « Scouty Boy » a maintenant sa fiche au GL.
@bellancourt_guy Photos du châssis. ![]()
Doctsf (Modèles & Marques)
Annonces 








