Bonjour.
J’aimerais refaire le bloc condensateurs sur un poste Ducretet Thomson ( pas de carton arrière , pas de plaque…) mais il ressemble comme deux gouttes d’eau au modèle C50…
La documentation du C50 donne le schéma du bloc condensateurs avec 5 sorties…Mais pas de chance le mien à 8 fils de sortie : 1 bleu, 1noir,1rouge,3 gris, et 2 noir et blanc.
Sur le bloc condensateurs il est inscrit en haut G1 5798 G2 et en bas 9 33.
Je vous joint 2 photos ,si ça peut vous aider
Bonsoir,
En principe, sur les Ducretet Thomson de cette époque, le modèle est frappé à l’arrière du châssis ; regardez bien, il y a quelquefois un peu de rouille dessus …
Bonsoir.
Je recherche la valeur de ce condensateur…
Existe t-il une nomenclature des condensateurs SIC ? Celui là est repéré 5521.
Merci et bonne soirée.
5521 c’est la date : 21ème semaine de l’année 1955.
Il y a forcément d’autres inscriptions sur ce condensateur.
Merci pour ce renseignement.
Mais il n’y a aucune autre indication…Ou il n’y a plus d’indication.
Bonne soirée.
regarder dans quel circuit du schéma il est place et on pourra déterminer une valeur fonctionnant
Bonsoir.
J’ai trouvé un N° de chassis 13112525B que je n’avais pas vu…Dommage , mais pas le modèle .
Merci
Oui c’est la solution…
Merci et bonne soirée.
Si il y est automatiquement, regardez bien partout c’est juste frappé par exemple C50 dans un coin …
Mettez nous donc quelques photos …
En principe pour les types Ducretet Thomson de cette époque c’est un « C » et suivi du nombre de lampes, avec éventuellement un 0 ou un B si le modèle existe déjà avec un seul chiffre.
Bonjour,
curieux symbole dessiné dessus
pourquoi un trait au milieu ?
kezaco au dessus ? deux autres bornes ? éclateur ?

Ce n’est pas un symbole mais le logo de la S.I.C. (Société Industrielle des Condensateurs) de l’époque, années 30.
D’ailleurs si @yecken nous donnait, comme demandé plus haut, un peu plus d’informations, marque et type du poste dans lequel il était par exemple, son identification serait plus facile …
Bonjour.
Je n’ai pas beaucoup d’information sur ce poste…C’est un Ducretet Thomson…Il ressemble beaucoup au modèle C50 B…Toutefois le bloc condensateurs ne colle pas celui du C50B à 5 fils de sortie et celui que j’essaie de réparer à 8 fils…
Effectivement…C’est le modèle 50
Bonjour,
J’ai regroupé chronologiquememt vos deux sujets ouverts pour la remise en état de ce poste et modifié le titre en conséquence.
C’est ainsi beaucoup plus simple pour vous et les autres intervenants d’avoir tout à la même place et de ne pas devoir répéter question et réponses à chaque sujet nouvellement ouvert.
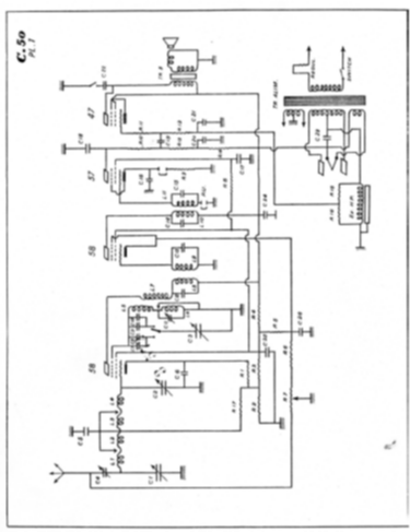
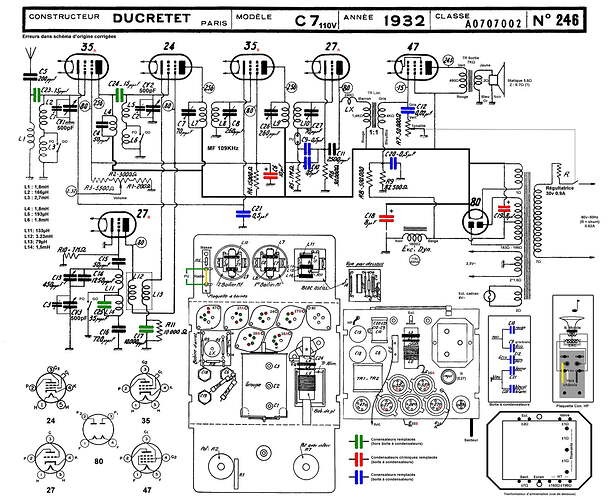
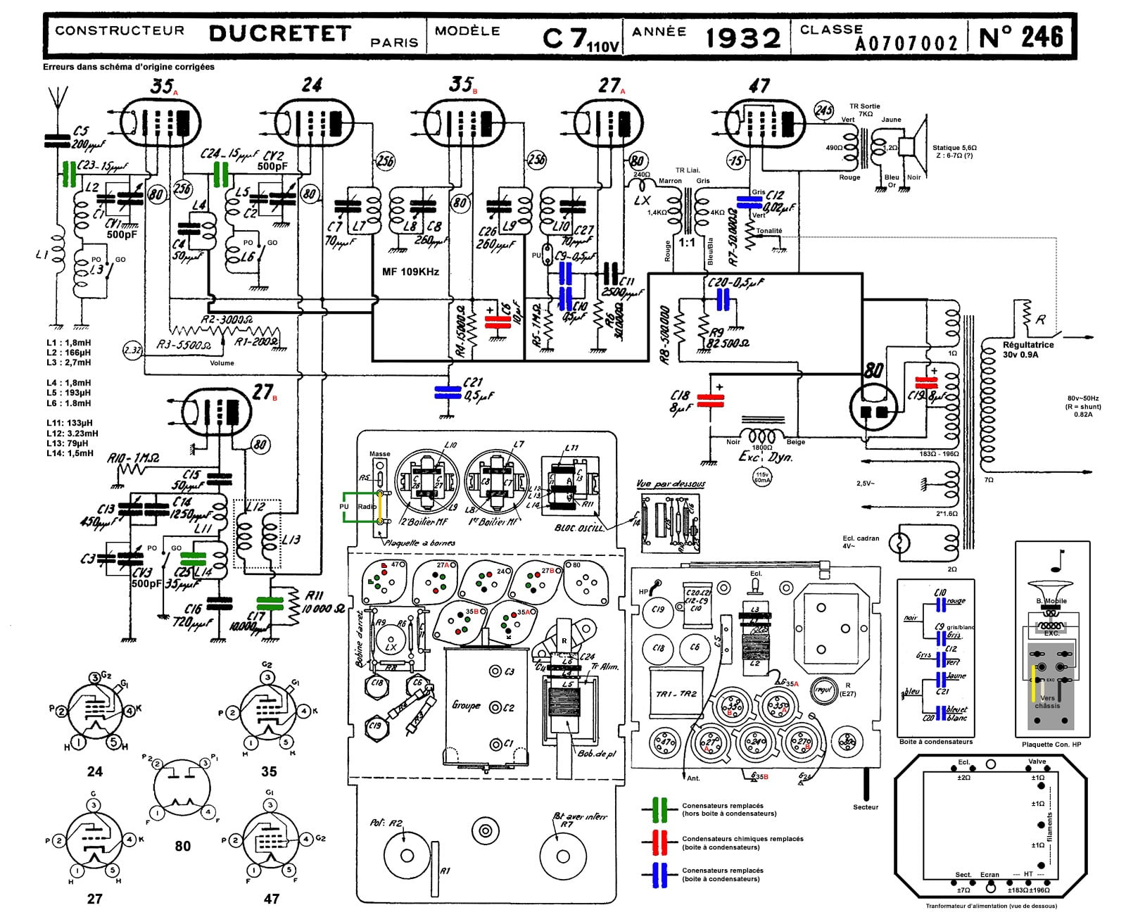
La fiche du C50 B (qui est plutôt ce modèle je suppose) est ici avec son schéma :
Combien a-t-il de lampes et quel jeu de lampes ?
Voir ce sujet pour la remise en état d’un C50, (il y a deux modèles différents le C50 puis le C50 B) :
http://www.tsf-radio.org/forum/forum.php?show=290341#290385
Deux documents tirés de ce sujet en lien
Le C50 possède une 47 en finale, le C50 B une 2A5.


Documents trouvés sur Rmorg, à télécharger si vous avez besoin des documents du C50
Voir également ce sujet qui explique les différences entre le C50 et le C50 B :
Bonjour.
Tout d’abord merci d’avoir regroupé mes deux questions dans le même sujet…
Le schéma à main levé m’intéresse bien avec les huit fils…Je vais vérifier les aboutissants des fils ,et si c’est bon je referai le bloc condensateurs avec les valeurs indiqués sur le schéma
Doctsf (Modèles & Marques)
Annonces 




