Remise en état ensemble Philips vintage

Bonjour,

Je souhaiterais tester un viel ampli philips 22GH919/22 retrouvé dans le grenier.
Les câbles enceintes sont manquants.
Les sorties de l’ampli ressemblent à ça :

De quelle connectique s’agit-il ?

Merci !

Bonjour,

fiches DIN de châssis femelles, très utilisées dans les années 70
les mâles sont réversibles

1 « J'aime »

encore une philipserie
on trouve facilement le modele 8 ohms
mais une borne plate et une borne ronde

Euh, c’est la même, il suffit de la tourner…

tres etrange cette prise 4 ou 8 ohms
d’autant plus que la doc de l’ampli le specifie a 8 ohms
ainsi que dans les procedures de test

J’avais un ampli Philips 22 RH 590; sur ces prises Din sorties HP, il était possible soit de mettre des enceintes 8 ohm ou 4 ohm.
A l’intérieur, entre les connexions 4 et 8 ohm, il y avait une résistance bobinée de 4 ohm.

Merci pour vos réponses, je vais acheter les connecteurs DIN 2 broches et tester ça !

jette un oeil pout voir comment son cablées ces prise il n’y a rien dans la doc

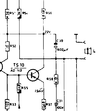
Pour être vraiment juste, ce n’est pas 4 ohm mais 3,9 ohm; R672.
extrait du schéma:

rien de tout cela sur le 919

Ce n’est pas une Philipserie, même si Philips en a fait un large usage.
Il s’agit d’une prise d’origine allemande (DIN = Deutsche Industrie Norm) dont Philips a (peut-être) été le plus gros utilisateur en tant que premier fabricant européen d’électronique grand public.
Tous les fabricants européens utilisaient les prise DIN dans les années 70 jusqu’à ce que les Japonais prennent le plus gros du marché de l’audio avec des appareils avec prises au standard US (cinch pour les entrées/sortie bas niveau, bornes à vis ou à pression pour les HP et les connexions d’antenne).
Je ne suis pas convaincu que c’était un progrès car une prise DIN à 5 broches faisait le même office que 5 cinch, et sans risque d’erreur de branchement.

1 « J'aime »

Bonsoir, je crois que d’un côté il y a une coupure du hp ,et de l’autre côté les 2 hp fonctionnent en même tenps.

1 « J'aime »

Schema de Claude 38 …Non, cet ampli « préfère » 8 ohms de charge et la position 4 ohms permet d’utiliser des enceintes 4 ohms moyennant une perte d’environ la moitié de la puissance dans la résistance de 3,9 Ohms.

1 « J'aime »

Un spécialiste de Philips saura peut-être nous dire si Philips a fait des fiches mâles avec détrompeur " géométrique " suivant le modèle d’enceintes.

Non, il n’y a pas de coupure, soit c’est une enceinte 8 ohm, soit une enceinte 4 0hm avec une résistance de 3,9 en série.
La préférence va pour un haut parleur en 8 ohm.

Bonsoi,

Oui, mais ici c’est un usage plutôt inhabituel, que je n’avais encore jamais vu, de ce type de prises à trois contacts.

Les prises de ce type, avec un interrupteur d’un côté, étaient plutôt montées comme prises de haut-parleur supplémentaire dans les postes de radio.

Elles permettaient, soit d’utiliser le haut-parleur supplémentaire en même temps que celui du poste, soit d’utiliser ce dernier avec le haut-parleur du poste coupé.

1 « J'aime »

Bonjour à tous,

J’ai récemment trouvé dans le grenier un ensemble hifi Philips composé de plusieurs éléments :

Un ampli 22 GH919/22
2 enceintes 22 GL562
1 platine AG 2230 W/00
1 platine Lenco L75


J’aimerais me lancer dans le projet de remettre en état ce système, sachant que j’ai très peu d’expérience dans ce domaine et qu’il y a déjà pas mal de problèmes que j’ai identifiés !

Je pensais donc poster ici ma progression dans ce projet, et surtout mes questions (qui seront certainement nombreuses) sur cette remise en état !

1) Les enceintes

Il y avait clairement quelque chose de gros et lourd qui se baladait à l’intérieur de l’une d’elles. J’ai (péniblement) ouvert le panneau arrière et les vis qui retiennent le moteur se sont cassées, et c’est le moteur qui se baladait à l’intérieur.

La bobine n’a pas l’air trop endommagée.

Par contre les vis sont les 3 cassées

Les 2 vis cassées sont coincées (+ 1 bout de la 3eme qui se balade encore entre le spider et le châssis) car les écrous se trouvant de l’autre côté du châssis m’empêchent de les sortir.

Comment pourrais-je m’y prendre ?

Je n’arrive pas à retirer le châssis du HP. Est-il riveté ? Il faut que je perce les rivets ou c’est le panneau entier qui doit être enlevé ? Une idée ?

Bonjour aupaaupa,

attention en cas de perçage du chassis de bien récupérer toute la limaille.
Son principal plaisir dans la vie est de finir dans l’entrefer de l’aimant et là… patience et persévérance pour tout récupérer :wink:

Bonne journée