Remise en route Super Navitech

Bonsoir
Merci pour la réponse
Ce qui est des transistors je connais pas grand chose
Avec le schéma je pourrais peut-être à me débrouillé, si on me dit ou prends les tensions
Je possède aussi un oscilloscope

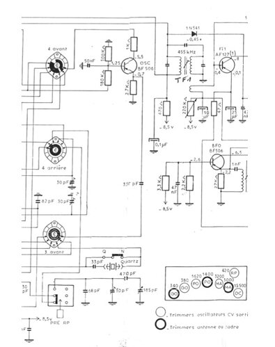
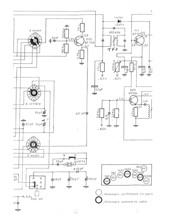
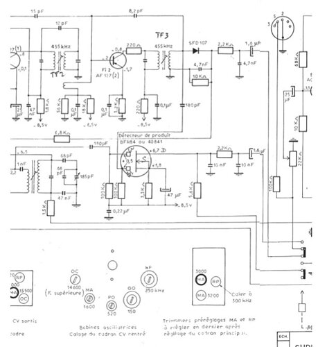
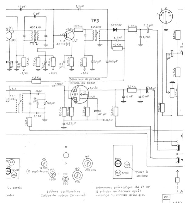
il vous faut localiser le transistor de la derniere moyenne frequence , c’est celle qui precede la detection

bonsoir pouvez vous me dire lequel ci joint les schémas
Merci

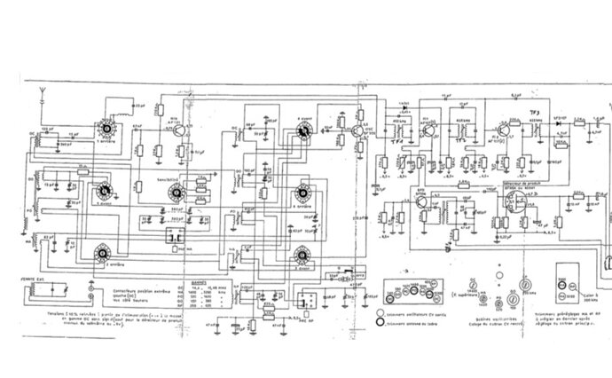
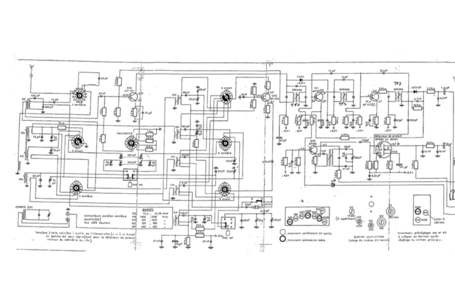
il doit manquer qq bouts carne n’arrive pas a assembler le schema
les transistors FI sont ceux ci avec les tensions indiquées dessus
image

je confirme ceux entoures sont bien les FI mesurer les tensions continues C, E; B;

ok je vous tient au courant
Merci
Bonne soirée

Faudrait peut-être préciser comment… :thinking:

c’est marque sur le schema en bas a gauche me semble t il
s’il coince on precisera


Pour quelqu’un qui n’est pas très à l’aise…

Bonjour à tous, bonjour Gérard,
Je viens de faire l’acquisition d’un modèle un peu similaire mais moins complet, j’ai fait un essai , il a l’air de fonctionner mais avant un bon nettoyage est nécessaire, le problème est que j’ai un fil ( rouge et blanc) de 3cm qui sort de la platine FI et qui ne va nul part, je précise que le récepteur ne semble pas avoir été démonté et qu’il n’y a aucune trace de bidouillage.le fil sort de la platine traverse le blindage et reste en l’air. quelqu’un a une idée?
Bonne journée

à tous Fario

Suite,
Gérard: ayant comparé votre photo et mon montage il semble que la platine FI est identique, pourriez vous me faire une photo de cette platine coté pistes cuivre?
Cordialement

Bonjour Fario,.

Si vous voulez répondre à Gérard, il faut :

  • Soit cliquer sur la petite flèche en bas à droite de son dernier message.

  • Soit mentionner ainsi son pseudo : @gerard, dans votre texte.

Dans ces deux cas Gérard recevra une notification l’invitant à venir consulter le sujet.

Sauf votre respect, j’ai cru relever dans le schéma de ce Navitech la présence de quelques transistors au géranium. Auraient-ils développé des moustaches d’étain à l’insu de leur plein gré ? :thinking:

possible car ils sont de la serie des AFxx
raison pour laquelle j’ai demande les mesures des tension

Gérard ! Il faut que je te parle ! Il existe une procédure pour raser ce genre de moustaches. Je ne t’en écris pas plus tant que tu n’as pas mesuré les tensions dans le bon sens ! :smiling_face_with_three_hearts:

bonjour
je pense que c’est cette platine vous me confirmer



Je prends les mesures ou ?
Merci
Gerard

Bonjour je viens d’envoyer des photos de la platine ,je dois prendre les mesures ou ?
Merci
Gérard

Chuttt ! Radiolo fait sa sieste ! Patiente un peu… :kissing:

Bonjour,
J’ai le même.
Il ne faut pas espérer recevoir grand chose, j’attrape seulement RTL au milieu de la bande GO, ensuite seulement du bruit en OC et à gauche de la bande marine, mais mon labo est très bruité.
Si cela intéresse un collectionneur,il est en parfait état, je le cède pour 50€ FDPI, je l’avais payé 70€.
cdt,
Gérard