REstauration Motorola 5A7A

J’ai entamé ma première restauration sur une radio Motorola 5A7A de 1948.
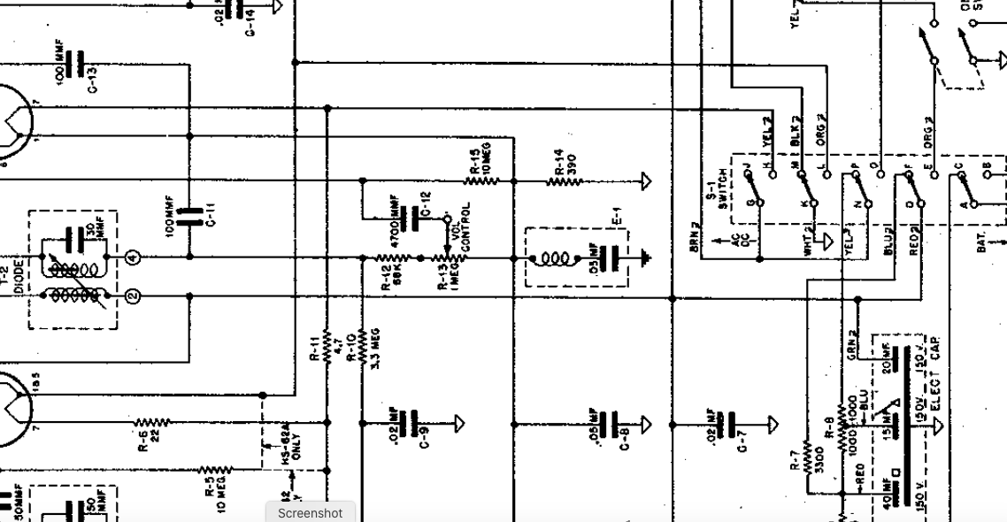
J’ai commencé par changer tous les condensateurs mais un condensateur me pose question : il s’agit d’un condensateur mais avec un enroulement de type self autour du corps cylindrique fixé par une couche de cire.
Question : à quoi ca sert ce type de composant ?
Sur le shema, il est repéré E1 sous le potentiomètre de volume.


radiomuseum-motorola-inc-5a7a-93583.pdf (297,8 Ko)

Autre question : je ne vois pas de lueur de filament sur les lampes type 3S4. J’ai bien du 3V sur les broches 1à 7 et j’ai quelques Ohm entre ces 2 broches.
Est ce normal de ne pas voir de rougeoiement de l’extérieur ?

Merci

Bonjour,

En fait E1 est une self en série avec une capa. On appelle ceci un circuit bouchon. A la fréquence de résonance son impédance devient minimale. Comme E1 est en // avec R14 résistance commune de cathodes, à cette fréquence, les lampes 1R5 et 1S5 amplifient plus. Cette fréq est très certainement la FI du poste.

A voir si d’autres confirment.

La difficulté sera de pouvoir lire la valeur de capa d’origine car sera critique pour le fonctionnement optimum. Maintenant, ce sera probablement une passoire et la fréquence critique sera décalée.

Bon bricolage

Ce qui est intéressant c’est que E1 est relié à la masse du châssis et non à la masse électrique (flottante). Pas le même symbole.

1 « J'aime »

Normal, ces lampes Miniature 7 broches pour postes batterie-secteur n’émettent que peu de lueur dû à leur faible voltage, pratiquement invisibles en plein jour.

A +.