Restauration Técalémit Super 58

J’ai une antenne de 18 m dans le grenier sous toiture bac acier ce n’est peut être pas la panacée mais elle fonctionne sur d’autres postes.
Comme je l’ai écrit dans un post plus haut je reçois très faiblement RTL mais le fait de mettre un tournevis sur G4 augmente la réception mais je suis obligé de modifié le réglage du géné pour avoir une belle sinusoïde.
RTL- CV1

RTL-CV2

Tournevis sur G4

Bonjours à tous,

J’ai besoin de vos éclaircissements car même avec une antenne de 18 m ou une antenne cadre capte je ne reçois pas RTL ni la BBC et le fait de mettre un cordon de mesure d’environ 1m s sur le téton de la G4 j’ai de la réception et même antenne débranchée ?

Bonsoir camarade Bricoleur ! Le couplage d’antenne ne se fait pas. là, où tu la branche (l’antenne), c’est comme si tu la raccordait sur CV2. Branche-la , sur CV1. si ça ne fonctionne pas, tu n’as pas de couplage entre les bobinages du présélecteur. Si tu entends quelque chose, le couplage se fait . Dans ce cas, ce serait le couplage antenne/première section du présélecteur, qu’il faut mettre en cause.

Bonsoir Guy,
Je ferai l’essai demain ou lundi sur CV1 étant rentré à la maison.

on a vérifié le couplage est magnétique et se fait


le pré sélecteur fonctionne bien

par contre je pense que l’OL n’est pas sur la bonne fréquence
en bref le battement de Fréquence reçue par le présélecteur avec la fréquence OL ne tombe pas sur la fréquence FI
qq chose est décalé
soit l’OL
soit le présélecteur , mais le présélecteur a été contrôlé en fréquence , et il est a peu près bien centré dans chaque bande Po et GO ( lire les post précédents )
reste a contrôler la fréquence de l’OL

tu met ton géné en CW sur la fréquence de RTL en GO
oscillo sur G4 CV2 et tu tournes le bouton d’accord du poste pour obtenir le max de d’amplitude a l’oscillo
après tu mesures a l’oscillo la fréquence de l’OL ( sans trop le perturber )
la différence des deux doit être la fréquence FI

Il ne reste plus que ça,. Au niveau du présélecteur, il n’y a pratiquement pas de composants, peu de commutations, les bobinages, ne sont pas coupés. J’ai remarqué, qu’avec un poste muet, ou très « discret », qui réagit, en influençant la grille du convertisseur, on avait souvent, un disfonctionnement de l’OL et/ ou de la FI.

et la ce qui complique l’affaire c’est que l’on a plus de cadrant pour repérer la place de RTL

A l’estime, CV ouvert à 75%, ensuite, on affine .

Bonjour à tous,

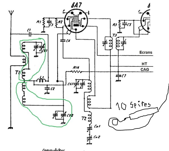
Pour mesurer la fréquence à l’oscillo sur l’OL je pratique de la même façon que la mesure de tension c’est à dire en passant par une R de 1 M sur la grille et la masse de la sonde sur la cathode ?

en GO du doit avoir suffisamment de tension et une oscillation énergique pour pouvoir mesurer avec la sonde terminée par une bobine de couplage d’une dizaine de spires que tu approches du bobinage oscillateur

Je ferai la manip demain, il suffit d’approcher la sonde de 10 spires des bobinages de T1 ?
RTL est présent sur l’ancien et sur le nouveau cadran qui est un scan retravaillé.
La précision est assez large en GO.

Si RTL est sur le cadran
quand on a vérifié le présélecteur , tu refais la même manip en calant le géné sur RTL si on ne s’est pas loupé la position de l’aiguille sur RTL doit correspondre au max d’amplitude

exactement

mais commence par vérifier que le présélecteur est bien accordé sur la fréquence de RTL quand l’aguille est sur RTL
on sera sur de la position du CV pour vérifier l’OL

Droitwich, c’est la BBC ?

probablement c’est près de Birmingham en Angleterre
mais la BBC a beaucoup changé de fréquence

Bonjour,

J’ai vérifier si il n’y avait pas décalage pour la réception par rapport au cadran.
Sur la 1ere photo j’ai injecté le signal du géné à 234KHz
Sur la 2éme photo l’aiguille se situe au meilleur niveau de réception de RTL mais en vérifiant avec le balayage du géné l’amplitude max est à 241,5KHz.
J’ai fait la même manip pour la BBC en injectant le signal à 198KHz et pour la réception l’amplitude max est à 219,2KHz.
Par contre je n’obtiens aucun signal à l’oscillo avec la self.


ça devrait
sur que ton OL fonctionne ? > tension négative sur la grille oscillatrice

Bonjour
Actuellement qui peut prétendre caler l’aiguille sur le « pavé » des émetteurs GO en prenant les marquages fréquences et longueur d’onde , il faut se faire une raison puisqu’ils seront appelés à disparaitre

il ne s’agit nullement de cela mais de former un ami a un problème d’alignement assez complexe
du fait qu’il n’y a pas de moyen de réglage du présélecteur
mais uniquement un réglage possible de l’OL par les paddings

oui l’oscillateur fonctionne
GO CVo = -5,55 CVf = -5,37
PO CVo = -9,60 CVf = -4,32