Restauration Técalémit Super 58

Pour voir, juste pour voir ce que ça donne, au lieu de mettre le doigt sur le têton (de la 6A7, bien sûr ),essaies de monter une capa, de faible valeur, 22 pF maxi, entre CV1, et, CV2. Si tu n’as pas cette valeur, tu soude sur chacune des cosses supérieures des cages CV1 et CV2,un fil rigide isolé, (du fil cuivre verni de transfo, pas trop fort en diamètre )d’une longueur de 10/15 cm, que tu torsade assez serré, sur une (pour commencer)longueur de 5 cm. Peut-être, y aura-t-il une amélioration. Tu peux, ensuite ,torsader davantage, ou détorsader, pour voir si ça change quelque chose. Essai, à faire, en PO ou GO, car, en OC, je ne sais pas ce que ça fera ! A essayer aussi, de toutes façons, c’est sans risques !!
Après, quelques recherches :


UN présélecteur, du genre, de celui qui équipe ton poste (un peu plus élaboré )

Là, pratiquement le même, au bobinage d’antenne près, avec le fameux condensateur, pour favoriser le couplage.

les circuits du présélecteur PO et GO sont forcément couplés avec l’antenne et entre eux car bobines sur le même mandrin
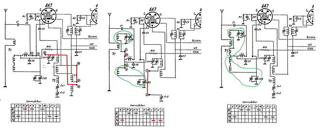
voir la photo du bobinage


il ne reste que la possibilité qu’ils ne soient pas accordés sur la même fréquence ou que la commutation PO/GO mer…

ce qui est facile a vérifier en PO et GO ( en OC le présélecteur n’existe pas , c’est pourtant là que l’on en aurait la plus besoin)

en regardant le circuit OL on constate qu’il faut d’abord régler le padding PO puis le padding GO

Un problème de trimer sur les cages CV1/CV2 ?

oui possible un C/C sur un trimer ferait le même effet qu’un défaut du type C/C entre lames sur CV1

Bonjour Rémy et Guy,
C’est vrai que c’est le matin qui avance…mais ce n’est pas mon cas ce matin , le soleil se décompose en mille et une gouttelettes ce qu’on appelle chez nous le crachin cherbourgeois et ne donne pas envie de démarrer la journée trop vite !
@bellancourt_guy pour la capa de 22pF je vais regarder ce midi si j’ai à la maison mais quelle tension sous la main jai des 220pF/500V
Pour le moment j’attaque le remontage.

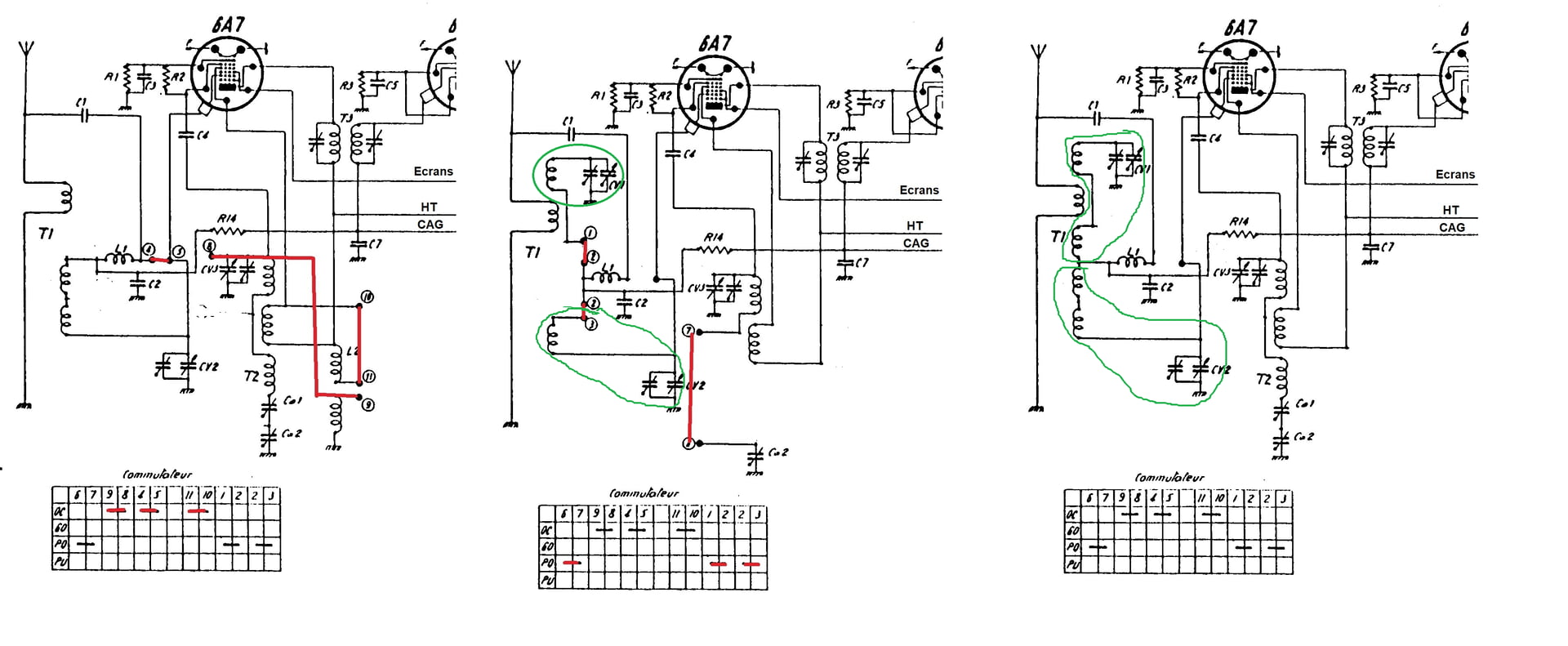
Avant de tout remonté la R de 22K absente du schéma entre la HT filtrée et le point commun de la self T2 du point 10 et L2 je la laisse ?
La capa de 2nF aussi absente du schéma de l’antenne à self de l’antenne je laisse aussi ?

La capa, de liaison d’antenne, d’après la nomenclature, fait aux alentours des 50 pF, donc ,avec tes 2nF, tu es dans les choux ! Maintenant, là où elle est placée, elle ne va pas empêcher le fonctionnement, la résistance, c’est pareil, ça ne doit pas changer grand-chose.
Autre réponse, a une question posée concernant la valeur en tension, pour une capa, de couplage : à cet endroit-là, les tensions sont si faibles, que tu n’a même pas besoin d’y réfléchir !

Merci Guy pour les réponses, j’ai trouvé des capas de 47pF que je vais mettre en série.
En cas pour le fil torsadé si j’ai bien compris c’est de torsader le fil de CV1 avec celui de CV2 ? j’ai du 0,355 mm j’espère en avoir assez ! :rofl:
20221013_134327

avant de bricoler le couplage ( qui ne peut pas avoir évolué car de type magnétique) commence par mesurer la fréquence de résonance des deux circuits accordes du présélecteur
tu injectes ton géné HF sur l’antenne et tu vérifies la résonnance du 1er circuit sur les gammes PO et GO en mettant une sonde 1/10 d’oscillo sur CV1

la capa de 2nF ( vaut mieux un 600V ) en série avec la bobinage antenne est là tout simplement pour éviter de cramer la bobine antenne en se servant d’un fil secteur comme antenne ( pratique courante à cette époque)

J’espère avoir fait la bonne manip :
J’ai injecté le signal du géné sur l’antenne et connecté la sonde 1/10 de l’oscillo sur le haut de CV1 qui me donne une sinusoïdale qui passe par un maxi en balayant avec le géné et l’amplitude peut varier avec le CV
oscillo

c’est OK il te reste à vérifier que le circuit accordé couvre bien les fréquences des bandes Po (530 KHz a 1600Khz) et GO (150KHz a 285KHz )
pour cela tu peux t’aider des graduation du cadran en mètres ou en KHz

En Go CVfermé : 139 khz CVouvert : 332khz
PO : CVfermé : 492 khz CVouvert : 1,2mhz mais la sinusoïde est moins nette

C’est pas évident de se servir des indications du cadran aucune précision surtout en GO, la fréquence je la lis sur l’oscillo.
Il ne faut pas oublier que le cadran est refait le plus parlant est l’échelle PO exprimée en mètre et je me suis calé sur 300m qui fait 1000Khz et avec le géné je suis à 866Khz !

on va voir ce qui sort du filtre
met ta sonde d’oscillo sur CV2

  • CV2
    GO : CVfermé : 139 khz CVouvert : 3355khz
    PO : CVfermé : 500 khz CVouvert : 1,3mhz

Les longueurs des bandes annoncée pour ce poste sont :
GO 900m (333Khz) à 2000 m (150Khz)
PO 200m (1500Khz) à 570m (526 Khz)

il y a des décalages entre les deux mesures sur CV1 et CV2 donc le présélecteur ne fonctionne pas correctement > perte importante de sensibilité
regarde le réglage des trimmers des CV1 et CV2 pour essayer de faire monter la gamme PO vers 1.4MHz
tu commences par mesurer sur CV1 et régler son trimmer, pour obtenir un max a 1.4MHz ensuite sans toucher au CV et au géné tu mesures sur CV2 est tu essayes d’obtenir un max d’amplitude avec le réglage du trimmer de CV2

Les trimmers sont les vis dans les cercles un par CV ?

CV

oui ceux de CV1 et CV2 a réger dans l’ordre prescrit

Bonjour,
J’ai monté jusqu’à 1400Khz sur le trimmer de CV1

Idem sur CV2 sans toucher quoique ce soit à part le trimmer

les deux circuits accordes sont bons en PO
fait la mesure en GO près de la frequence de RTL cans toucher a aucun accord bien sur car il n’y a pas d’accord par trimmer spécifique pour les GO
je pense qu’il comptent sur la fait que les circuits GO sont moins pointus en accord et que cela doit
je pense que le présélecteur est maintenant réglé et doit fonctionner passer si les PO sont 0K
il te reste a caler l’OL pour que la fréquence reçue tombe bien dans la bande du présélecteur
comme on n’a plus le cadran d’origine pour se caler en fréquence il faudra tâtonner un peu
mais je pense que c’est pas loin
si tu n’y arrive pas a tâton
la solution est de caler le géne sur un fréquence en milieu de bande tourner le bouton d’accord du poste pour avoir au scope le max d’amplitude sur CV2 et ensuite regler l’oL pour recevoir le signal du géne module en diminuant la niveau du géné au min audible pour que la CAG ne géne pas
après, tu met un bonne antenne et cela doit fonctionner le soir en PO et tu dois recevoir RTL en GO