Bonjour je aimerais vous faire voir ma trouvaille dans un vide grenier. Un ten-tec argonaut 509 ou 505 (émetteur récepteur de radioamateur).
En essayant de l’allumer avec une batterie 12v et un antenne de cb le poste c’est allumé les lumières du cadran aussi le souffle était fort mais lorsque je suis passé en mode cw les lumières sont restées allumé mais plus aucun souffle en pressant le côté gauche du poste le souffle revient en grisillan puis lorsque je relâche plus rien. Je l’ai démonté et effectuer une pression au niveau du radiateur de l’ampli le son reviens en grisillan alors j’ai pensé a une patte dessoude ou une vis qui tient le radiateur qui était mal serrais. Je l’ai serrais mais maintenant plus rien même quand j’appuie. Je voulais savoir votre avis.
J’ai une courroie du cadran a changé aussi.
Avez vous une idée de où chercher ?
bjr
Mettre les mains dans ce genre de matériel assez complexe necessite de bonnes conaissances en dépannage!
trouvé cette notice de service qui sera une bonne base de départ:
argonaut509_manual.pdf (3,4 Mo)
a partir de la page 35 il y a des relevés de mesures intéressants qui peuvent vous aiguiller vres la partie en panne!
fiche faite
pris de vitesse! j’allais la faire…
Merci beaucoup je vais mesurer les tensions ce soir
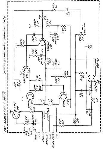
Bonjour je viens de faire mes mesures et j’ai trouvé un condensateur qui fuit sur la carte de l’ampli audio .
On voit un peu une trasse jaune que l’on voit plus sur la troisième photo.
Puis deux condensateur qui fuit sur la carte d’a côté
Et second problème les cartes électroniques je n’arrive pas à les défaire du socle pour apercevoir les soudures je me demandais si je couper les pattes des condensateurs au ras de celà est que je ressoudé les nouveaux condensateur sur les pattes des anciens est-ce une bonne idée ?
3eme problème les condensateur a remplacer son de 125microfarade 16 volt mais je n’en trouve pas sur Amazon et apparemment il n’en font que pour du 450 volt ( pour démarreur de voiture) est ce possible
De remplacer la valeur par 220 microfarade par exemple ?
150µF serait plus adéquat que 220. Il faut surtout qu’il puisse se loger dans l’emplacement de l’ancien. Quelles sont les diamètre et longueur ?
Quelles sont les tensions sur les sept broches de la carte ? Il vaut mieux se fier au multimètre qu’à l’apparence des composants.
Sans accès aux deux cotés de la carte, elle est pratiquement in-dépannable.
Bonjour,
Si c’est celui qui est en série avec le HP, la différence de tonalité ne sera pas significative
.
Doctsf (Modèles & Marques)
Annonces 







