bonsoir
J’ exhumais cet am un de mes postes , donné par un ami voici des années ., et pas identifié
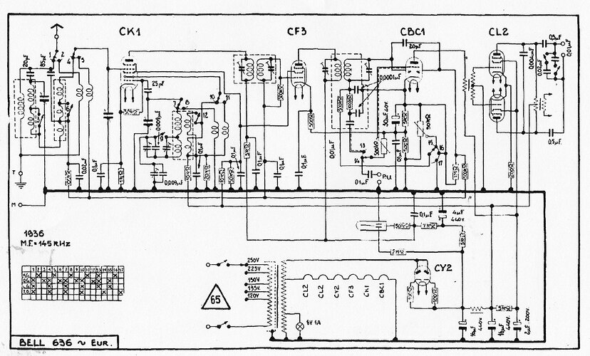
le jeu des lampes relevé , ( il y en aune marquage effacé , mais semblable à celle d’ à côté : CL2) est EK2, CF3,CBC1,?, CL2,CY2
bon on ne trouve rien avec ce jeu , car la EK2 jure dans le lot !
par contre on trouve quelques postes , dont certains chez Radiobell avec une seconde CL2 à la place du ? , et une CK1 à la place de la EK2 ( le 636 )
la EK2 est dite équivalente de la CK1 , à partir de 1936 , mais avec un chauffage différent .
donc le jeu initial devait bien être CK1, CF3, CBC1, CL2, CL2, CY2.
poste donc vraisemblablement de 1935/36
Il a cependant un TA au dessus duquel est juché la CY2 ( à vérifier , n’ ayant jamais sorti le chassis .) donc ce n’est pas un " tous courants )
les photos :
il y a aussi le Phrynis " odeon " français avec ce jeu , mais pas même boitier et que 3 boutons, et aussi un Lorenz ( Belgique ) ,
Doctsf (Modèles & Marques)
Annonces 








