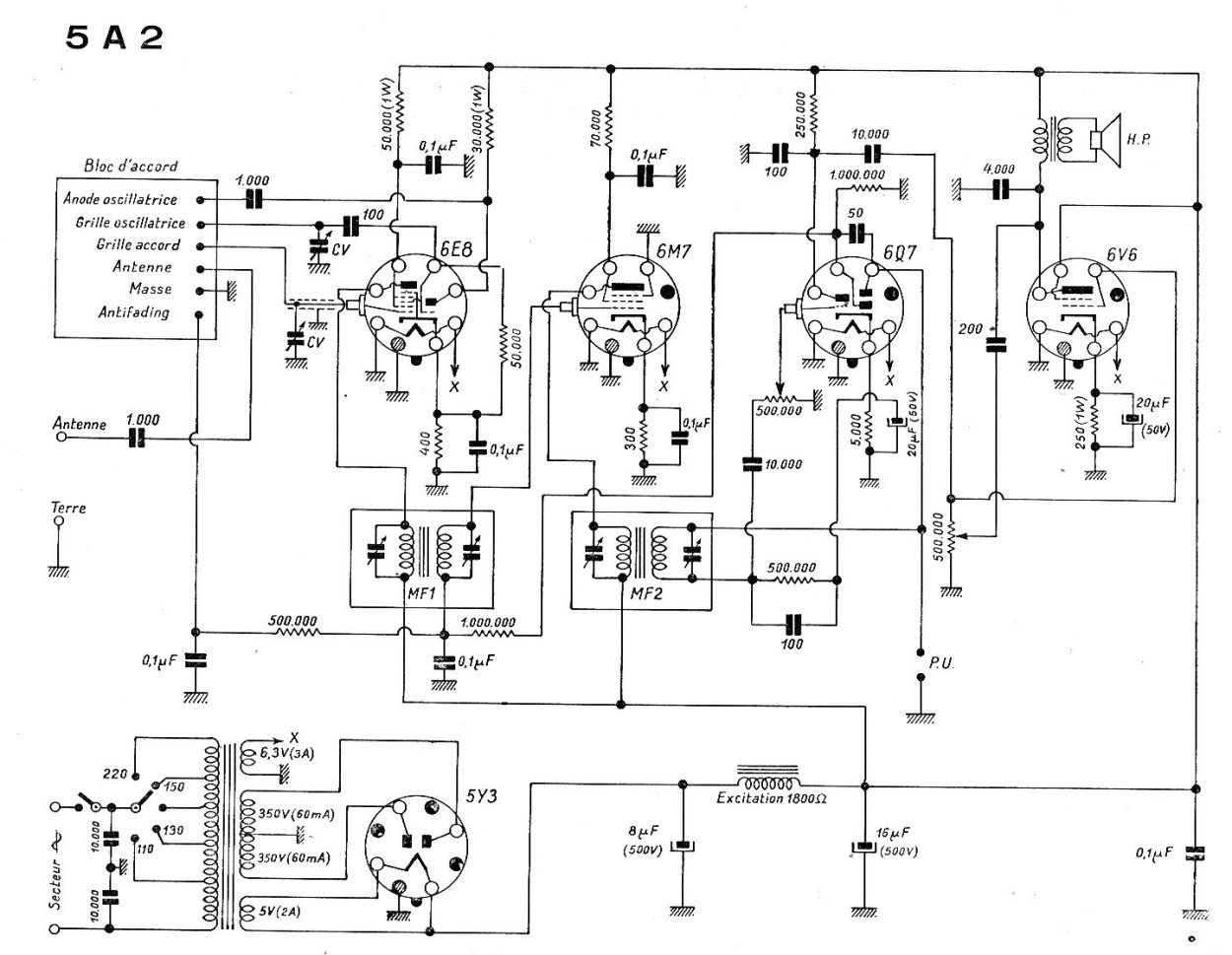
Je suis à la recherche d’un schéma fiable pour un poste TSF sans marque à réparer. Principalement de l’étage de détection et ampli B.F composé des lampes suivantes : 6Q7 et 6V6 Merci d’avance 
Bonsoir.
Voici un schéma générique avec 6V6 et 6Q7.
Cordialement.


Monsieur Mouty je vous remercie beaucoup de votre diligente réponse.
Cordialement
Bonsoir
A cet endroit il ne faut pas de pont.

Si, justement il y a une erreur sur le schéma et il faut que le chimique et la résistance de charge de détection retournent à la cathode de la 6Q7.
Comme dans les autres schémas de Gaudillat, le 5U2 et le 6A2.

jour
bin voui Pierrot, c’est qu’est qui dit adams y a pas de pont donc y a connexion 
Si on dit tous la même chose, alors c’est sûrement vrai !

(Vox populi, vox Dei) 
Doctsf (Modèles & Marques)
Annonces