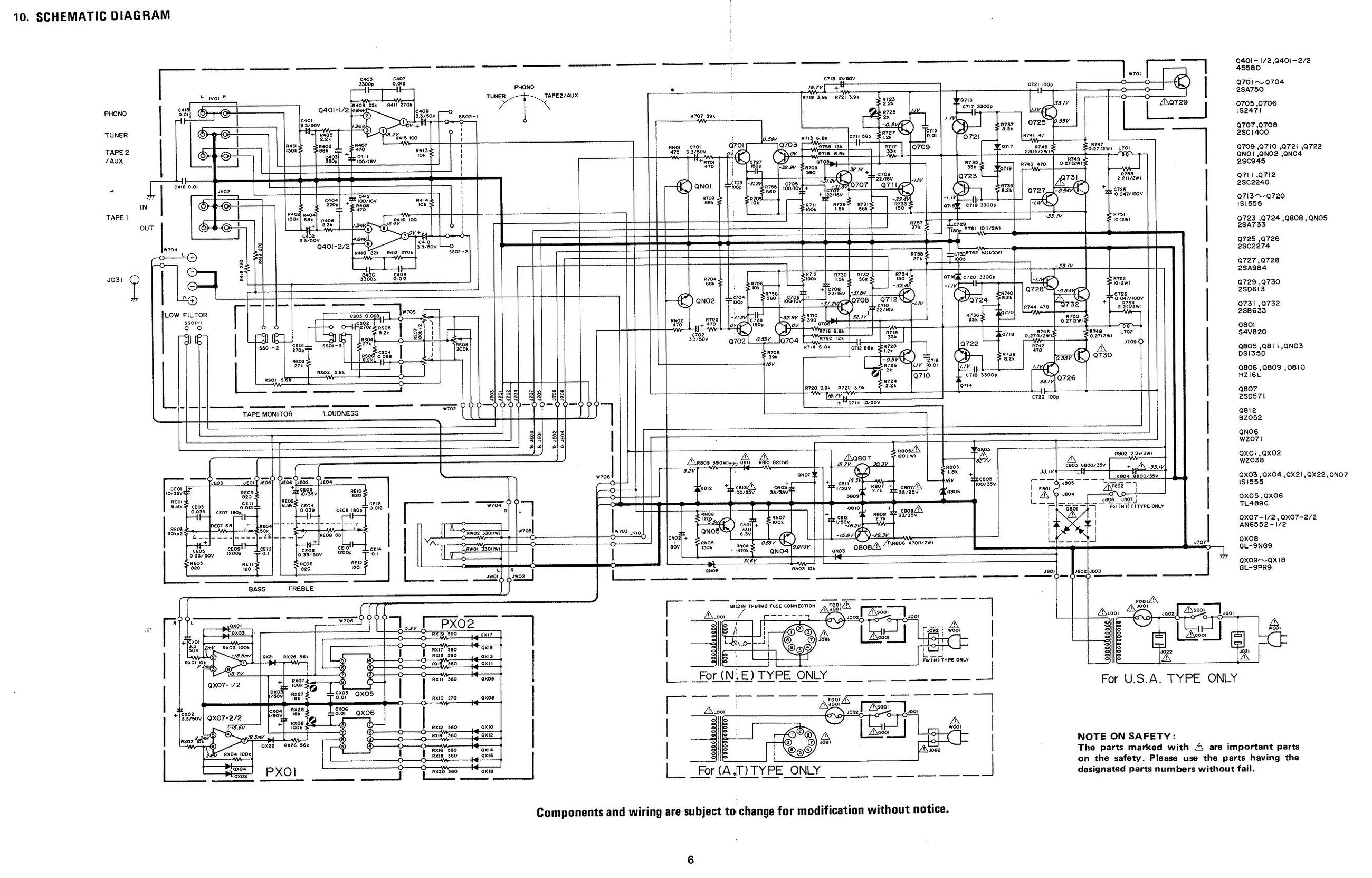
Schéma Marantz PM25

Bonjour, je viens d’ajouter dans la documentation le schéma de cet ampli un peu trop vite sans précision, comme je ne sais pas comment corriger, merci de le faire !
Il s’agit de la version argentée et non noire

tu l’a mis ou ?
je ne le vois pas dans les fiches PM25

Merci

@TruVox
il est a transferer dans quelle fiche , il y a 2 PM25 ?

Dans celui indiqué ‹ type console › de couleur argenté.

voila c’est fait

Merci

Oups je suis désolé j’ai vraiment été trop vite, ce schéma est celui du PM310 qui lui ressemble beaucoup et qui possède au moins un circuit en plus.

Donc peut-être faudrait-il ajouter une mention le précisant.

Voici ma source :

mention rajoutée en debut de texte

Ok merci.

Je n’arrive pas à retrouver cette page à partir de mon smartphone, c’est quoi le lien ou que tapes-tu pour faire cette recherche ?

tu vas dans modeles et marques la ou se trouvent tous les appareils listes dans le grand livre


tu renseigne marque , si la marque existe elle t’est proposée des qu’elle est reconnue la tu cliques sur la proposition pour confirmer la marque
ensuite tu renseigne le modele
et tu valides en bas la recherche
le moteur de recherche te donne la ou les fiches correspondant a ta demande

si tu met uniquement la marque sans modele le moteur de recherche te donne tous les appareils de la marque

Ok merci je vois la démarche.

Voici ce que j’ai fait et je ne retrouve pas ces modèles PM 25





non ce n’est pas cela qu’il faut faire
la tu vas dans les arcanes de stockage des données par marque
meme nous on a du mal pour s’y retrouver
on n’y stocke generalement rien directement c’est le moteur de recherche modeles et marque qui s’en charge et fait les liens necessaires
c’est modele et marque

C’est noté

tu as trouve la fiche ?

Oui par contre dans le commentaire c’est le schéma du PM 310 et pas celui du PM 10 …petite erreur de frappe

cela tu peu le corriger toi meme en editant la fiche avec le crayon
mais j’ai fait la correction

1 « J'aime »