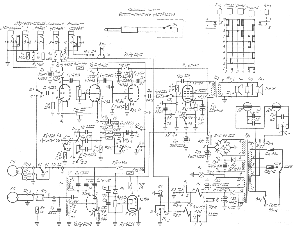
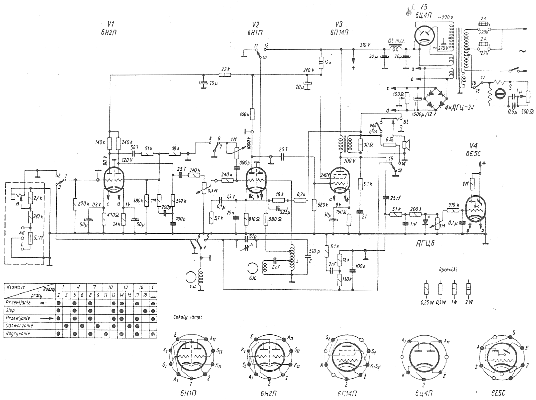
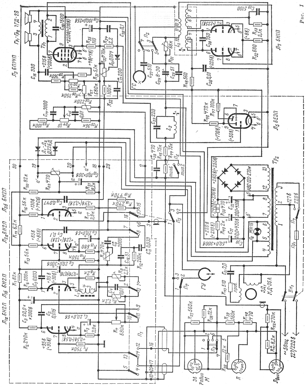
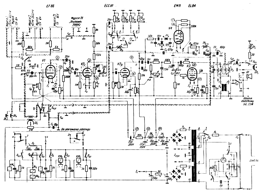
Dans le cadre du chantier de publication des schémas épars (voir ici)
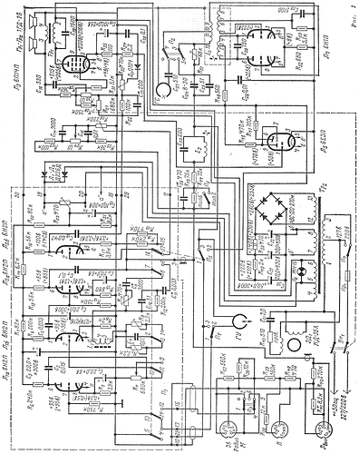
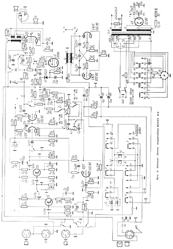
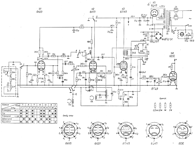
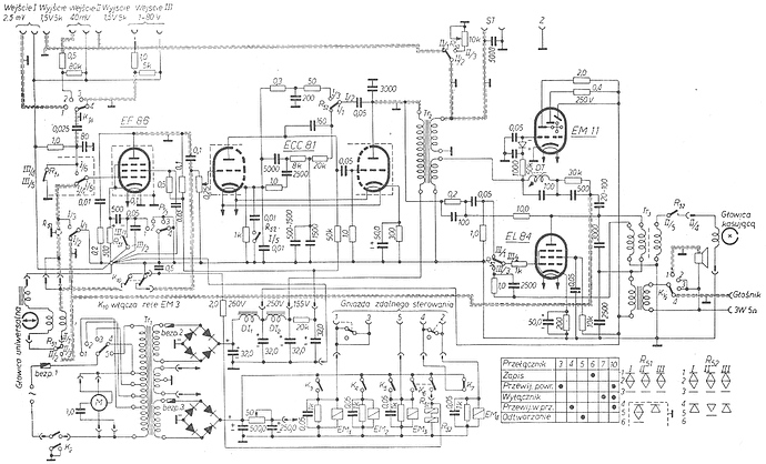
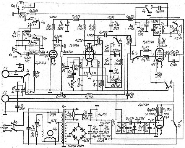
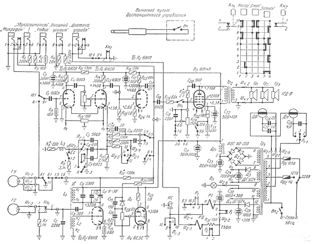
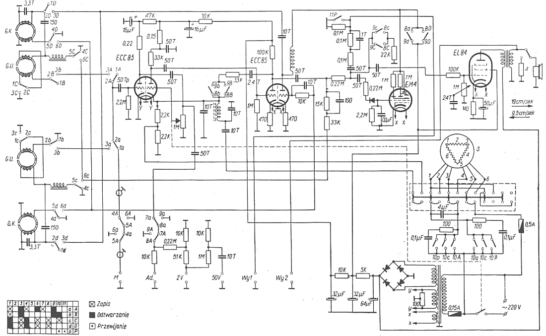
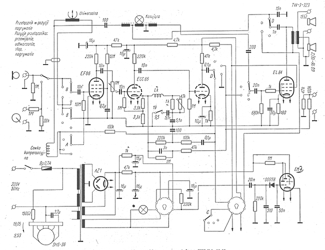
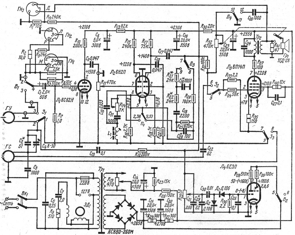
j’ai quelques schémas de magnétophones russes.
Pas de marque apparente.
Je vous les mets ici, au cas où ils puissent être utiles à quelqu’un.
Et s’il y a un bon connaisseur de ce matériel, qu’il n’hésite pas à se manifester !..
Doctsf (Modèles & Marques)
Annonces 










