SONORA Perfection 821 3D - Besoin d'aide - Plan Incomplet

Tout d’abord un GRAND MERCI pour l’aide et les conseils éclairés que j’ai reçu sur ce forum de passionnés.

Je suis Marc de la Drôme et je m’intéresse aux postes lampes depuis que j’en récupère à la déchetterie, je n’avais pas le temps de m’en occuper maintenant oui ! Mes connaissances en TSF sont très limités. En électronique des années 70/80 je me débrouille. Me voila revenu samedi avec un Sonora Perfection 821 3D (4HP) grave aigu et 2 petits latéraux + sortie magnéto.

La TSF en état très moyen, ouverte, un peu de rouille par-ci par-là. Seulement 5 lampes ou tubes, sur les 8 qui sont en place ! Il me manque 3 lampes, et je ne sais pas lesquelles ! Celles en place sont effacées. J’ai le schéma, mais j’ai du mal à m’y retrouver. j’ai juste besoin de savoir quelle référence va dans quel support. Je vous envoi une photo.

D’avance merci les pros du Tube

Bonsoir
Ce poste fait l’objet d’une fiche , ce qui pourra surement t’aider :wink:

2 « J'aime »

Merci

Bonjour à tous

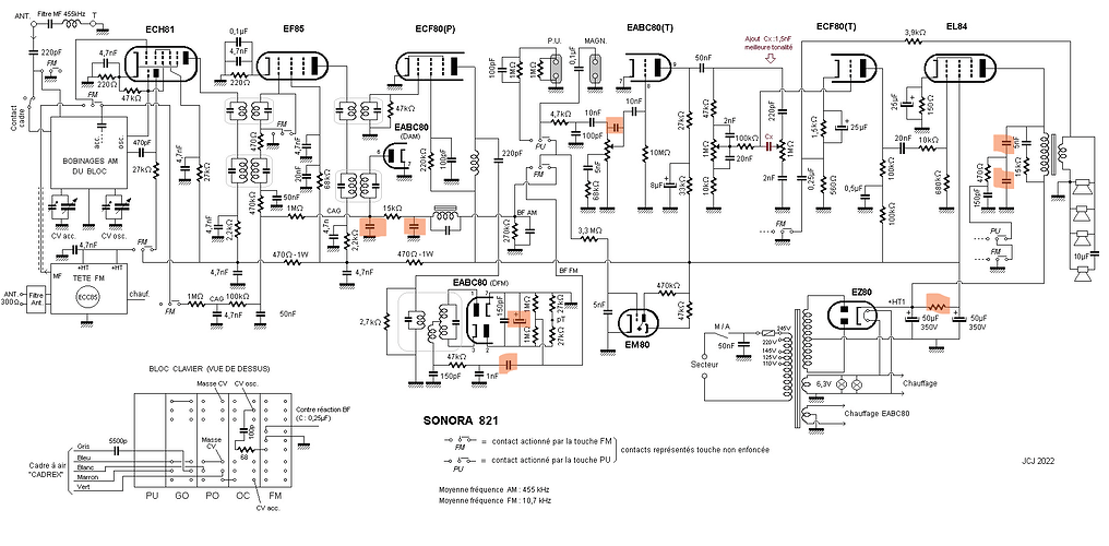
malgré ce plan, j’ai du mal à mi retrouver. Je pense que la lampe du haut est EZ80, celle du bas à droite, EL84, et en bas à gauche ECF80. Dans mon petit stock de lampes, j’ai une EZ80 et une EL84 pas de ECF80, mais j’ai une 6AK8. Sur le plan du SONRA 821, des valeurs de condensateurs et de résistances son manquantes. Quelque a t’il le plan original ou connaissez vous ces valeurs. En photo le plan incomplet.

Encore Merci

EZ80 et EL84 son bien a leurs bonne place
pour les composants manquants je regarde
si tu as le poste c’est facile de lire leur valeur
@Jardine_Jean-Claude
@Jean-Claude76
@Radioteppaz
ils pourront peut etre te renseigner
apparemment c’est le desert un seul schema celui du GL releve par JC Jardine

1 « J'aime »

Merci pour ta confirmation, ça va beaucoup m’aider. Le schémas ne correspond pas exactement … j’ai une résistance qui à cramé et est coupé (fendue) je ne peut pas lire ni mesurer sa valeur. c’est la résistance entre les 2 + des 50uf.

Il serait bon de savoir pourquoi elle est cramee ?

1 « J'aime »

bien classiquement le 2eme filtrage en C/C
la R entre 1 et 2K 3W

1 « J'aime »

Oui bien sur, j’en suis à constater les dégâts, un condo oxydé pate coupé, et la résistance partiellement cramé ….

Merci

Bonjour,


La résistance entre les deux condensateurs de filtrage fait 1000 Ohm.
JC Dubreuil

1 « J'aime »

En apparence, c’est bien ça ! ! ! :wink:

le vieux Tryphon
.

1 « J'aime »

merci je corrige le schema
ce doit etre une 3W

1 « J'aime »

Merci @Tryphon_Tournesol @Jean-Claude76 @Radiolo

Bonjour A tous

Quelque nouvelle du Sonora 821 … Apres une grosse bataille de câblage et le changement de condensateurs et d’une résistance brulée, il chante à nouveau. Je suis très surpris par la qualité des filtrages…. Aucune ronflette, en FM, en PU et en Magnéto. Juste du souffle à fond. très bonne qualité se son que je vais améliorer en changeant 2 HP.

Pour Info le Schéma du SABA W5 3D est extrêmement proche et m’a aussi aidé.

il me reste juste un léger souci et j’ai besoin de vos lumières. L’œil magique est alimenté (le filament est orange mais aucun éclairage vert en réception optimum. c’est une EM80. Merci pour votre aide.

Question subsidiaire … Comment “booster l’éclairage vert d’un œil magique ??

tu peux tenter d’alimenter l’oeil avec la HT prise avant le filtrage

Bonjour A tous

Quelques nouvelles du Sonora 821 … Apres une grosse bataille de câblage et le changement de condensateurs et d’une résistance brulée, il chante à nouveau. Je suis très surpris par la qualité des filtrages…. Aucune ronflette, en FM, en PU et en Magnéto. Juste du souffle à fond. très bonne qualité se son que je vais améliorer en changeant 2 HP.

Pour Info le Schéma du SABA W5 3D est extrêmement proche et m’a aussi aidé.

il me reste juste un léger souci et j’ai besoin de vos lumières. L’œil magique est alimenté (le filament est orange mais aucun éclairage vert en réception optimum. c’est une EM80. Merci pour votre aide.

Question subsidiaire … Comment “booster l’éclairage vert d’un œil magique ??

Bonjour,

les yeux genre EM80,EM81 de cette époque vieillissaient mal, et ils sont quasiment tous rinçés !

Une solution possible, mais pas durable et aux risques et périls de l’oeil magique, est de les suralimenter, en connectant la cible à la H.T en tête de filtre (directement à la sortie cathode de la valve EZ80) elle devrais recevoir environ 300V au lieu de 250V …Voire de l’alimenter avec un doubleur de tension , montage Schenkel pour avoir une masse commune, elle devrai alors recevoir environ 500V au lieu de 250V !

(L’oeil devrai reverdir, mais attention : ce tube risque de ne pas tenir ces tensions longtemps et risque d’être mis en péril et ceci avec une durée indéterminée ! Ca peut tenir plusieurs mois comme ça peut amorcer et le détruire en quelques minutes !)

2 « J'aime »