Bonjour,
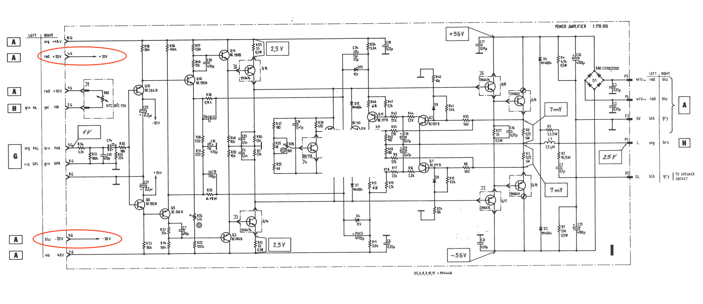
Est ce que quelqu’un peu me dire où va le + et - 20 V (cercle rouge) sure le plan ci-joint.
Le peigne a mal était connecté et j’ai un canal en panne… surement le 48V qui est allé dans le 20V
Bonjour,
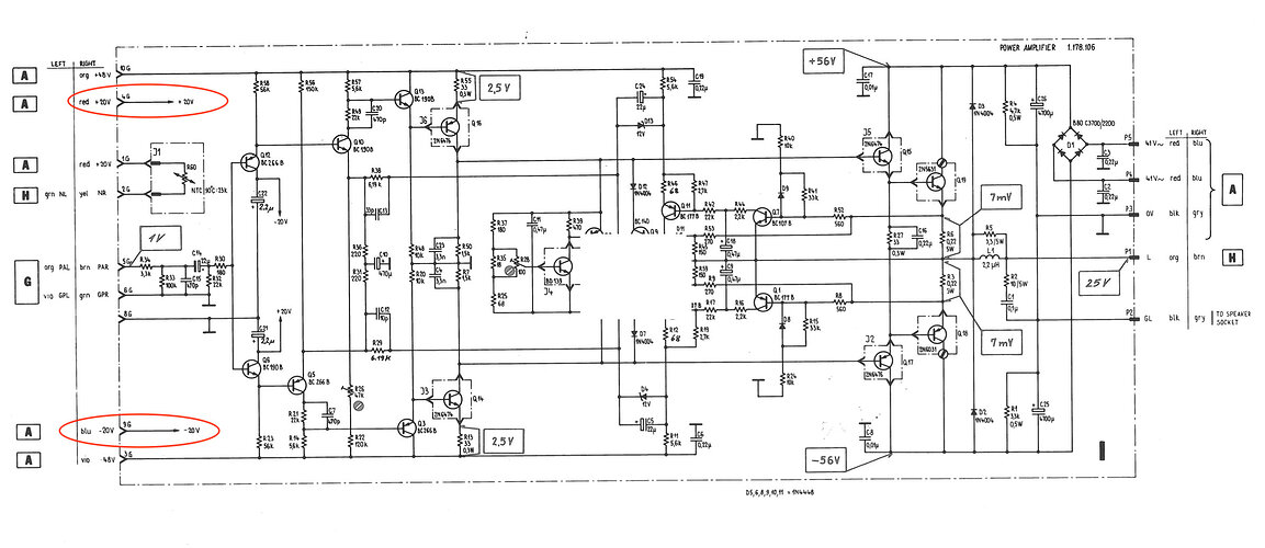
Est ce que quelqu’un peu me dire où va le + et - 20 V (cercle rouge) sure le plan ci-joint.
Le peigne a mal était connecté et j’ai un canal en panne… surement le 48V qui est allé dans le 20V
peut etre dans la zone caviardée ??
peut etre dans la zone caviardée ??
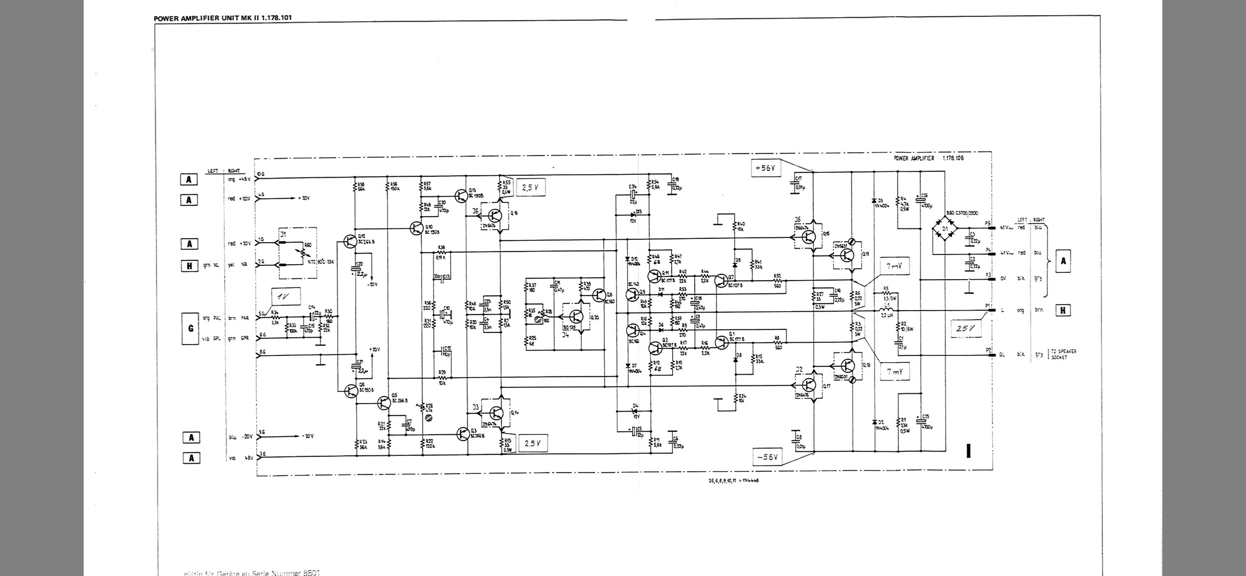
Oui, mais pour essayer de comprendre pas facile :O))) je vais aller au pif voir les premiers transistors et suivre la piste du circuit pour voir si ça me mène quelque part… mais je trouve étrange ce schéma
quel ampli revox ?
on peut essayer e trouver un schema complet
Bonjour.
Sur Elektrotanya.com
Revox b750 mk II
merci , pas l’air d’y avoir du 20V sur cette carte
par contre le 25V en sortie ampli pour un ampli a alims symetriques cela me semble plus que etrange
C’est plutôt 25Veff en sortie si 1Veff en entrée?
quel ampli revox ?
B 750 MK II
J’ai la doc complète en PDF, faut il que la post, le fichier est gros
tu la met directement dans le fiche de l’appareil , la c’est etudie pour les gros fichiers
"ajouter des documents en 3 clics "
Merci, je viens de le déposer
merci , j’ai complete la fiche avec un image prise dans le document
une idée de sa date de sortie sur le marché ?
Année de production 1978 - 1983
B 750 puis B 750 MK II