Télé 30 lignes à tube cathodique

Bonjour,
Voici ma dernière réalisation, un moniteur 30 lignes à tube cathodique inspiré des premiers téléviseurs des années trente.
L’appareil comporte 14 lampes, soit 4 valves (5Y3GB), deux thyratrons(884, EC50) 5 pentodes (2x 6K7, 2x 42, 6D6)et 3 triodes (6Q7), provenants de mes fonds de tiroir.
Le tube cathodique est un modèle à déviation électrostatique de 10 cm de diamètre à phosphore vert (DG10/6).
Le convertisseur Aurora restant trop coûteux pour mon budget, je reste fidèle au logiciel NBTV2 de Gary Millard users.tpg.com.au/users/gmillard/nbtv.htm qui fourni une conversion en 32 ligne de très bonne qualité via la carte son d’un PC

Jean-Luc.



DSC04891 (Small).JPG

Une idée des images produites



mozaique.JPG

Toutes mes félicitations, du très beau travail !

Alain

:open_mouth: Superbe, incroyable !
Et le câblage interne ?
On peut voir ?

Bonsoir,

tres beau design cela me tenterai bien de recopier votre televiseur avez vous le schéma de realisation
de celui ci

j’utiliserais si tel est le cas un des mes 5gp1

encore tout mes compliments

amicalement a tous

wilfrid

Bonsoir,

Bravo pour ce superbe travail !

On aimerait bien sûr en découvrir un peu plus… (intérieur et infos techniques) car tout ceci est fort intéressant.

Encore toutes mes félicitations.

Alain

Merci pour vos commentaires, voici donc les photos de l’intérieur, le câblage n’est pas mon point fort, il n’est pas très académique, et les composants sont pour beaucoup, de récupération.
Un unique toron de fil fait la liaison entre le châssis et l’alimentation sur le socle. Le gros bloc métallique est un blindage qui contient trois transformateurs.
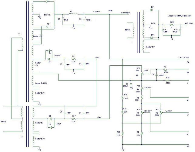
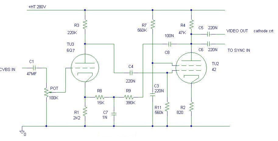
Le schéma est en plusieurs parties. Pour l’alimentation il s’agit bien de lampes, je n’ai pas le symbole de la valve dans ma librairie Pspice.
Les circuits de balayage sont inspirés du schéma d’application RCA du 884

Bien amicalement,
Jean-luc
DSC04881 (Small).JPG
alim (Small).JPG


La suite des schémas




Merci beaucoup pour cette suite de photos et de documents, plus intéressants les uns que les autres !

A découvrir tranquillement mais malgrè tout, cela reste très tentant d’en réaliser un exemplaire.

Bien amicalement.
Alain

Bonsoir, Alain,

L’idéal est de disposer d’une ou deux vieilles épaves d’oscilloscope des années 40/50 comme c’était mon cas lorsque j’ai décidé de me lancer dans ce projet. Il m’a fallu pas mal expérimenter sur un premier châssis d’oscillo pour essais. Je ne savais pas à quoi ressemblerai le rendu de l’image 30 lignes et j’avais pas mal d’autres interrogations sur le comportement du tube.
Une fois les principaux circuits validés, je me suis attaquer au prototype final.
DSC04562 (Small).JPG

applaudissementssssssssssssssssssssssssssssssss

Cher jean Luc,
Très beau travail, comme d’habitude. Câblage tiré au cordeau, superbe,donc ne soyez pas modeste sur ce point. C’est réjouissant (et rassurant) de voir, au moment ou je me sépare de la plupart de mes machines, que la relève est assurée… et de quelle façon !! Bravo!
Amicalement,
Roger Dupouy
http://la-radiovision.fr

Merci Roger,

Dommage que vous vous sépariez de la plus part de vos réalisations. J’avais été très impressionné lors de ma visite à votre exposition de Melle, tant par l‘aspect de vos machines que par la qualité du contenu historique d’un thème dont vous êtes le premier en France, à ma connaissance, à avoir traité. J’espère que vous aurez encore d’autres nouveaux prototypes à nous faire découvrir.
De mon coté, j’ai pour projet d’autres réalisations, comme les procédés à miroirs tournants et bien d’autres choses encore.

Bien amicalement,

Jean-luc

Bonjour Jean Luc,
Ma réplique du Baird avec son récepteur, part en Angleterre ce vendredi. elle sera exhibée et je crois appréciée, donc je suis moins triste de la voir me quitter.
Dans ce que je garde, figurent la machine à grand disque de nipkow pour les démonstrations couleurs entre autres. En cours chez le mécanicien, l’assemblage des 120 miroirs de Gardner, qui je pense, seront prêt pour démo au prochain Radiomania de Clermmont Fd. en novembre (avec la couleur) et que je garderai aussi.
Pour le reste, machine synchrone 30 lignes, monitor 180 et TV replique US 1938, sont encore en vente.
Je vous souhaite bonne chance pour vos futurs projets. Je suis sûr que vous allez encore nous épater avec des
réalisations de grande qualité.
Bien cordailement à vous et aux amis du fil.
R.D.
http://la-radiovision.fr