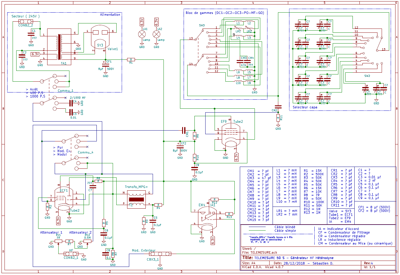
Télémesure 50S

sous toutes reserves pour le transfo je pencherai pour cela (en interpretant au mieux les mesures faites)
j’ai aussi cerclé en rouge le probleme de la grille triode reliée ai +HT, cela est anormal
les commutateurs sont nettement plus compréhensibles ainsi
par contre toujours des erreurs de schema les bornes 1 des lampes sont les blindages des tubes et doivent etre a la masse , hors ils sont reliées au plaque ou a la HT ( EF9 et ECF1)
et le fonctionnement de l’ECF1 reste pour le moment incomprehensible.

comprenez vous le fonctionnement d’une lampe TSF ?

1 « J'aime »

Mince mince mince ! Je passe pour un bouffon mais je crois avoir trouvé mon erreur ! J’ai inversé lordre des broches en passant de la face avant a la fasse arrière …
Je revois mon schéma de suite ! Arf désolé :grimacing:

Rien que pour le coups de de la grille à la HT ou de l’écran à l’annode j’aurrais du tilté encore une fois …

Pour le fonctionnement d’un tube, sur un cas simple j’ai ma cathode qui est chauffée mon filaments (qui permet l’émission d’électrons) la grille commande le flux d’électrons en tentions , l’écran permet un meilleur rendement (il est porté à une tensions à peine inférieur à la tension de l’annode) et la grille après l’écran (celle où j’ai le plus de mal a comprendre le fonctionnement) serait la pour ramener les électrons, qui se serait dispersés, à l’annode ?

Autre chose, dans le cas de la ECF1, si l’écran (et la grille après l’écran) améliore le fonctionnement de la triode, pourquoi l’ECF1 est encore équipé d’une triode ? Et non pas d’une tétrode (ou pentode) ?

La derniere gille G3 pour nous , suppressor pour le anglo saxon, brems gritter pour les allemands,
est destinée a repousser sur la plaque les électrons re emis par celle ci .
Les électrons arrivant a haute vitesse sont ralentis par G3 ( d’où le non allemand de brems gitter) et ceux arraches a la plaque par les arrivants sont empeches de revenir en arriere ( d’ou le nom de suppressor pour les anglo saxons)

G2 ou ecran a deux fonctions principales

  1. reduire la capacite G1 plaque qui d’oppose au bon fonctionnement du tube ( plus connue sous le nom de capacite Miller)
  2. elle change aussi fondamentalement les caractéristiques du tube, a savoir que le courant plaque devient quasi independant de la tension plaque ( fonctionnement en penthode)

il existe deux types de lampes amplificatrices les triodes et les penthodes qui sont utilisées chacune pour leurs caractéristiques particulieres de resistance interne ( faible pour une triode, forte pour une penthode) et leur pente ou transconductance.

j’ai essaye de faire le plus simple possible…….

les culots des lampes sont toujours vus par l’arriere pour la bonne raison que quant on depanne c’est par la que l’on regarde, pas par dessus le chassis…….
donc pas de questions a se poser quand on releve un schema

1 « J'aime »

Bonjour,

Ces questions de “vue par l’arrière” ou “vue par l’avant” , ça peut être déroutant pour l’électronicien débutant (qui ne sait pas de quel coté, normalement et conventionnellement, on regarde le brochage ) , ou celui qui n’a fait que de “l’électronique moderne” tout a circuits intégrés ! (avec les tubes, c’est par l’arrière, par dessous, avec les circuits intégrés c’est pas l’avant …Si on applique les conventions usuelles avec les circuits intégrés sur un montage avec des tubes, évidemment, ça va pas aller !)

Ceci dit, c’est logique que ce soit par l’arrière avec les tubes, c’est du coté des broches et des soudures , alors que par l’avant on a juste accès aux ampoules et a la face supérieure du chassis qui ne comporte normalement ni fil de câblage ni soudures (a part , simplement, les connexion des tétons au sommet des tubes, ou des organes de commande sur la face avant )

Sur un montage a circuits intégrés, c’est moins évident , en général ils sont sur un circuit imprimé double face , avec des connexions des deux cotés …

(Là ou c’est vicieux , et particulièrement casse-pieds, c’est un montage avec à la fois des tubes ET des circuits intégrés ! ça n’existais pas a l’époque , mais maintenant ça existe ! notamment pour les audiophiles (ou idiophiles !) ou dans les amplis guitare (récents !) Notamment lorsqu on veux un “son tube” tout en ayant des fonctions multimédia compatibles avec les appareils actuels ! dans ce cas là on combine des tubes pour les étages amplificateurs proprement dits, et de l’électronique a circuits intégré pour les commandes, les effets spéciaux, les interfaces bluetooth ou USB , car infaisable avec des tubes ! )

A propos des types et nombre d’électrodes des tubes, il existe bien plus que deux principales sortes de tubes …
En effet il y a différents types de tubes qui ont des caractéristiques propres bien différentes , ça dépend de ce qu’on veux en faire :

Il y a, bien sur, les diodes, avec une cathode une plaque et c’est tout ! sans grilles…C’est le plus simple des tubes électroniques :
Elles laissent passer le courant dans un seul sens, et le bloque dans l’autre , et ont les mêmes applications que toutes les diodes semiconductrices …

Ensuite il y a les lampes avec un certain nombre d’électrodes supplémentaires : triodes …pentodes …Octodes …Lampes multiples

Quand on veux peu de gain (quand un grand gain n’est pas utile, voir nuisible parce ça risquerai de saturer ou d’osciller) , quand on veux une résistance de sortie faible ( étage de sortie sans transformateur, ou de sortie par la cathode, ou régulateur d’alimentation) quand la capacité inter-électrode a peu d’importance (pas de risque d’oscillation, pas de besoin d’amplifier de signaux a haute fréquence) => On préfère des triodes

Quand on veux beaucoup de gain (fréquent en radio, en hifi, a chaque fois qu’on veux amplifier des signaux pouvant être très faibles) , une capacité inter électrodes faibles (intéressant en HF ), de grandes performances avec peu de tubes (pour simplifier la réalisation de l’appareil) => On préfère des pentodes

Quand on veux mélanger plusieurs signaux différents (par exemple : dans une table de mixage) , ou moduler un signal entrant avec celui généré par un oscillateur local (par exemple : l’étage changeur de fréquence d’un superhétérodyne) on utilise des lampes a grand nombre d’électrodes avec plusieurs grilles de commandes, plusieurs grilles écran => On a recours a l’heptode, ou à l’octode …

Ou alors on a recours a des “tubes multiples” , avec par exemple deux sections(une triode + une pentode …une triode+une heptode) dont une section remplit une fonction, et une autre section en remplit une autre

Il a même existé des tubes a 3 voir 4 fonctions regroupé dans la même ampoule, et intégrant parfois même des résistances et condensateurs , constituant ainsi un récepteur radio complet (par exemple la 3NF-W ) ou un amplificateur complet (par exemple la ECLL800) c’étais des circuits intégrés avant l’heure ! (ces tubes sont rares et chers …)

Bon, j’ai simplifié les explications (pour rester acessible à tous) et pas parlé des variantes possibles , ou d’autres types de tubes plus exotiques ! avec d’autres types d’électrodes , tel que les lampes a faisceaux dirigés (exemple : la 6L6, la 807 ) les lampe a émission secondaire, avec une 2 eme cathode, froide (tel la EE50 )
Le sujet est très vaste, et ceci explique pourquoi il existe autant de tubes différents ! sans parler de simples différences de culot, de marques ou de couleurs !

sloup

1 « J'aime »

Bonjour,

pour en savoir plus sur les différents types de tubes, leur histoire, leur nombre d’électrodes , leurs usages , voir :

http://paillard.claude.free.fr/lampes/debuts/debuts.html

(puis cliquer sur les >>> ou <<< pour lire les autres pages )

Ce site date un peu, et de ce fait certains contenu ne sont plus vraiment à jour, mais il montre l’immense variété de types de tubes électroniques …Et outres leurs application en réception ou émission radio, ou en télévision (applications les plus courantes)…Il y en a eu qui savaient mesurer de la lumière, des radiations, et même eu qui savais compter, et afficher des chiffres !

Certains tubes électroniques sont encore d’actualité ! (cela va des tubes d’émission hyperfréquence de satellites artificiel a ceux équipant les four à micro-ondes que n’importe qui utilise pour la cuisine !)

sloup

1 « J'aime »

Bonsoir,

Wahou ! GRAND MERCI pour vos explications !!!

C’est vraiment super intéressant ! et je vais avoir plein de chose à lire grâce au lien ! (Haha, j’ai déjà commencé à lire :smile: )

Encore grand merci ! ( je crois que je vais avoir d’autre questions à poser sous peu :sweat_smile: )

Pour en revenir au schémas, voici la version plus correcte :TELEMESURE_50S_V4.pdf (109,0 Ko)

{Cliquez ici pour visualiser l'image}

Donc si j’ai bien compris, la triode dans la ECF1 amplifie la BF (400-1000Hz) et la partie pentode est la modulatrice ?

Bonjour,

plus exactement, la partie triode ECF1 est un oscillateur B.F à transfo
(en fait, avec le transfo avec un enroulement primaire en série sur la plaque, et le secondaire rebouclé sur la grille …En gros, c’est comme un ampli B.F , avec un transfo de sortie , mais qui a son secondaire rebouclé sur la grille d’entrée … au lieu d’attaquer un HP , ceci fait de manière a ce que l’ampli B.F “se morde la queue” , il oscille !)

Pour qu’il ne se conduise pas comme un fou ( comme un ampli de sono qui fait du larsen ! ) on utilise une petite triode (celle intégrée à l’ ECF1 ) on la “bride” avec des résistances, et on en fixe la fréquence B.F d’oscillation avec des condensateurs commuté par un commutateur
(sinon on ne maitriserais rien et les oscillations auraient n’importe quelle amplitude et n’importe quelle fréquence …Ca serai comme ce qui se produit avec une sono et un micro qui dessert l’ampli de cette sono et qu’on met devant les haut-parleur …l’ensemble oscille, mais de manière non-maitrisé, d’ou d’affreux et intenses sifflements !)

Malgré tout, l’oscillation n’est pas toujours un signal sinusoidal bien propre (il peut avoir une gueule assez quelconque , vu à l’oscilloscope …c’est le revers de la médaille de la simplicité du système )

sloup

1 « J'aime »

Très bien expliqué par Sloup, toutefois je lui suggérerais d’employer le terme de self BF plutôt que celui de transfo qui d’ailleurs ne transforme rien du tout.

bon ce coup ci le schema me semble correct
digne d’etre mis avec la photo de l’appareil dans le GL de la radio

1 « J'aime »

Bâ,

Ca n’est certe pas un transformateur d’alimentation … mais c’est quand même un transfo de couplage …avec 2 enroulements !

Même dans le cas de la sono et de l’effet larsen, on a , quand ça se met a siffler un couplage, on pourrais considérer qu’on a involontairement créé un transfo de couplage ! (L’un des enroulement étant celui des H.P du système de diffusion, l’autre étant le micro …Ou la guitare …ou autre instrument …Sauf que là, le couplage n’est plus magnétique mais acoustique ! il ne se fait plus en produisant un champ magnétique dans un noyau de fer mais en brassant de l’air dans la salle ! )

sloup

Pour ma compréhension perso c’est comme une self HF avec un deuxième enroulement couplé.

C’est un peu comme l’appellation des transfos MF (ou FI) qui ne transforment rien du tout mais au contraire sont là pour maintenir et transmettre exactement ce qu’ils ont reçu (cette fameuse fréquence MF).
Ce sont des organes de liaison inter étage par couplage inductif de circuits oscillants, mais par quoi remplacer le terme transfo?

Quant au transfo de sortie, le terme transfo est tout à fait approprié; on a seulement retiré le qualificatif, “transfo… d’impédances” ou adaptateur d’impédances.
Moi çà ne m’empêche pas de dormir mais pour un débutant (que nous avons tous été) çà peut semer la zizanie ce terme de transfo car on part sur le transfo d’alim et après… demerstein zizi.

Bonjour,

oui, là, ce n’est plus un organe pour transformer une tension en une autre tension (pour transformer la tension du secteur en des tensions adapté a un poste , par exemple …) c’est un organe de couplage inter-étage (aux tout débuts de la T.S.F, il n’y avais que fort peu de composants , et quasiment que des couplages a transfo, avec notamment ces transfo B.F inter-étages …si souvent coupés de nos jours !)

Ou comme les transfo M.F d’un superhétérodyne classique , avec possibilité de réglage de fréquence de résonance (par déplacement de noyaux ) et possibilité (facultative) de réglage de la sélectivité , par écartement relatif des 2 bobines (cas des poste superhétérodyne a sélectivité variable)…

Notez qu’on peux trouver aussi des transfo secteur … avec un réglage par déplacement d’un noyau magnétique ! mais dans un tout autre but, régler le courant maxima délivré !
(Là, ce n’est plus de la radio , mais c’st bien un transfo, et avec un couplage magnétique variable … C’est le principe d’un poste à souder à l’arc type "MMA " , ou “à baguette”, pour les anciens modèles sans électronique , avec un volant qu’on tourne !)

sloup

les FI sont bien des transfo
il y a un couplage magnetique entre les deux bobines ( cas le plus frequent)
et le nombre de spires du primaire est different du nombre de spires du secondaire surtout pout le transfo de la detectrice dont l’impedance de la diode est beaucoup plus faible que celle d’une grille.

les transfos FI a couplage non magnetique ( par capacite ou par self) usurpent le terme de transfo en ce cas il vaudrait mieux les dénommer filtres FI

Oui “Filtre FI” serait beaucoup plus approprié, mais bon , on ne va pas refaire le vocabulaire de la radio.
C’était juste pour apporter un peu d’explications à ceux qui “en veulent”!

1 « J'aime »

Bon, effectivement, on va pas refaire tout le vocabulaire de la radio, ou même de bien d’autres applications de l’électricité et l’ électromagnétisme ! sans compter certains abus de langage ! ou certaines dénominations simplifiées !

Il y a en effet , dans certains cas, des récepteurs dont les étages F.I ont “des filtres FI” plutôt que des transfo FI ou transfo MF (dans certains cas il n’y a pas couplage magnétique, ou pas un primaire et un secondaire distinct …mais ça ressemble à des transfo FI , ça fait le même boulot que des transfo F.I ! alors on y appelle tout des transfo FI !)

Il y a aussi des dispositifs qui transforme bien une tension d’alimentation en une autre tension nécessaire a l’appareil alimenté, mais qui ne sont pas des transformateurs , et qui sont …Mécaniques !
(Les commutatrices, ou “dynamotor” , avec un stator, un rotor, des balais … comme il y en a eu , jadis, pour alimenter des appareils militaires, ou des projecteur de cinéma à arc , à charbons …C’est des machines tournantes, ça ressemble à des moteurs électriques, mais le but n’est pas de fournir un effort mécanique sur l’arbre mais de transformer le courant électrique …)

Ou qui sont électroniques , tels certaines alimentations pour lampes halogènes, ou convertisseurs pour tubes fluorescents (qui extérieurement ressemblent parfois a un transfo, et sont dénommé transfo par les usagers ou les revendeurs …Ces dispositifs ont souvent des bobinages, mais aussi et surtout, de nombreux composants … le courant est redressé, filtré, puis découpée par des transistors travaillant en H.F et en commutation …Le principe est bien plus compliqué, et la fréquence et la forme d’onde de sortie n’ont plus rien à voir avec celle du réseau, contrairement a ce qui se passe avec un transfo secteur !)

bon, on s’égare …

sloup

Bonjour
Après toutes ce s’explications savantes, il reste un point sombre : la modulation !

1 « J'aime »

…Ca aussi, c’est un vaste sujet, la modulation, les différents procédé de modulation (AM, FM, BLU …) ses qualité et défauts (pureté, profondeur …)

sauf le cas ou il n’y a pas besoin de modulation !

sloup

1 « J'aime »

je pense que sur cet appareil on a une modulation par la cathode de la ECF1
par contre le circuit de modulation exterieure me parait suspect

1 « J'aime »

… Et a propos de modulation, je parlais de toutes les modulations utilisé en radio de manière générale !
(certains géné HF de labo les font toutes ! mais c’est pas le même prix et pas la même simplicité … Ou de la modulation d’emmetteurs de radioamateurs … )

sloup

1 « J'aime »

bjr,
je prends le train en marche…pour apporter quelques précisions sur ce générateur “Télémesure”:
celui que j’ai “restauré” etait quasiment a l’état d’épave!
j’ai eu la chance de trouver quelqu’un qui en avais un et qui a pu me scanner le cadran et faire quelques mesures.
le transfo d’alim qui était dessus ne convenais pas je l’ai remplacé par un transfo d’électrophone:
il faut avoir entre 170 et 200V de haute tension.
pour le reste:
la EF9 etait remplacée par une EF80
j’ai rajouté une ECF1 et refait l’alim avec un pont redresseur moderne.
j’ai eu bcp de mal à supprimer les faux contacts des commutateurs, à noter le branchement bizarre des présélections.
Le signal obtenu est à peu près correct en onde pure mais la modulation est assez curieuse…
N’oublions pas qu’il s’agit d’un appareil de bas de gamme aussi il ne faut pas s’attendre à des “miracles”.
j’ai mis sur le site toute les infos dont je disposais (en 2013) depuis le générateur est parti vers de nouveaux horizons…
cdlt
domi

1 « J'aime »