TENSAI TT-3045 - Plus de lumière

Bonjour,
Je viens de nettoyer un Tuner Tensai 3045, il fonctionne parfaitement sauf sur 2 points, peut-être vous pourrez m’aider !

  1. La lumière stéréo à gauche des vu-mètres ne s’allume jamais, est-elle grillée ou simplement comme j’ai pu le lire sur internet mon antenne ne capte pas la stéréo ? Les autres lumières rouges x3 (FM MW LW) fonctionnent parfaitement.

  2. Je n’ai plus du tout de lumière ni sur les vu-mètres ni sur le contour de la vitre. Ou dois-je tester et comment le faire pour contrôler si c’est les ampoules ou l’alimentation des lumières ? En série ou non ect …

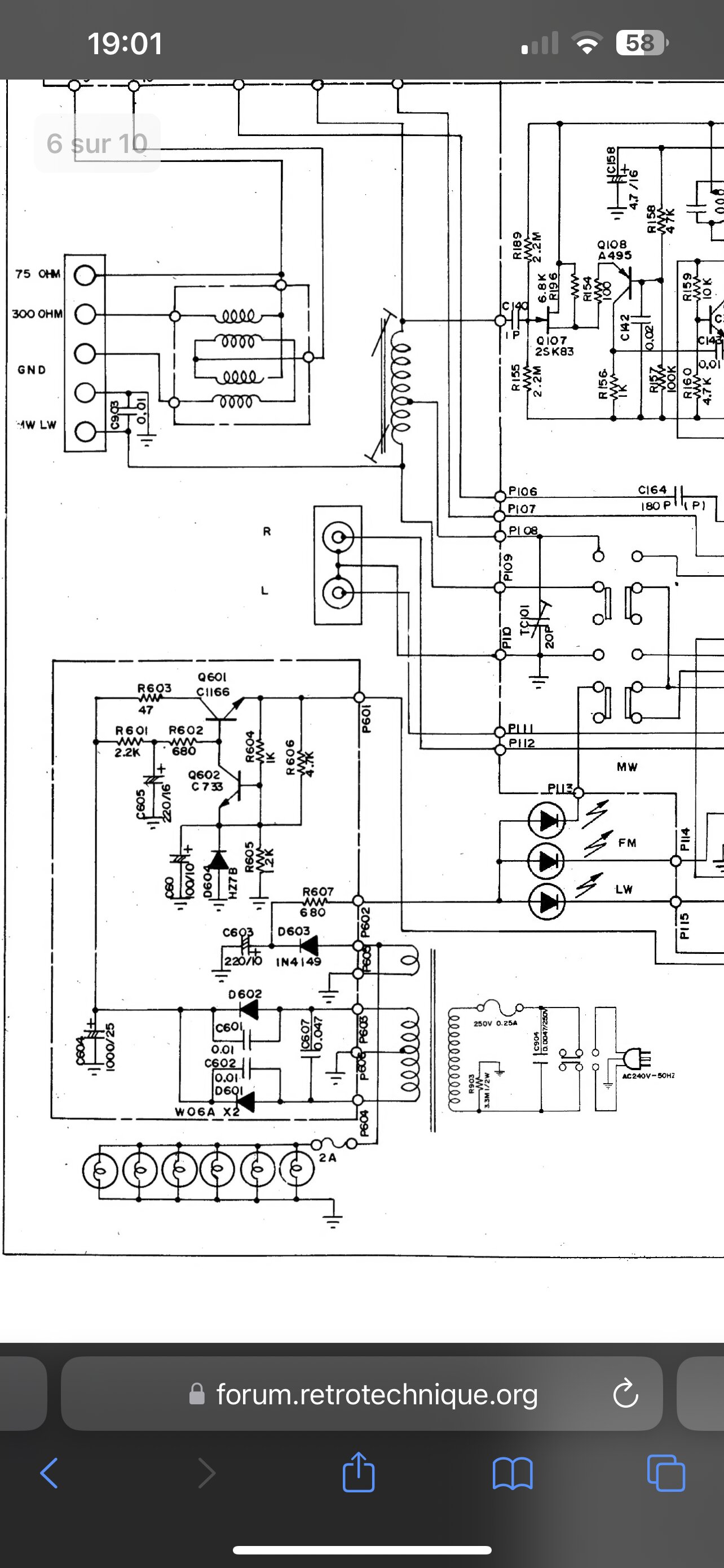
J’ai des photos et le manuel de service (si je n’arrive pas à le charger ici, vous le trouver directement sur internet, on y retrouve les schémas électriques)

tt3045.pdf (11,3 Mo)

Merci d’avance !

controler que les lampes d’eclairage n’ont pas le filament coupé

Le témoin stéréo semble être une LED, il serait étonnant qu’elle soit grillée.

en depannage on ne suppute pas on verifie
si necessaire on imcriminera le circuit de commande
les antennes qui ne reçoivent pas la setero une legende de plus du net

3 « J'aime »

Je suis entrain de sortir les ampoules, j’ai du mal à voir si elles ont le filament cassé, je regarde et je vous dis.

Sinon voici des photos, je pense qu’elles ne sont pas en série mais toutes reliées sur la même arrivée venant de l’alimentation. Donc bizarre si pas de série qu’elles soient toutes cramées



Les filaments sont OK !
Sur toutes les ampoules, je pense que nous devons chercher un problème en amont

commeles sont toutes alimentées en // voir si une tension AC ou DC de 5 a 12V est presente la ou elles sont raccordées

tu as un schema de l’appareil ?
on a un schema dit equivalent dans la fiche du grand livre

il y a un fusible serait t il mort

Je vais regarder ça, merci
Tu as le pdf dans mon premier message

mais voici la partie ampoule il y a effectivement un fusible

+1
Mais il faut tout de même un certain niveau de signal pour que le décodeur stéréo fonctionne.
On doit quand même se rendre compte s’il y a un effet stéréo ou pas même sans voyant !

2 « J'aime »

Je viens de tester la tension aux bornes, je trouve environ 6 V en alternatif (voir photo)

Concernant le fusible introuvable, j’ai bien celui à l’arrière pour le 250V mais je ne trouve pas le 2A présent sur le schéma


Pour tester la continuité des filaments tu as bien déconnecté les loupiottes ?

tu as bien une tension aux bornes des lampes , c’est un verification indirecte de l’etat du fusible

Je n’ai pas déconnecté les ampoules, j’ai vu les filaments en bonne santé sur toute mais je vais peut-être regarder cela

Comme dis @Radiolo j’ai bien la tension qui alimente les ampoules et j’ai aussi vérifié la masse ( pas de circuit ouvert)
Bref je sèche un peu

Bonsoir
Il ne suffit pas de "voir " : il faut les démonter et sonner la continuité du filament à l’ohmmètre ( (en position image )

2 « J'aime »

si les ampoules ont 6.3V a leurs bornes et q’elles ne s’eclairent pas he bien elles sont mortes

3 « J'aime »

Très bien, je viens de déconnecter les ampoules effectivement elles sont HS, désolé de ne pas avoir relevé ce problème en amont cela nous aurez évité ces recherches.

Je vais maintenant chercher des ampoules de remplacement.

Merci pour votre aide !

SI tu es un peu bricoleur, envisage de les remplacer par des led’s, il n’y aura plus à y revenir.

Et il n’y a pas de VU-mètres sur un tuner
mais deux galvanomètres
un pour la force du signal (comme un S-mètre)
et un à zéro central pour l’accord
VU = Volum Unit, unité de mesure du niveau sonore, utilisés sur des magnétophones ou des tables de mixage…gradué en dB…

2 « J'aime »